图像处理基本算法及软件简介
图像处理基本算法及软件简介
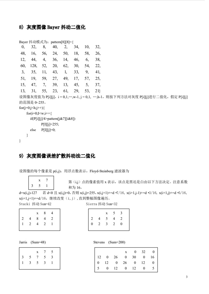
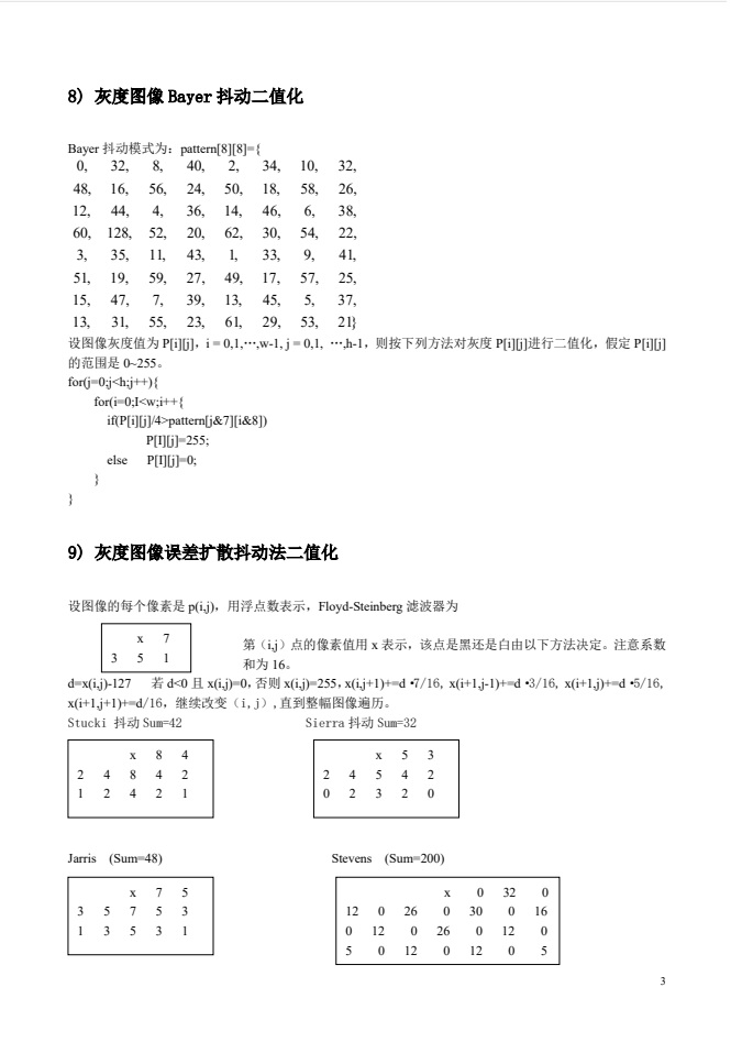
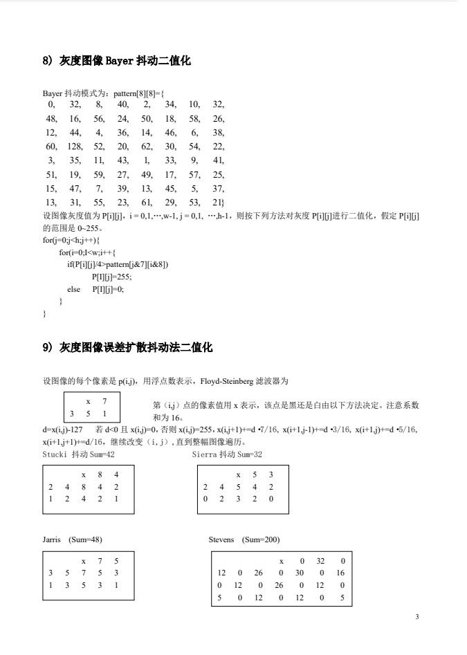
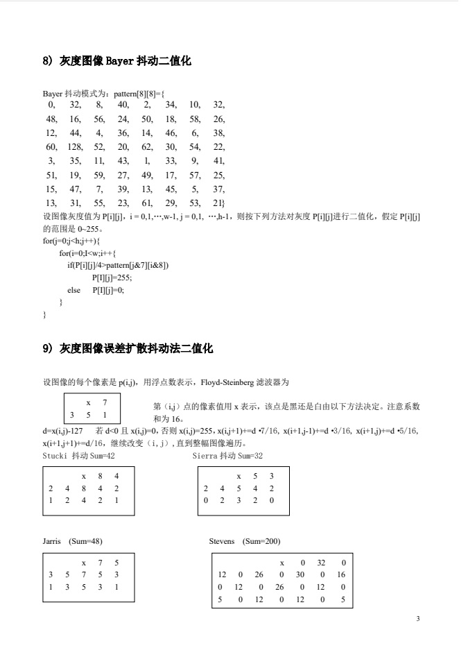
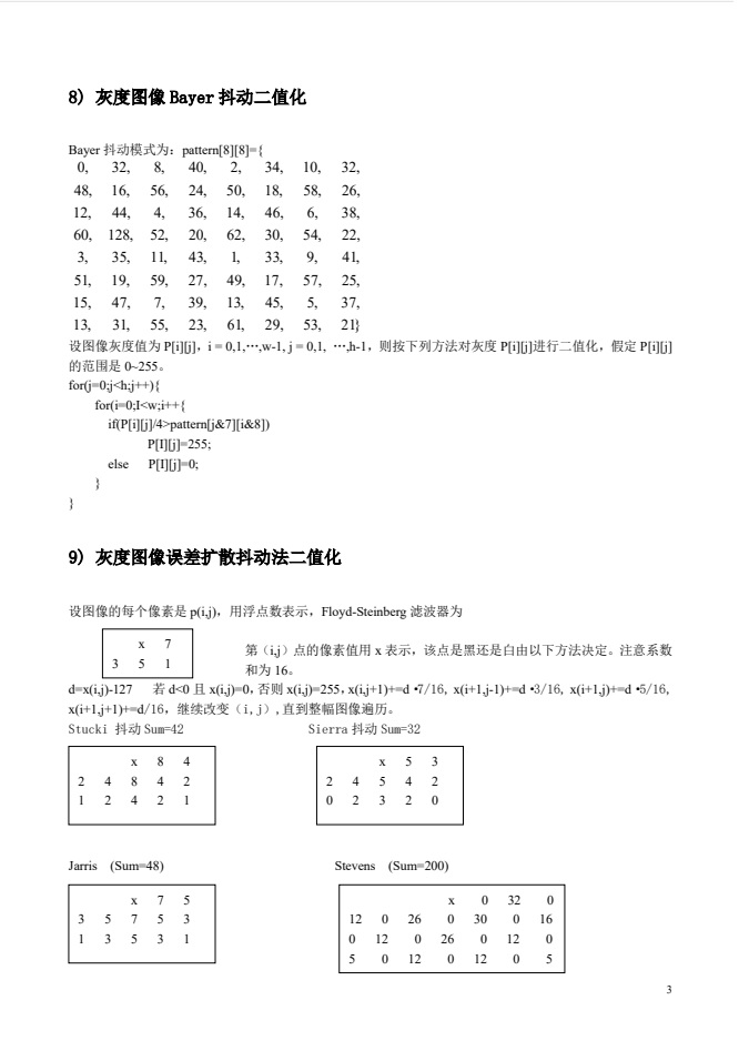
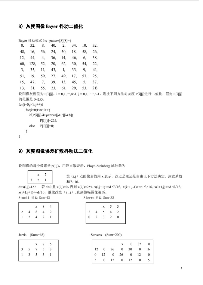
基本图像处理算法简述。(1)图像的灰度(亮度)线性变换、(2)对数变换、(3)指数变换、(4)分层切片、(5)直方图均衡、(6)直方图拉伸;(7)色彩的RGB和YUV表示转换;(8)灰度图像Bayer抖动二值化;(9)灰度图像误差扩散抖动法二值化;(10)真彩色图像转换成伪彩色;(11)邻域平均滤波;(12)改进邻域平均滤波;(13)中值滤波;(14)加权平均;(15)颜色HIS和RGB表示的关系;(16)方差均衡图像增强;(17)边缘检测方法;(18)二维离散傅里叶变换;(19)二维离散余弦变换;(20)离散小波变换;(21)图像的近邻域插值;(22)图像的线性插值;(23)图像缩放;(24)图像旋转;(25)图像的镜像变换;(26)图像转置;(27)图像平移;(28)图像轮廓提取;(29)伪彩色图像增强。
研制了一种图像处理软件,其中应用了上述图像处理算法,并形成了具有一定特色的图像处理软件系统,具有图像文件打开与保存、图像显示、图像浏览、图像处理、图像中热点标记、图形绘制、动画制作、等丰富的功能。
图像处理软件主要功能描述
【文件】打开;另存为;保存为1比特图像;打印;属性;系统设置;既往文件;当前文件夹;重载当前图像;编辑热点文件;导出热点数据;标记热点区域;退出。
【显示】移动光标;拖动图像;保持纵横比全图;充满窗口;可选择区域;可放大细节;点属性;下一幅(文件夹中);上一幅(文件夹中);第一幅(文件夹中);最后幅(文件夹中);自动播放;图像平铺显示。
【几何变换】改变尺寸;左右镜像;上下镜像;旋转;转置;边框形状。
【图像处理】颜色反转;调节RGB颜色;调节HSV颜色;图像滤波;照片美白;亮度范围调节;亮度变换;设置亮度均值;门限二值化;抖动二值化;真彩色转换为256色;256色转换为真彩色;彩色转换为256级灰度;转换为256色伪彩;编辑调色板。
【块处理】平均滤波;中值滤波;消除基线;颜色平滑;方差均衡;方差增强。
【图形】新建图像;清除图像;动态波形;二元函数实时图像;绘制波形;绘制等高线;绘制填充等高线;波浪效果;图像的等值线;颜色替换;AVI动画;GIF动画;数值矩阵。
【数据】复制;粘贴;或粘贴;与粘贴;嵌入粘贴;颜色分量直方图;颜色分量;导出数据。
【帮助】关于;热键说明;使用说明;退出。
【选择处理】复制区域;作为新图;颜色反转;定义区域。 
摘要:简述一些基本的图像处理算法:(1)灰度变换,如线性变换、对数变换;(2)颜色转换,如RGB和YUV互换、真彩色转成伪彩色;(3)灰度图像二值化,如Bayer抖动、误差扩散抖动法;(4)平滑滤波、图像增强、边缘检测;(5)图像插值;(7)图像缩放、旋转、镜像、转置。研制了一款具有特色的图像处理软件,其中运用了上述算法,并具有图像文件打开与保存、显示、处理、热点标记、图形绘制等丰富的功能。













参考文献
[1] 钟志光,卢君,刘伟荣 编著. Visual C++.NET数字图像处理实例与解析[M]. 北京 清华大学出版社. 2003年6月第1版.
[2] 吕凤军 编著. 数字图像处理编程入门—做一个自己的Photoshop[M]. 北京 清华大学出版社. 1999年9月第1版.
[3] 田捷,沙飞,张新生 编著. 实用图像分析与处理技术[M]. 北京 电子工业出版社. 1995年1月第1版.
[4] 阮秋琦 编著. 数字图像处理学[M]. 北京 电子工业出版社. 2001年1月第1版.
[5] 孙家广,杨长贵 编著. 计算机图形学(新版)[M]. 北京 清华大学出版社. 1995年5月 第1版.
[6] 徐蔓,邵剑林,赵坚 编译. C语音实用图像处理获取、处理、存储[M]. 北京 海洋出版社. 1992年2月第1版.
[7] 徐建新,王超琼 改编. PC图像处理技巧与实践[M]. 北京 学苑出版社. 1994年11月第1版.
[8] 张建敏,谷彦国,曹鲁湘 译. Windows环境下的多媒体程序设计[M]. 北京 学苑出版社. 1994年3月第1版.
[9] 木杉,东岳 译. Windows图像处理实用技术和范例[M]. 北京 学苑出版社. 1994年9月第1版.
[10] 高文 著. 多媒体数据压缩技术[M]. 北京 电子工业出版社. 1994年4月第1版.
[11] 程存学,朱晓昆 著. 计算机视觉—底层处理技术[M]. 北京 电子工业出版社,1993年7月第1版.
一款图像处理软件介绍
研制了一款图像处理软件(cbsImage.exe),其中应用了上述图像处理算法,并形成了具有一定特色的图像处理软件系统。具有图像文件打开与保存、图像显示、图像处理、图像中热点标记、图形绘制等丰富的功能。
(1) 菜单内容
【文件】打开;另存为;保存为1比特图像;打印;属性;系统设置;既往文件;当前文件夹;重载当前图像;编辑热点文件;导出热点数据;标记热点区域;退出。
【显示】移动光标;拖动图像;保持纵横比全图;充满窗口;可选择区域;可放大细节;点属性;下一幅(文件夹中);上一幅(文件夹中);第一幅(文件夹中);最后幅(文件夹中);自动播放;图像平铺显示。
【几何变换】改变尺寸;左右镜像;上下镜像;旋转;转置;边框形状。
【图像处理】颜色反转;调节RGB颜色;调节HSV颜色;图像滤波;照片美白;亮度范围调节;亮度变换;设置亮度均值;门限二值化;抖动二值化;真彩色转换为256色;256色转换为真彩色;彩色转换为256级灰度;转换为256色伪彩;编辑调色板。
【块处理】平均滤波;中值滤波;消除基线;颜色平滑;方差均衡;方差增强。
【图形】新建图像;清除图像;动态波形;二元函数实时图像;绘制波形;绘制等高线;绘制填充等高线;波浪效果;图像的等值线;颜色替换;AVI动画;GIF动画;数值矩阵。
【数据】复制;粘贴;或粘贴;与粘贴;嵌入粘贴;颜色分量直方图;颜色分量;导出数据。
【帮助】关于;热键说明;使用说明;退出。
【选择处理】复制区域;作为新图;颜色反转;定义区域。
(2) AVI动画制作
一系列BMP像,存储在一个文件夹里,依次按照文件名排列,图像的长宽尺寸相等,文件格式为BMP Windows格式而非OS/2格式。可以使用图像编辑工具(如Windows画笔,Photoshop等)来生成上述系列文件。将这一系列BMP文件合并生成一个AVI文件。系列BMP文件中不合适的文件列表保存在aviErrFiles.txt。菜单操作:《图形》→ 《AVI动画》。
(3) GIF动画制作
一系列BMP像,存储在一个文件夹里,依次按照文件名排列,图像的长宽尺寸相等,颜色均为8比特彩色图像,文件格式为BMP Windows格式而非OS/2格式。可以使用图像编辑工具(如Windows画笔,Photoshop等)来生成上述系列文件。将这一系列BMP文件合并生成一个GIF文件。系列BMP文件中不合适的文件列表保存在gifErrFiles.txt。菜单操作:《图形》→ 《GIF动画》。
(4) 热点定义
与图像相关联的热点文件是前缀与图像文件相同,后缀为htxt的文件;*.htxt是一个ASCII文件,可用记事本等程序打开并修改。文件中一行定义一个热点区域,例如:“1001,324,47,402,89,Open,D:\demo\x.jpg,Reserved”,对应为“ID,x1,y1,x2,y2,Title,响应,保留”。ID:代码,确保区域唯一性,1000以后是与相应文件对应,1000以内是内部编程使用;x1,y1,x2,y2:是热点区域在图像中的位置,像素;Title:是显示的标题;在图像中用鼠标点击该标题时的响应,ID>=1000对应的是文件,ID<1000没有使用;保留:暂时未使用。与热点相关的菜单操作有:《文件》→《编辑热点文件》;《文件》→《导出热点数据》;《文件》→《标记热点区域》;《显示》→《可选择区域》:出现对话框,输入其中热点区域的参数,添加热点定义保存在文件*_HOTS.htxt之中,完成之后该名为*.htxt即可。
(5) 数值矩阵的图像化显示
图形>数值矩阵:读入ASCII文件,里面由数值矩阵构成,若干行和列。如果是三列或者四列,可以被认为是三维点云数据;如果是四列则第4列为该点的颜色控制值;点云数据经过三维插值后形成图像化显示数据。菜单操作:《图形》→《数值矩阵》。演示的动态图像,菜单操作:《图形》→《二元函数实图像》:可显示演示的二元函数图像,以及产生演示数据,可用这些数据来测试GIF动画制作与分解。
(6) 设置文件
设置文件名称为cbsImage.ini,与应用程序保存在同一目录下。
[cbsImage]
ProgramTitle=Image Processing ;程序标题
Version=Version: 2.0.0 ;软件版本号
StartupImage=DEMO1.JPG ;程序启动时打开的图像文件
HotNotePos=1 ;热点区域说明显示位置,0左上角,1顶部居中,2右上角,3右边居中,4右下角,5底部居中,6左下角,7左边居中,8热点右下角
FolderPos=0 ;文件夹中图像浏览时文件列表显示位置,0左上角,2右上角,4右下角,6左下角
JpegQuality=1 ;JPEG图像压缩质量控制,0高质量,1中等质量,2低质量
(7)带命令行运行
cbsImage.exe "d:\Picture\wall.jpg"
(8) 快捷键
PageUp: 上一幅图像(历史中)
PageDn: 下一幅图像(历史中)
Home: 第一幅图像(历史中)
End: 最后一幅图像(历史中)
1: 第一幅图像(文件夹中)
2: 最后一幅图像(文件夹中)
F1或者A: 下一幅图像(文件夹中)
F2或者B: 上一幅图像(文件夹中)
图像平铺显示时,使用PageUp,PageDown,Home,End,右箭头,左箭头,空格,回车键。
自动播放、滚动波形、二元函数实时图像、GIF动画播放时,使用ESC键退出。
(9) 软件主界面

(10)软件主要菜单功能


联系作者:chengbowork@163.com
相关文章
多道信号分析软件系统
生物医学信号处理与分析软件系统设计
曲线拟合软件
离散小波变换用于信号滤波
多维特征参数机器学习算法
多维特征参数机器学习软件
Kohonen自组织特征映射神经网络(环形和球面形网络)
矩阵的三维图形显示软件
图片浏览软件工具
主成分分析(K-L变换)与信号的分解与合成(滤波)
信号的样本熵序列计算
信号的双谱分析
信号的经验模态分解(EMD)
希尔伯特(Hilbert)变换信号瞬时频率计算
给定概率分布的随机变量仿真
信号的特征参数计算
数据分布点纹图
多通道信号数据压缩存储
- 点赞
- 收藏
- 关注作者
评论(0)