基于MPPT算法的光伏并网发电系统simulink建模与仿真
1.课题概述
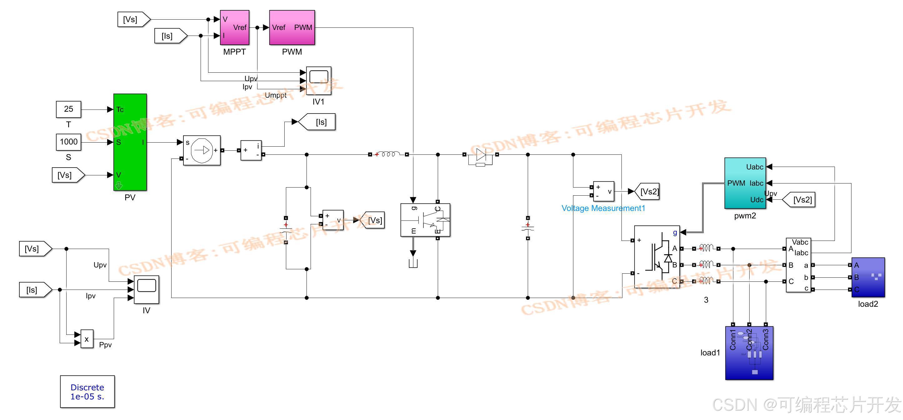
基于MPPT算法的光伏并网发电系统simulink建模与仿真,包括PV光伏发电模块,并网电路,MPPT,PWM等模块。
2.系统仿真结果


3.核心程序与模型
版本:MATLAB2022a

4.系统原理简介
光伏并网逆变器是光伏并网发电系统的关键设备之一,其主要功能是将光伏电池输出的直流电转换为符合电网要求的交流电,并实现最大功率跟踪和并网控制。
常见的光伏并网逆变器拓扑结构有电压源型逆变器(VSI)和电流源型逆变器(CSI)。其中,电压源型逆变器应用更为广泛。以三相电压源型逆变器为例,其主电路通常由六个功率开关管(如 IGBT)组成,通过控制功率开关管的导通和关断,将直流电压转换为三相交流电压。
逆变器的控制策略主要包括最大功率跟踪控制和并网电流控制。在最大功率跟踪控制方面,通常采用上述的 MPPT 算法,通过调节逆变器的输入电压或电流,使光伏电池工作在最大功率点。在并网电流控制方面,采用电流闭环控制策略,使逆变器输出的电流与电网电压同频同相,且满足电网的电能质量要求。常用的电流控制方法有滞环电流控制、空间矢量脉宽调制(SVPWM)控制等。以 SVPWM 控制为例,其基本原理是根据参考电流和实际电流的误差,通过坐标变换将三相电流转换到坐标系下,然后利用空间矢量调制技术计算出逆变器功率开关管的导通时间,从而实现对并网电流的精确控制。
光伏并网发电系统的整体控制策略需要协调 MPPT 算法和逆变器的控制,以实现高效、稳定的发电和并网运行。在系统运行过程中,首先通过传感器实时监测光伏电池的输出电压、电流和光照强度、温度等环境参数。然后,MPPT 算法根据这些参数计算出光伏电池的最大功率点,并向逆变器发送控制信号,调节逆变器的输入电压或电流,使光伏电池工作在最大功率点。同时,逆变器根据电网电压的相位和频率信息,采用合适的并网控制策略,将经过转换的交流电注入电网。在并网过程中,还需要对电网电压、电流进行监测,确保系统满足电网的接入标准,如谐波含量、功率因数等指标。
为了提高系统的可靠性和稳定性,还可以采用一些辅助控制策略,如孤岛检测与保护、过压过流保护等。孤岛检测用于防止在电网停电时,光伏并网发电系统继续向局部负载供电,形成孤岛效应,危及人员和设备安全。过压过流保护则在系统出现异常电压或电流时,及时切断电路,保护设备免受损坏。
光伏电池是基于光伏效应将光能转换为电能的器件。其基本方程为:

- 点赞
- 收藏
- 关注作者
评论(0)