基于双PI控制器和铁损补偿的PMSM控制系统simulink建模与仿真
1.课题概述
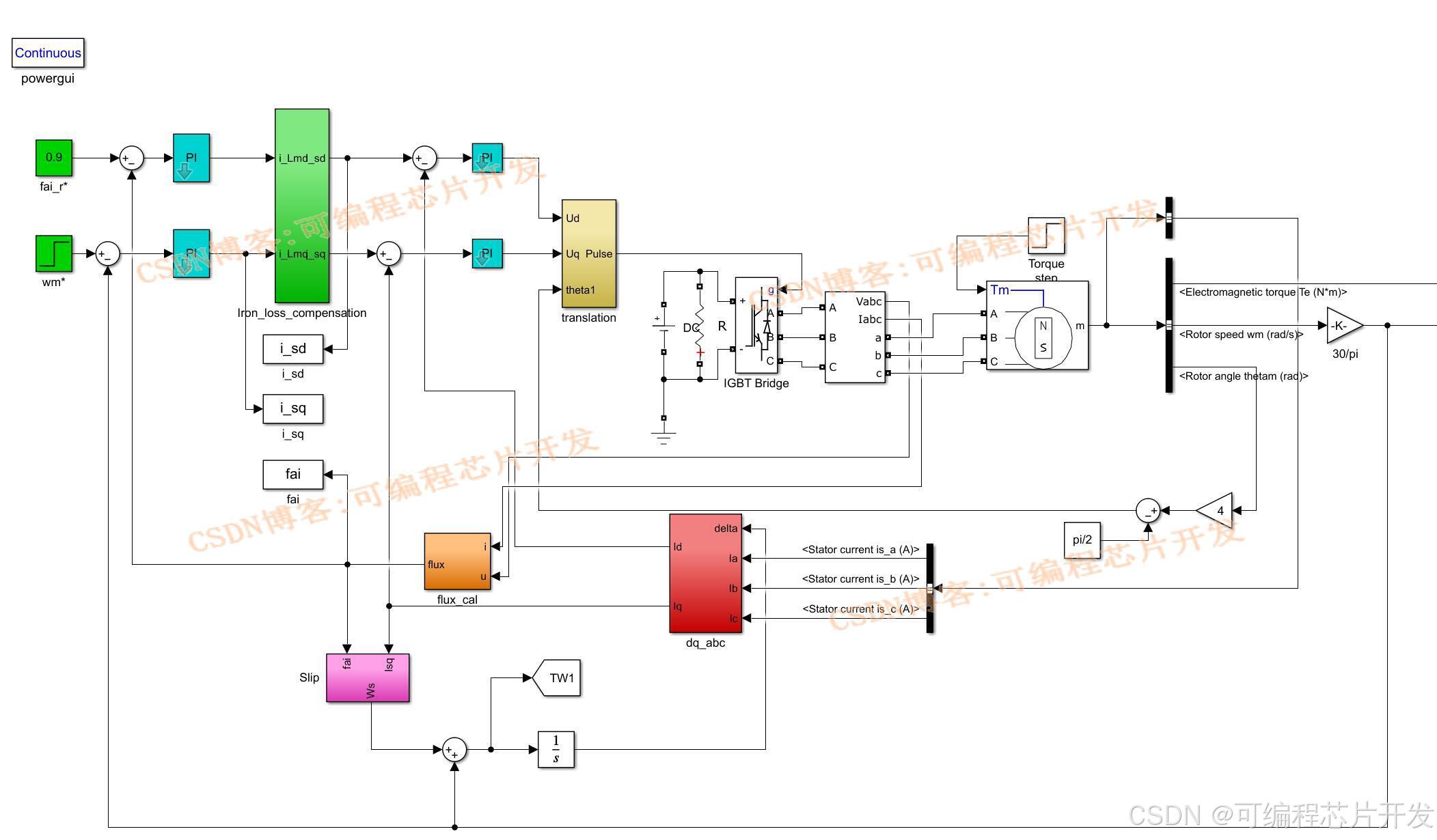
基于双PI控制器和铁损补偿的PMSM控制系统simulink建模与仿真,模型包括PI控制器,铁损补偿模块,abc2dq模块,逆变器,电机等模块。
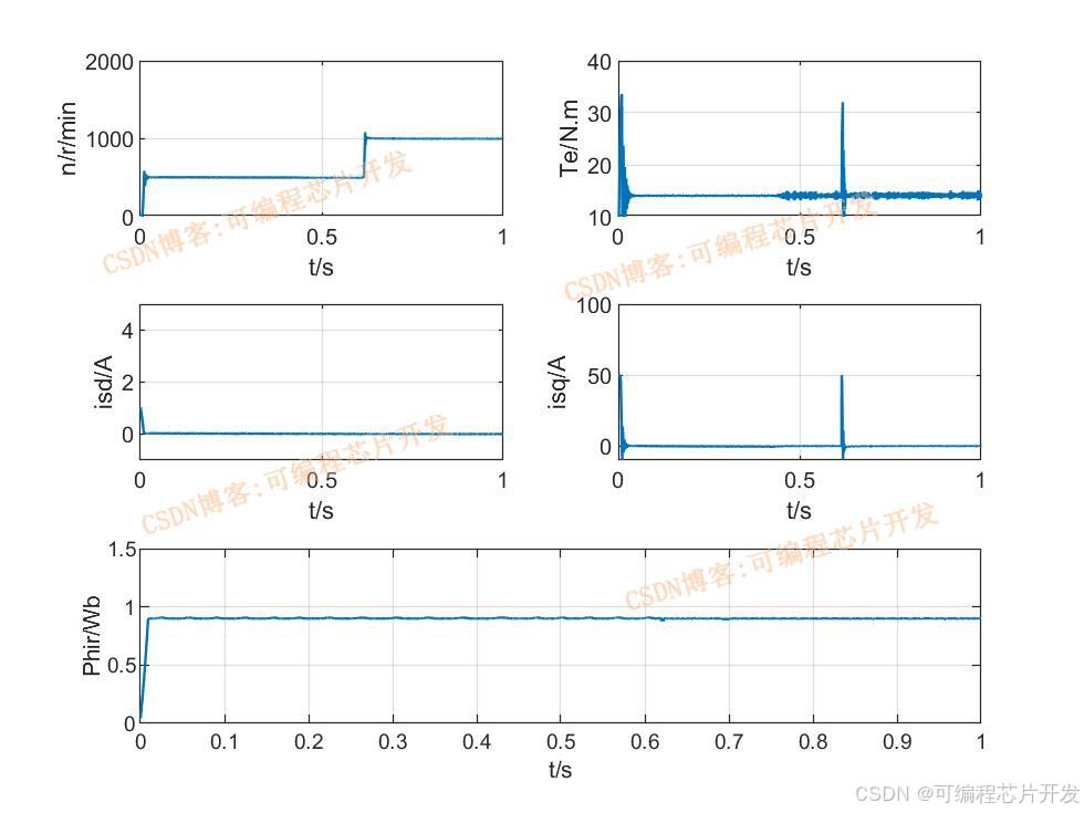
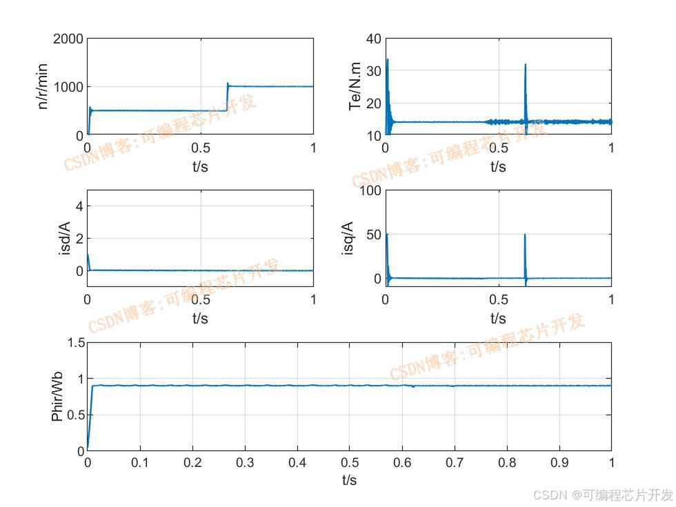
2.系统仿真结果


3.核心程序与模型
版本:MATLAB2022a

clc;
close all;
warning off;
Ts = 1;
Value_w = we.signals.values;
time1 = Ts/length(Value_w):Ts/length(Value_w):Ts;
Value_T = Te.signals.values;
time2 = Ts/length(Value_T):Ts/length(Value_T):Ts;
Value_isd = i_sd.signals.values;
time3 = Ts/length(Value_isd):Ts/length(Value_isd):Ts;
Value_isq = i_sq.signals.values;
time4 = Ts/length(Value_isq):Ts/length(Value_isq):Ts;
Value_fai = fai.signals.values;
time5 = Ts/length(Value_fai):Ts/length(Value_fai):Ts;
figure;
subplot(321);
plot(time1,Value_w,'linewidth',1);
grid on
xlabel('t/s');
ylabel('n/r/min');
axis([0,1,0,2000]);
subplot(322);
plot(time2,Value_T,'linewidth',1);
grid on
xlabel('t/s');
ylabel('Te/N.m');
axis([0,1,10,40]);
subplot(323);
plot(time3,Value_isd,'linewidth',1);
grid on
xlabel('t/s');
ylabel('isd/A');
axis([0,1,-1,5]);
subplot(324);
plot(time4,Value_isq,'linewidth',1);
grid on
xlabel('t/s');
ylabel('isq/A');
axis([0,1,-10,100]);
subplot(3,2,[5,6]);
plot(time5,Value_fai,'linewidth',1);
grid on
xlabel('t/s');
ylabel('Phir/Wb');
axis([0,1,0,1.5]);
4.系统原理简介
永磁同步电机(Permanent Magnet Synchronous Motor,PMSM)因其高功率密度、高效率和良好的调速性能等优点,在工业自动化、电动汽车、航空航天等众多领域得到了广泛应用。然而,PMSM 控制系统的设计面临诸多挑战,例如电机内部的铁损会影响电机的效率和性能,并且在不同的运行工况下需要精确的控制策略来保证电机稳定、高效地运行。
4.1 铁损模型

4.2 铁损补偿方法

4.3 PI控制器
PI 控制器能够根据电流误差进行比例和积分调节。比例调节可以快速响应电流误差,使电流快速接近给定值;积分调节则可以消除稳态误差,保证电流在稳态时能够精确跟踪给定值。通过合理调整比例系数和积分系数,可以使电流环具有良好的动态和稳态性能。
速度环的输出决定了电机的电磁转矩需求,通过调整交轴电流给定值来实现。而电流环则负责精确控制电机的实际电流,使其满足速度环的要求。这种嵌套的双环控制结构使得 PMSM 控制系统能够在不同的运行工况下稳定、高效地运行。例如,当负载转矩发生变化时,速度环首先检测到转速误差,然后调整交轴电流给定值,电流环迅速响应,改变电机的实际电流,从而使电机的转速能够快速恢复到给定值。
- 点赞
- 收藏
- 关注作者
评论(0)