电气弹簧稳压控制系统simulink建模与仿真
1.课题概述
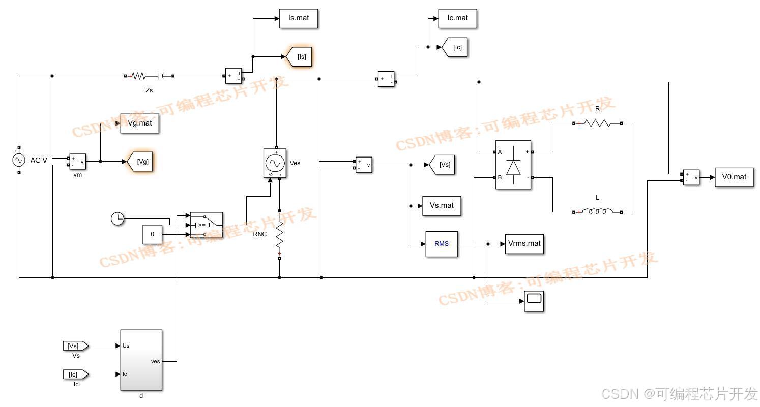
电气弹簧稳压控制系统simulink建模与仿真。电气弹簧(ES)的本质是一个逆变器,由功率变换器、直流侧电源和LC低通滤波器构成,ES和非关键负载Znc串联形成智能负载,并与关键负载Zc并联接入电网。当供电电网功率波动时,电气弹簧可以自动调整其端电压,将电压波动转移到非关键负载中,保持关键负载设备端电压稳定,进而维持电网稳定。
2.系统仿真结果
(完整程序运行后无水印)










3.核心程序与模型
版本:MATLAB2022a

4.系统原理简介
在现代电力系统中,电压稳定性是确保电力设备正常运行和电力质量的关键因素。随着分布式能源资源(如太阳能光伏、风力发电等)在配电网中的大量接入,以及电力负荷的日益复杂和多样化,电压波动与闪变等问题愈发突出。传统的电压调节设备,如变压器、电压调节器等,在应对这些新型电力系统挑战时可能存在响应速度慢、调节精度有限或灵活性不足等问题。电气弹簧(Electrical Spring,ES)作为一种新兴的电力电子装置,为解决电压稳定性问题提供了一种创新的思路和有效的手段,其稳压控制系统也因此成为电力工程领域研究的热点之一。
电气弹簧通常由一个串联的电容和一个电力电子变流器构成,其连接在非关键负荷(Non-critical Load,NCL)与电网之间。电力电子变流器可以采用多种拓扑结构,如两电平电压源型变流器(Voltage Source Converter,VSC)等,它能够实现对输出电压幅值和相位的快速灵活控制。

电气弹簧稳压控制系统主要由电压检测模块、控制器模块和变流器驱动模块等组成。电压检测模块负责实时监测电网电压和非关键负荷两端电压,并将检测到的电压信号反馈给控制器模块。控制器模块根据设定的电压参考值和反馈电压信号,通过特定的控制算法计算出控制信号,该控制信号经变流器驱动模块放大和转换后,用于驱动电力电子变流器的开关器件,从而实现对电气弹簧输出电压的精确控制,最终达到稳定非关键负荷电压的目的。

- 点赞
- 收藏
- 关注作者
评论(0)