VSG虚拟同步发电机simulink建模与仿真
1.课题概述
VSG虚拟同步发电机simulink建模与仿真,虚拟同步发电机(Virtual Synchronous Generator, VSG)技术是电力电子领域的一项重要创新,特别在可再生能源接入电网的应用中展现出巨大潜力。VSG通过先进的控制策略,使逆变器控制的电源系统(如光伏、风能系统)表现出与传统同步发电机类似的动态行为,从而提高电力系统的稳定性和兼容性。
2.系统仿真结果
(完整程序运行后无水印)



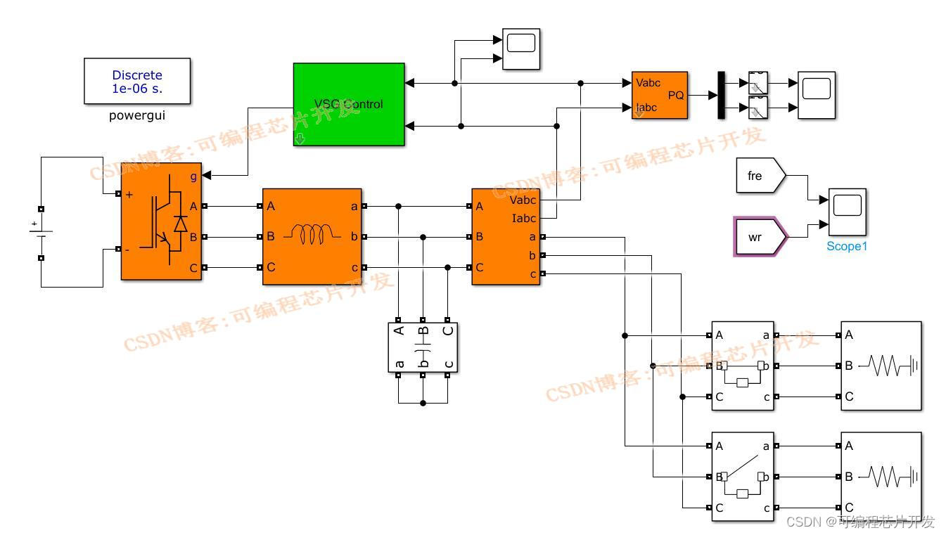
3.核心程序与模型
版本:MATLAB2022a

4.系统原理简介
虚拟同步发电机(Virtual Synchronous Generator, VSG)技术是电力电子领域的一项重要创新,特别在可再生能源接入电网的应用中展现出巨大潜力。VSG通过先进的控制策略,使逆变器控制的电源系统(如光伏、风能系统)表现出与传统同步发电机类似的动态行为,从而提高电力系统的稳定性和兼容性。
VSG的核心在于模仿同步发电机的电气特性,尤其是其惯性、阻尼特性和一次调频能力。传统同步发电机因具有较大的转动惯量而提供了系统惯性,有助于稳定电网频率。VSG通过软件算法模拟这些物理特性,使得基于逆变器的电源也能为电网提供类似的支持。
VSG的控制架构通常包含以下几个关键环节:
电流控制:保证逆变器输出电流与参考值相匹配,这是实现电能质量控制的基础。
电压控制:通过调节逆变器的输出电压,维持母线电压稳定。
频率控制:模拟同步发电机的频率调节功能,包括模拟惯性响应和一次调频。
虚拟惯量与阻尼控制:通过控制算法模拟机械转动惯量和阻尼效应,增强系统稳定性。
- 点赞
- 收藏
- 关注作者
评论(0)