基于PSO优化的PV光伏发电系统simulink建模与仿真
1.课题概述
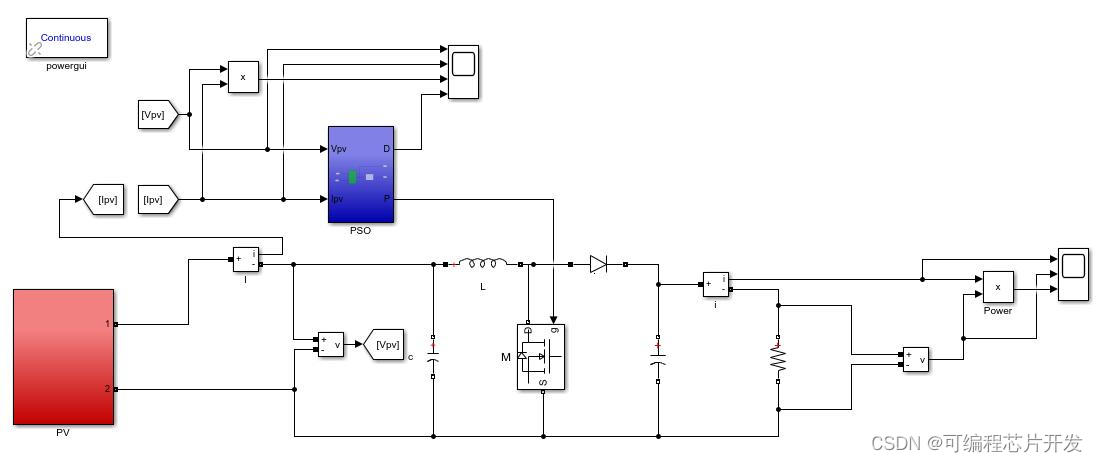
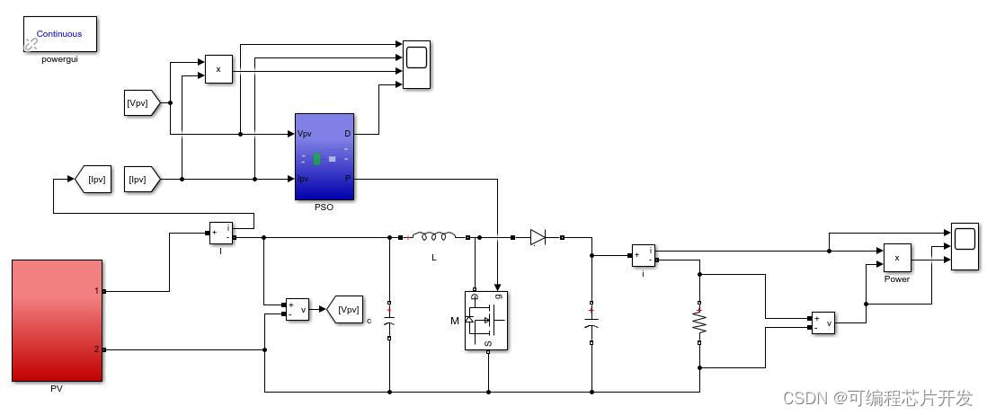
基于PSO优化的PV光伏发电系统simulink建模与仿真。其中PSO采用matlab编程实现,通过simulink的函数嵌入模块,将matlab调用进simulink中。
2.系统仿真结果


3.核心程序与模型
版本:MATLAB2022a

4.系统原理简介
在光伏(Photovoltaic,PV)发电系统中,最大功率点追踪(Maximum Power Point Tracking,MPPT)技术是确保系统高效运行的关键。粒子群优化(Particle Swarm Optimization,PSO)作为一种高效的全局优化算法,被广泛应用于解决MPPT问题,以实时追踪光伏阵列的最大功率点(MPP),即使在光照强度和温度变化的复杂环境中也能保持高效率。
PSO算法模仿鸟群的社会行为,每只“粒子”代表一个潜在的解决方案,通过在搜索空间中飞行并不断更新自己的位置,以寻找全局最优解。算法的核心在于每个粒子的位置(Xi)和速度(Vi)的迭代更新,同时受到个体最佳位置(Pi)和全局最佳位置(G)的影响。

在光伏发电系统中,将PSO应用于MPPT,首先需要定义一个适应度函数(或目标函数),该函数反映的是光伏阵列输出功率与工作点的关系。一般情况下,这个函数可以简化为光伏阵列的输出功率Pout与电压V的关系,即寻找Pout(V)=I(V)⋅V的最大值点,其中I(V)是对应于电压V的电流。

PV MPPT的PSO实现步骤
初始化:随机生成一组粒子,每个粒子代表一个电压猜测值Vi0(即初始位置),并设置初始速度Vi0。
评估适应度:计算每个粒子对应的输出功率,即适应度值。
更新个体最优:如果当前粒子的适应度值优于其历史最佳,更新个体最佳位置Pi。
更新全局最优:比较所有粒子的适应度值,选取全局最优粒子的位置作为全局最佳位置G。
速度与位置更新:根据公式更新每个粒子的速度和位置。
迭代:重复步骤2至5,直到满足预设的停止准则,如迭代次数或收敛度。
基于PSO的PV光伏发电系统MPPT控制策略,通过不断地优化粒子的位置,有效地追踪到光伏阵列的最大功率点,提高了系统的整体效率和稳定性,尤其是在复杂多变的环境条件下,展现出良好的适应性和鲁棒性。然而,实际应用中还需关注算法的实时性、精度与硬件资源的平衡,以及对环境变化的快速响应能力。
- 点赞
- 收藏
- 关注作者
评论(0)