基于飞轮和蓄电池的混合储能充放电控制系统simulink建模与仿真
1.课题概述
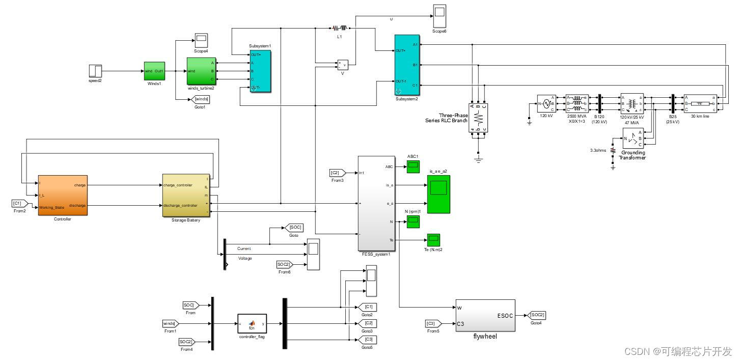
基于飞轮和蓄电池的混合储能充放电控制系统simulink建模与仿真。基于飞轮和蓄电池的混合储能充放电控制系统是一种集成飞轮储能系统(Flywheel Energy Storage System, FESS)与蓄电池储能系统的复合储能系统。该系统旨在利用飞轮与蓄电池各自的优势,如飞轮的高功率密度、快速响应与蓄电池的大容量、成本效益,以实现电力系统的高效能量管理和优化调度。
2.系统仿真结果


第一个,改进算法,充电效率更高,时间30不到就完成蓄电池充电,未改进算法,则需要30多时间。
第二个圈,改进算法,在电池从放电到充电过程中,电池SOC达到75后切换到充电模式
而改进前算法,电池持续放到到SOC70以下,才切换成功进入充电模式。
第三个圈,切换的瞬间,改进前电流过冲更大,对电池伤害更大,所以改进算法具有明显的优势。
所以通过控制器改进之后,达到了提高蓄电池寿命的目标。
第5,6个圈,是飞轮储能的对比,可以看到,加入改进算法后,飞轮储能速度更快,其底部不平稳状态的持续时间也持续更短。
(部分simulink用户,会存在仿真结果不一样的情况,但整体趋势是一样的)
3.核心程序与模型
版本:MATLAB2022a


4.系统原理简介
飞轮储能系统:飞轮储能系统通过电机/发电机将电能与机械能相互转换,实现能量的储存与释放。其基本模型可描述为:

其中,Pf,in(t) 和 Pf,out(t) 分别为飞轮在时间 t 的充电功率和放电功率,Ef(t) 为飞轮储能系统在时间 t 的储能状态,单位为焦耳(J)或千瓦时(kWh)。飞轮储能系统的储能状态与电机/发电机转速、飞轮转动惯量、飞轮最大储能容量等参数有关。
蓄电池储能系统:蓄电池储能系统通过化学反应将电能转化为化学能储存,并在需要时逆向转化回电能。其基本模型可描述为:

其中,Pb,in(t) 和 Pb,out(t) 分别为蓄电池在时间t 的充电功率和放电功率,Eb(t) 为蓄电池储能系统在时间 t 的储能状态,单位为焦耳(J)或千瓦时(kWh)。ℎηch 和 ηdis 分别为蓄电池充电效率和放电效率,tdis 为放电时间常数,与电池类型、温度、荷电状态(State of Charge, SOC)等因素有关。
- 点赞
- 收藏
- 关注作者
评论(0)