风储微网虚拟惯性控制系统simulink建模与仿真
【摘要】 1.课题概述 风储微网虚拟惯性控制系统simulink建模与仿真。风储微网虚拟惯性控制系统是一种模仿传统同步发电机惯性特性的控制策略,它通过集成风力发电系统、储能系统和其他分布式电源,以提供类似同步发电机的惯性和频率支撑服务,保障微网在大规模可再生能源接入后仍能保持稳定的频率和电压水平。 2.系统仿真结果 在加入虚拟惯性控制后,电压缓慢趋于稳定值,且随着电压调整系数...
1.课题概述
风储微网虚拟惯性控制系统simulink建模与仿真。风储微网虚拟惯性控制系统是一种模仿传统同步发电机惯性特性的控制策略,它通过集成风力发电系统、储能系统和其他分布式电源,以提供类似同步发电机的惯性和频率支撑服务,保障微网在大规模可再生能源接入后仍能保持稳定的频率和电压水平。
2.系统仿真结果

在加入虚拟惯性控制后,电压缓慢趋于稳定值,且随着电压调整系数的增大,电压更加平缓地趋于稳定。
3.核心程序与模型
版本:MATLAB2022a



4.系统原理简介
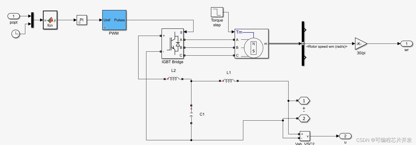
整体构架如下:

在传统的电力系统中,同步发电机的转动惯性对于系统频率稳定性至关重要。当系统发生功率扰动时,发电机的转动动能可以暂时吸收或释放能量,从而减缓系统频率的变化速度,为调频措施赢得时间。虚拟惯性控制就是通过模拟这一过程,使风储微网具备类似的惯性响应特性。


风储微网虚拟惯性控制系统能够及时、有效地模拟传统同步发电机的惯性行为,提高微网系统的频率稳定性,支持大规模可再生能源的并网运行。实际应用中,虚拟惯性控制还涉及到频率测量、通讯延时、系统动态响应等多方面问题,需要综合考虑和优化设计。
【版权声明】本文为华为云社区用户原创内容,未经允许不得转载,如需转载请自行联系原作者进行授权。如果您发现本社区中有涉嫌抄袭的内容,欢迎发送邮件进行举报,并提供相关证据,一经查实,本社区将立刻删除涉嫌侵权内容,举报邮箱:
cloudbbs@huaweicloud.com
- 点赞
- 收藏
- 关注作者
评论(0)