基于AFDPF主动频率偏移法的孤岛检测Simulink仿真
【摘要】 1.课题概述基于AFDPF主动频率偏移法的孤岛检测Simulink仿真。 2.系统仿真结果 3.核心程序与模型版本:MATLAB2022a 4.系统原理简介 在分布式发电系统中,孤岛现象是指电网发生故障时,局部区域内的分布式电源与负荷形成独立运行的微网,这种状态对电网的安全性和维护人员的生命安全构成威胁。AFDPF方法通过主动改变并网点的注入功率,进而引起系统频率的动态变化,...
1.课题概述
基于AFDPF主动频率偏移法的孤岛检测Simulink仿真。
2.系统仿真结果



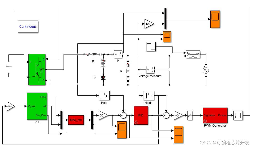
3.核心程序与模型
版本:MATLAB2022a

4.系统原理简介
在分布式发电系统中,孤岛现象是指电网发生故障时,局部区域内的分布式电源与负荷形成独立运行的微网,这种状态对电网的安全性和维护人员的生命安全构成威胁。AFDPF方法通过主动改变并网点的注入功率,进而引起系统频率的动态变化,以此来检测和避免孤岛现象。
当系统正常连接到主电网时,系统的频率由主电网控制并保持恒定。若采用AFDPF方法进行孤岛检测,逆变器会在短时间内改变其有功功率输出,导致系统总注入功率发生变化,从而引起系统频率的偏离:

逆变器发出一个短暂的有功功率脉冲后,监测系统频率的反应。如果系统能够迅速恢复到初始频率,则表明系统仍然与大电网相连;反之,若频率不能恢复或恢复缓慢,则可能存在孤岛现象。
逆变器根据预设的策略改变注入功率,例如,可以通过增加或减少一定比例的额定功率来产生频率扰动:

在实际应用中,AFDPF方法需要结合实际情况灵活设计功率注入策略和频率响应分析算法,以确保快速准确地识别出孤岛状态,同时尽可能减小对正常供电的影响。
【版权声明】本文为华为云社区用户原创内容,未经允许不得转载,如需转载请自行联系原作者进行授权。如果您发现本社区中有涉嫌抄袭的内容,欢迎发送邮件进行举报,并提供相关证据,一经查实,本社区将立刻删除涉嫌侵权内容,举报邮箱:
cloudbbs@huaweicloud.com
- 点赞
- 收藏
- 关注作者
评论(0)