基于智能电网系统的PQ并网控制器simulink建模与仿真
1.课题概述
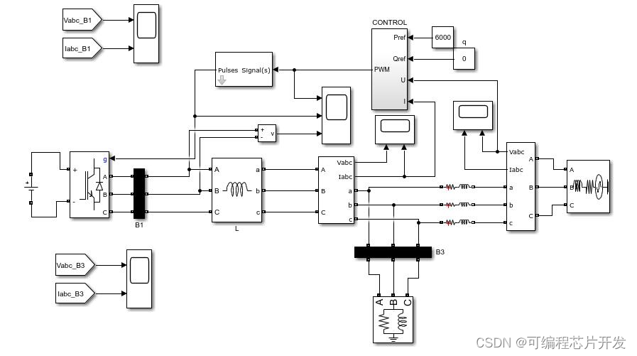
在simulink中,通过建模实现智能电网系统的PQ并网控制器,仿真输出PQ控制器的控制输出,以及智能电网的三相电压电流的收敛输出。
2.系统仿真结果



3.核心程序与模型
版本:MATLAB2022a

0005
4.系统原理简介
介绍了基于智能电网系统的PQ并网控制器的原理和数学公式。首先介绍了智能电网背景和PQ并网控制器的重要性,然后阐述了PQ控制器的基本原理和目标。接着,通过数学模型和公式推导,详细解释了PQ控制器的实现过程。最后,讨论了PQ并网控制器的性能和应用。
4.1、引言
随着能源需求的增长和可再生能源的发展,智能电网系统越来越受到关注。在智能电网中,并网控制是一个关键问题,它关系到电力系统的稳定运行和电能质量。PQ并网控制器作为一种重要的并网控制设备,在智能电网中发挥着至关重要的作用。它能够根据电力系统的实时需求,精确地控制并网点的有功功率和无功功率,确保电力系统的稳定运行。
4.2、PQ控制器的基本原理
PQ控制器的基本原理是根据电力系统的实时需求,通过调节并网点的有功功率P和无功功率Q,使得并网点满足电压和频率的稳定条件。有功功率P反映了电力系统的有功需求,而无功功率Q则与电压的稳定密切相关。因此,通过合理控制P和Q,可以实现对电力系统稳定运行的精确控制。
4.3、PQ控制器
为了具体描述PQ控制器的工作原理,我们需要建立相应的数学模型。在电力系统中,有功功率P和无功功率Q可以表示为电压V和电流I的乘积,即P=VIcosθ,Q=VIsinθ,其中θ为功率因数角。PQ控制器通过测量并网点的电压V和电流I,以及根据设定的有功功率参考值Pref和无功功率参考值Qref,计算出实际的有功功率P和实际的无功功率Q。然后,根据误差信号(即参考值与实际值的差),通过适当的控制算法,调节并网点的电压和电流,使得实际的有功功率和无功功率逼近参考值。
4.4、PQ控制器的实现过程
测量环节:
首先通过电压互感器、电流互感器等测量设备,实时测量并网点的电压V和电流I。
计算环节:
利用测量得到的电压和电流值,计算出实际的有功功率P和实际的无功功率Q。
比较环节:
将实际的有功功率和无功功率与设定的参考值进行比较,得到误差信号。
控制环节:
根据误差信号,采用适当的控制算法(如PI控制、模糊控制等),计算出调节量ΔV和ΔI。
执行环节:
通过调节并网点的电压和电流,实现有功功率和无功功率的精确控制。
PQ并网控制器具有响应速度快、控制精度高、稳定性好等优点。在智能电网系统中,它可以应用于各种并网场景,如风力发电、太阳能发电等可再生能源并网,以及传统火力发电的并网。通过PQ并网控制器的精确控制,可以确保电力系统的稳定运行,提高电能质量,降低能源损耗,实现可持续能源的高效利用。
- 点赞
- 收藏
- 关注作者
评论(0)