基于MPPT最大功率跟踪算法的光伏并网发电系统simulink仿真
1.课题概述
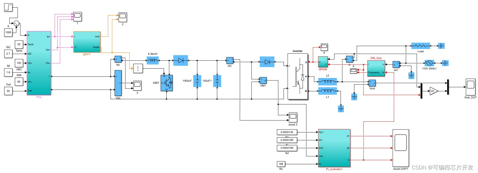
基于MPPT最大功率跟踪算法的光伏并网发电系统simulink仿真,包括PV模型建模(不使用simulink自带的PV模块,根据公式进行建模),MPPT最大功率控制器,PI控制器,锁相环,逆变器等等。输出系统的收敛曲线。
2.系统仿真结果
上面三个波形分别表示光伏并网输出的Ipv,Upv和Ppv三个输出变量。



3.核心程序与模型
版本:MATLAB2022a

这里,IGBT的主要功能为当电感电流断续的时候,IGBT的电流达到0后不会马上开通,由计时器在0.2ms时产生高电平触发IGBT再次开通,电感再次导通后产生上升沿,使定时器复位重新 开始计数。

02_007m
4.系统原理简介
光伏发电作为一种绿色、可再生的能源转换方式,在现代能源结构中占据着越来越重要的地位。为了提高光伏发电系统的效率,最大功率点跟踪(MPPT)算法被广泛应用于光伏并网发电系统中。基于MPPT最大功率跟踪算法的光伏并网发电系统,是通过调节光伏阵列的输出电压或电流,使得光伏阵列始终工作在最大功率点(MPP)附近,从而实现光伏阵列的最大功率输出。MPPT算法能够实时跟踪光伏阵列的最大功率点,确保光伏系统在不同环境条件下都能获得最高的能量转换效率。
光伏阵列的输出功率公式
P = I * V
其中,P为光伏阵列的输出功率,I为光伏阵列的输出电流,V为光伏阵列的输出电压。
光伏阵列的模型原理如下:

最大功率点跟踪(MPPT)算法的数学模型
常用的MPPT算法包括摄动观察法(P&O)、增量电导法(Incremental Conductance)等。以摄动观察法为例,其数学模型可表示为:
ΔP = P(k) - P(k-1)
ΔV = V(k) - V(k-1)
其中,ΔP和ΔV分别为相邻两个时刻的功率变化量和电压变化量。当ΔP和ΔV的符号相同时,表示光伏阵列工作在最大功率点的左侧,需要增加电压;当ΔP和ΔV的符号不同时,表示光伏阵列工作在最大功率点的右侧,需要减小电压。通过不断调整电压,使得ΔP和ΔV的符号相同,最终实现最大功率点的跟踪。
基于MPPT最大功率跟踪算法的光伏并网发电系统实现过程如下:
光伏阵列输出电压和电流经过采样电路,转换为适合处理的电压信号。
控制芯片对采样得到的电压信号进行处理,计算出当前时刻的光伏阵列输出功率。
控制芯片根据MPPT算法,判断出当前时刻光伏阵列的工作状态,并生成相应的控制信号。
控制信号经过驱动电路放大后,驱动DC/DC变换器调整光伏阵列的输出电压或电流。
调整后的光伏阵列输出电压和电流再次经过采样电路,形成一个闭环控制系统,实现最大功率点的实时跟踪。
系统的设计根据如下流程图进行:

基于MPPT最大功率跟踪算法的光伏并网发电系统具有以下优点:
提高光伏发电系统的效率:通过实时跟踪最大功率点,确保光伏阵列在不同环境条件下都能获得最高的能量转换效率。
增强系统的适应性:MPPT算法能够自适应地调整光伏阵列的输出电压或电流,使得系统能够适应不同光照和温度条件下的工作环境。
简化系统控制策略:通过闭环控制系统实现最大功率点的实时跟踪,无需复杂的控制策略和调整过程。
- 点赞
- 收藏
- 关注作者
评论(0)