自适应PID控制器的simulink建模与仿真
1.课题概述
对PID控制器参数kp,ki,kd进行参数自适应调整,实现PID控制器的最优控制,输出PID控制器,参数kp,ki,kd的收敛过程。
2.系统仿真结果
kp,ki,kd的收敛过程如下:

控制器输出如下:

参考输入和控制器反馈输出的误差如下:


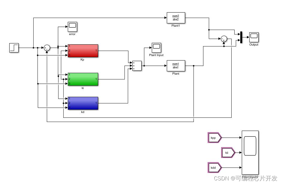
3.核心程序与模型
版本:MATLAB2022a

4.系统原理简介
自适应PID控制器是一种广泛应用于控制系统设计的先进策略。自适应PID控制器是一种基于比例-积分-微分(PID)控制策略的自适应控制方法。它通过对系统性能进行实时监测,自动调整PID控制器的参数,以实现优化控制性能。自适应PID控制器能够应对系统参数变化、外部扰动等不确定性因素,保持系统稳定并达到预设性能指标。
自适应PID控制器的数学表达式如下:
u(t) = Kp(t) * e(t) + Ki(t) ∫e(t) dt + Kd(t) * de(t)/dt
其中,u(t)是控制器输出,e(t)是误差信号,Kp(t)、Ki(t)和Kd(t)分别是比例、积分和微分系数。这三个系数决定了控制器的性能和稳定性。
在自适应PID控制器中,Kp(t)、Ki(t)和Kd(t)是根据系统性能实时调整的。调整策略可以基于各种优化算法,如梯度下降法、遗传算法、粒子群算法等。通过在线辨识系统参数和性能指标,自适应PID控制器能够自动调整PID参数,实现控制器性能的优化。
自适应PID控制器的核心是自适应性原理。它根据控制系统性能指标的实时反馈,动态地调整PID控制器的参数。这种自适应性使得控制器能够应对各种不确定性因素,如系统参数变化、外部扰动等,保持系统稳定和优良性能。
参数调整策略是自适应PID控制器的关键。根据控制系统的特性和需求,可以选择不同的优化算法来调整PID参数。例如,梯度下降法通过计算误差梯度来更新参数,遗传算法通过模拟自然进化过程来搜索最优参数,粒子群算法通过模拟鸟群觅食行为来寻找最优解。这些算法在自适应PID控制器中发挥着重要作用,使得控制器能够根据系统变化实时调整参数,实现最优控制。
- 点赞
- 收藏
- 关注作者
评论(0)