基于IEEE13电网系统HIF模型的simulink建模与仿真
1.课题概述
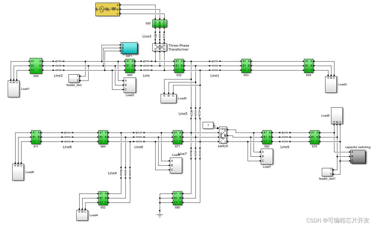
基于IEEE13电网系统HIF模型的simulink建模与仿真。这里,以IEEE13作为测试网络进行仿真。HIF模型,采用如下的结构实现:

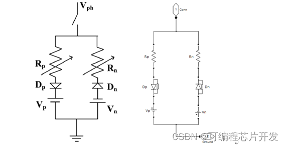
这个,我们单独设计一个HIF模型。根据美国的民用电标准是110V/60Hz,所以这里,我们设置110V和60Hz。具体的参数:

2.系统仿真结果

3.核心程序与模型
版本:MATLAB2022a

02_029m
4.系统原理简介
IEEE 13电网系统是一个广泛应用于电力系统研究和教育的标准测试系统。它包含了一个平衡的配电网络,用于模拟实际的电力分配情况。在电力系统中,谐波是一个重要的考虑问题,因为它可能对电力系统的稳定性和效率产生负面影响。为了研究和模拟谐波在电力系统中的行为,研究人员经常使用谐波注入模型(HIF)。
4.1 IEEE 13电网系统概述
IEEE 13电网系统是一个包含多个节点和支路的复杂网络。它通常包括变压器、线路、负载和分布式电源等元件。这个系统被设计为在稳态和动态条件下都能提供可靠的电力供应。在IEEE 13电网系统中,每个节点都有一个指定的电压等级,并且系统的拓扑结构和参数都是已知的。
4.2 谐波注入模型(HIF)原理
谐波注入模型是一种用于模拟电力系统中谐波行为的数学模型。它的基本原理是在系统的特定节点注入谐波电流或电压,然后观察和分析这些谐波如何在系统中传播和影响其他节点。在HIF情况下,故障电流相较于正常短路情况要小得多。对于单相接地HIF,其数学模型可以表示为:
I_fault = (V_phase - V_ground) / Z_fault
其中:
I_fault 是故障电流。
V_phase 是故障线路的相电压。
V_ground 是大地电位。
Z_fault 是故障点的阻抗,对于高阻抗故障,Z_fault值较大。
由于HIF的特点,传统的过电流保护、零序电流保护等可能失效,因此需要采用更先进的检测方法,如利用暂态信号分析、谐波分析、负序分量分析等技术来检测这类故障。考虑故障后的网络频率响应,可以提取故障信号的频域特征进行HIF检测。设系统的频率响应函数为G(f),则故障信号S(f)经过系统后的输出X(f)可通过卷积计算得出:
X(f) = S(f) * G(f)
通过分析X(f)在特定频段内的能量变化或者特定频率成分的幅值变化,可以有效识别出HIF事件。在实际应用中,HIF检测还需要结合详细的电网结构参数、运行数据以及故障类型的具体特点,设计并优化相应的检测算法和保护策略,以提高对各类复杂HIF情况的识别率和处理速度。
- 点赞
- 收藏
- 关注作者
评论(0)