开关电源DC-DC电源应用设计原理
DC-DC指直流转直流电源(Direct Current)。是一种在直流电路中将一个电压值的电能变为另一个电压值的电能的装置。如,通过一个转换器能将一个直流电压(5.0V)转换成其他的直流电压(1.5V或12.0V),我们称这个转换器为DC-DC转换器,或称之为开关电源或开关调整器。
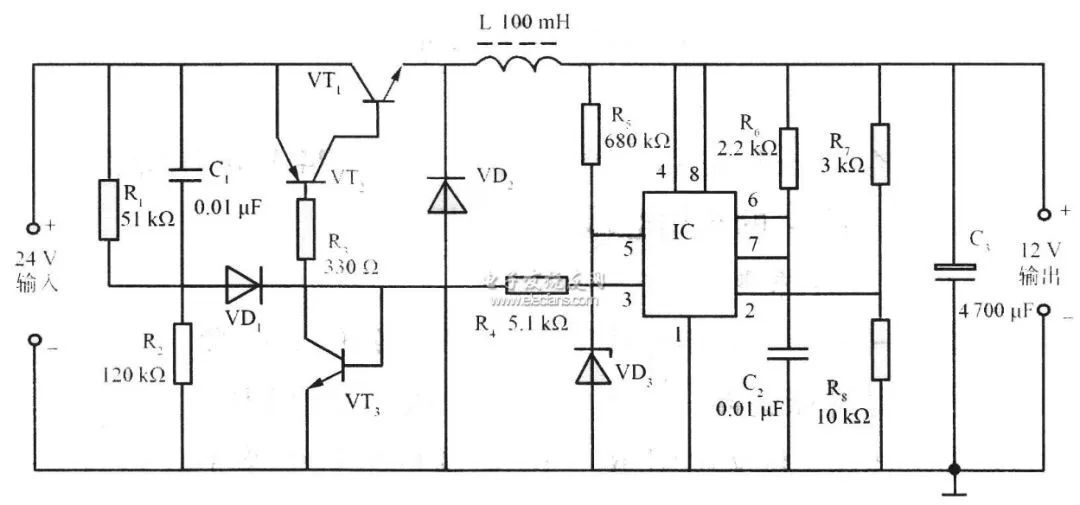
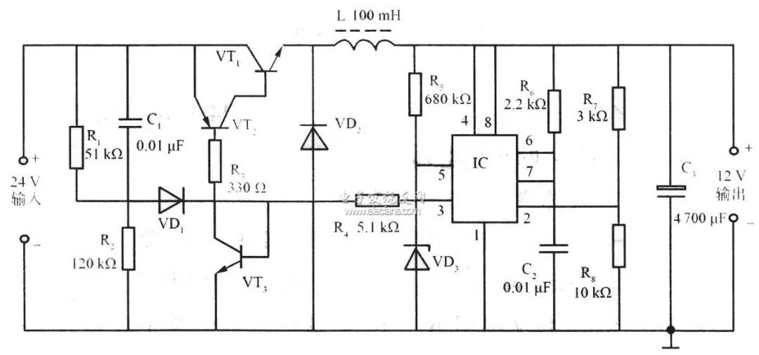
DC-DC转换器一般由控制芯片,电感线圈,二极管,三极管,电容器构成。在讨论DC-DC转换器的性能时,如果单针对控制芯片,是不能判断其优劣的。其外围电路的元器件特性,和基板的布线方式等,能改变电源电路的性能,因此,应进行综合判断。
DC-DC转换器的使用有利于简化电源电路设计,缩短研制周期,实现最佳指标等,被广泛用于电力电子、军工、科研、工控设备、通讯设备、仪器仪表、交换设备、接入设备、移动通讯、路由器等通信领域和工业控制、汽车电子、航空航天等领域。具有可靠性高、系统升级容易等特点,电源模块的应用越来越广泛。此外,DC-DC转换器还广泛应用于手机、MP3、数码相机、便携式媒体播放器等产品中。在电路类型分类上属于斩波电路。
在电子设备中,电源模块是核心组件,将输入直流电压转为设备所需的各种直流电压。DC-DC电源转换器,特别是基于开关方式的转换器,因其高效、小体积和轻重量等优点被广泛应用。但设计优秀的DC-DC电源转换器并不容易。布局、电磁兼容性、电流和散热管理等方面均需深思熟虑和精细调整。
为优化供电性能,开关电源应靠近芯片放置,避免输出线过长导致压降。为降低电磁干扰,避免在开关电源周围布置敏感元器件。为增强稳定性和可靠性,需考虑布线策略、地线加粗、散热地设计等因素。
一、DC-DC电源应用介绍DC-DC应用类型简介
DC-DC电源是直流电压转换的核心设备,包括LDO等类型。其中,利用开关方式实现的器件常被称为DC-DC转换器。这类电源具有功耗小、效率高、体积小、重量轻、可靠性高等优点,并能抗干扰、宽范围输出,因此在电子领域被广泛应用。

二、DC-DC电源工作原理
DC-DC电源的工作原理涉及到电压的转换和调节。这个过程主要是通过开关电源的变换器来实现的。DC-DC变换器在开关电源中负责将输入的直流电压转换为所需的输出直流电压。一般情况下,这个变换器的工作原理可以分为三个主要步骤:
1)滤波:当市电经过输入开关接通后,首先经过整流电路变成脉动直流电,再经过滤波电路滤除纹波,变成平滑直流电,供给变换器进行变换。
2)变换:DC-DC变换器将输入电压通过功率开关管和储能电感产生一定的脉冲功率,然后利用脉冲变压器、整流滤波电路,得到相应的输出电压。电压的转换通过PWM(脉宽调制)或PFM(频率调制)控制开关管的开关时序来实现。在开关电源中,开关管的开关速度非常快,一般在几十微秒的时间内完成开关动作,这个速度要比传统线性电源的调整速度快很多。
3)调节:输出电压的稳定是通过反馈环路来实现的。当输出电压升高时,通过取样电阻取得的样本信号就会升高,这个信号与基准电压比较后得出的误差信号就会增大,然后通过PWM或PFM控制的方式减小开关管的导通时间,从而降低变换器输出的平均功率,实现输出电压的稳定。

三、关键器件的选择
1、输出电感
电感储存磁能,确保电流稳定输出。选择电感时需权衡大小,大电感损耗小但响应慢,小电感快速响应但损耗大。考虑饱和电流,保证滤波效果。
2、分压电阻
分压电阻形成分压网络,反馈输出电压给控制电路,精准控制PWM占空比,稳定输出电压值。选择高精度电阻,确保电路精确性。
3、输入电容
选择输入电容需考虑等效电感和自谐振频率。大容值电容滤除低频噪声,小容值电容滤除高频噪声。组合并联使用可实现优异滤波效果,稳定输入电压并滤除交流成分。
4、输出电容
输出电容滤除开关纹波,确保输出电流纯净。容值越大,阻抗越小,纹波更容易流过。选择合适的输出电容对电路稳定工作至关重要。

在挑选这些核心组件时,我们需要综合考虑各种因素以求达到最佳平衡。比如电感的选取就在效率和响应速度之间寻找平衡;而分压电阻则需要精确稳定地反馈电压;输入输出电容则需要根据不同的工作频率噪声特性来进行挑选;最后的输出电容更是要综合考虑容值和ESR以最小化纹波。通过精心的挑选,我们可以使电路在高效、稳定的状态下工作,从而将电路的性能发挥到极致。
四、DC-DC电源布局布线建议
电源模块布局布线可提前下载芯片的datasheet(数据表),按照推荐的布局和布线进行设计。
1、布局设计
1)芯片电源接近原则:对于为芯片提供电压的开关电源,应确保它尽量靠近芯片放置。这样可以避免低电压输出线过长,从而减少压降,确保供电性能不受影响。
2)避免电磁干扰:开关电源在高电压大电流的状态下工作,可能会引发复杂的电磁兼容性问题。因此,开关电源周围应避免布置敏感元器件,以减少电磁干扰对元器件工作的影响。
3)以电源芯片为核心布局:在布局时,应以开关电源芯片为核心元器件进行组织。电源滤波器的输入及输出端在布局时要确保足够的距离,防止噪声从输入端耦合到输出端。元器件应整齐、紧凑地排列在PCB上,以减少和缩短各元器件间的引线和连接。

2、布线设计
1)避免平行导线:输入、输出端用的导线应尽量避免相邻平行,以减少不必要的电磁干扰。
2)加粗地线:加粗输入和输出之间的地线,能够确保电流稳定,并减少反馈耦合。
3)强电流引线处理:强电流引线,如公共地线、电源输入/输出线等,应尽可能加粗。这样可以降低布线电阻及电压降,进而减小寄生耦合而产生的自激。

3、散热考虑
1)散热地面积:由于开关电源的散热量比较大,散热地(铜)的面积应尽量加大,以确保热量的有效散发。
2)大面积铺铜与打孔:输入、输出端应尽量大面积铺铜并多打过孔,这样不仅可以满足电流的要求,还有助于提高散热效果。

DC-DC电源转换器在电子设备世界中扮演着至关重要的角色,其设计涉及到众多精细且关键的环节。从理解其工作原理,到精心挑选核心组件,再到布局布线的优化设计,每一个环节都需要我们深入思考和精细操作。这不仅需要我们拥有扎实的专业知识,更需要我们具备创新思维和解决问题的能力。希望本文能对大家在设计DC-DC电源转换器时提供一些有用的参考和帮助。
- 点赞
- 收藏
- 关注作者
评论(0)