DS1302实时时钟芯片完整使用介绍(配合51单片机)
DS1302是一款由美国DALLAS Semiconductor公司(现已被Maxim Integrated公司收购)设计的高性能、低功耗的实时时钟集成电路。这款芯片因其简单易用的接口和丰富的功能,在嵌入式系统、消费电子、工业控制等多个领域得到广泛应用。
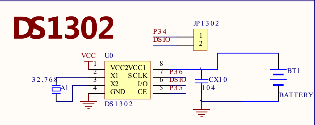
原理图

寄存器


寄存器的最低位是读写控制位,0 是写,1是读。
寄存器里的数据是BCD* 码格式,得到十进制可以进行分离:data>>4*分离出十位,data&0x0F得到个位。
秒寄存器说明:
秒寄存器的位7定义为时钟暂停位。当此位设置为逻辑1时, 时钟振荡器停止,DS1302被置入低功率的备份方式, 其电源消耗小于 100 纳安(nanoamp)。 当把此位写成逻辑 0 时, 时钟将启动。
控制寄存器说明:
写保护寄存器的位7是写保护位。 开始 7 位(位 0-6) 置为零, 在读操作时总是读出零。 在对时钟或RAM 进行写操作之前, 位 7 必须为零。 当它为高电平时, 写保护位禁止对任何其它寄存器进行写操作。
小时寄存器说明:
小时寄存器的位 7 定义为 12 或 24 小时方式选择位。 当它为高电平时, 选择 12 小时方式, 在 12 小时方式下, 位 5 是 AM/PM 位, 此位为逻辑高电平表示 PM。在 24 小时方式下, 位 5 是第 2 个 10 小时位(20-23时)。
上面寄存器地址,转换成16
进制的地址如下:
控制寄存器(写保护): (写)0x8E
年寄存器地址: (写)0x8c (读)0x8c|0x01
月寄存器地址: (写)0x88 (读)0x88|0x01
日寄存器地址: (写)0x86 (读)0x86|0x01
时寄存器地址: (写)0x84 (读)0x84|0x01
分寄存器地址: (写)0x82 (读)0x82|0x01
秒寄存器地址: (写)0x80 (读)0x80|0x01
星期寄存器地址:(写)0x8a (读)0x8a|0x01
时序图
(1). 读数据时序

上面的时序图是从DS1302寄存器读取数据的时序图,读取数据之前,需要先设置读取数据的寄存器地址,再接收DS1302返回的数据。
从时序图里得知,开始传输数据之前,RST保持低电平,时钟线保持低电平,开始传输数据时,RST保持高电平。数据是先从低位开始传输,在上升沿改变数据,在下降沿保持数据稳定,数据传输完毕之后RST保持低电平。
/*
函数功能: 从DS1302指定寄存器里读取一个字节数据
*/
u8 DS1302_ReadByte(u8 addr)
{
u8 n=0,dat=0;
DS1302_RST=1; //然后将DS1302_RST(CE)置高电平。
/*1. 设置读取的地址*/
for(n=0;n<8;n++)
{
DS1302_IO=addr&0x01;//数据从低位开始传送
addr>>=1;
DS1302_SCLK=1;//数据在上升沿时,DS1302读取数据
DS1302_SCLK=0;//DS1302下降沿时,放置数据
}
/*2. 读取数据*/
for(n=0;n<8;n++)
{
dat>>=1;
if(DS1302_IO)dat|=0x80;
DS1302_SCLK=1;
DS1302_SCLK=0;//DS1302下降沿时,放置数据
}
DS1302_RST=0;
//必须的操作,复位时间
DS1302_IO=0;
DS1302_IO=1;
return dat;
}
(2). 写数据时序

上面的时序图是向DS1302寄存器写入数据的时序图,写入数据之前,需要先设置写入数据的寄存器地址,再写入实际的数据。
从时序图里得知,开始传输数据之前,RST保持低电平,时钟线保持低电平,开始传输数据时,RST保持高电平。数据是先从低位开始传输,在上升沿改变数据,在下降沿保持数据稳定,数据传输完毕之后RST保持低电平。
/*
函数功能: 向DS1302指定寄存器里写一个字节数据
*/
void DS1302_WriteByte(u8 addr,u8 dat)
{
u8 n;
DS1302_RST=1; //然后将DS1302_RST(CE)置高电平。
/*1. 设置写入的地址*/
for(n=0;n<8;n++)
{
DS1302_IO=addr&0x01;//数据从低位开始传送
addr>>=1;
DS1302_SCLK=1;//数据在上升沿时,DS1302读取数据
DS1302_SCLK=0;
}
/*2. 写入数据*/
for(n=0;n<8;n++)
{
DS1302_IO=dat&0x01;
dat>>=1;
DS1302_SCLK=1;//数据在上升沿时,DS1302读取数据
DS1302_SCLK=0;
}
DS1302_RST=0;//传送数据结束
}
以下是DS1302的主要特性和工作原理的详细介绍:
主要特性
- 时间与日期功能:DS1302能够提供精确的时钟/日历功能,包括年、月、日、周、时、分、秒的计时,并具有闰年补偿功能,有效至2100年。
- 低功耗设计:适合电池供电的系统,工作电压范围宽泛,为2.5V至5.5V,且在待机模式下功耗极低。
- 三线串行接口:通过简单的三线接口(SCLK、I/O、RST)与微控制器通信,支持同步串行数据传输,可进行读取和写入操作。
- 内置RAM:包含31字节的静态随机存取存储器(SRAM),可用于存储与时间无关的用户数据。
- 涓流充电能力:具有为备用电源(如电池)提供涓流充电的能力,并且涓流充电功能可以根据需求开启或关闭。
- 自动调整功能:能够自动处理不同月份的天数差异,包括闰年的2月29日调整。
- 时钟模式选择:支持12小时和24小时两种时间显示模式,具备AM/PM指示。
- 工作温度范围:一般适用于-40°C至+85°C的工作温度范围,适合多种环境应用。
工作原理
- 初始化与通信:在与DS1302进行通信前,需要通过复位引脚(RST)发送一个高电平脉冲以初始化时钟芯片,之后通过串行时钟线(SCLK)和双向数据线(I/O)进行数据的读写操作。数据传输采用先写地址后读写数据的方式。
- 读取时间数据:微控制器通过发送适当的命令序列,可以读取DS1302内部的时钟数据和RAM数据。时间数据以BCD码(二进制编码的十进制数)形式存储。
- 设置时间与日期:同样,通过特定的命令序列,可以向DS1302写入新的时间或日期数据,以调整时钟。
- 电源管理:DS1302设计有主电源(Vcc)和备用电源(Vbat)引脚,当主电源掉电时,芯片会自动切换到备用电源,保证时钟继续运行。
BCD码转十进制
BCD码是用4位二进制数来表示1位十进制数中的0~9这10个数码,是一种二进制的数字编码形式,用二进制编码的十进制代码。BCD码这种编码形式利用了四个位元来储存一个十进制的数码,使二进制和十进制之间的转换变得方便。
示例代码:
/*函数功能: 将十进制数据转为BCD码*/
u8 DEC_TO_BCD(u8 val)
{
return ((val/10)<<4)+val%10;
}
/*函数功能: 将BCD码数据转为十进制格式*/
u8 BCD_TO_DEC(u8 val)
{
return (val&0x0f)+(val>>4)*10;
}
DS1302示例代码
下面代码里实现DS1302的寄存器读写,时间的设置与读取,在主函数里判断了之前DS1302是否正常工作,如果DS1302处于停止计时状态,就重新设置时间,在循环代码里,每1秒钟,向串口打印读取的时间。
(硬件平台说明:CPU 是STC90C516RD 、晶振频率12MHZ、工作在12T模式下、一个机器周期为1us时间)
示例代码:
#include <reg51.h>
//定义ds1302使用的IO口
sbit DS1302_IO=P3^4;
sbit DS1302_RST=P3^5;
sbit DS1302_SCLK=P3^6;
u8 DS1302_TIME[7]; //存放读取的时间
/*
函数功能: 将十进制数据转为BCD码
*/
u8 DEC_TO_BCD(u8 val)
{
return ((val/10)<<4)+val%10;
}
/*
函数功能: 将BCD码数据转为十进制格式
*/
u8 BCD_TO_DEC(u8 val)
{
return (val&0x0f)+(val>>4)*10;
}
void DS1302_Init(void)
{
DS1302_RST=0;
DS1302_SCLK=0;//先将DS1302_SCLK置低电平。
}
/*
函数功能: 向DS1302指定寄存器里写一个字节数据
*/
void DS1302_WriteByte(u8 addr,u8 dat)
{
u8 n;
DS1302_RST=1; //然后将DS1302_RST(CE)置高电平。
/*1. 设置写入的地址*/
for(n=0;n<8;n++)
{
DS1302_IO=addr&0x01;//数据从低位开始传送
addr>>=1;
DS1302_SCLK=1;//数据在上升沿时,DS1302读取数据
DS1302_SCLK=0;
}
/*2. 写入数据*/
for(n=0;n<8;n++)
{
DS1302_IO=dat&0x01;
dat>>=1;
DS1302_SCLK=1;//数据在上升沿时,DS1302读取数据
DS1302_SCLK=0;
}
DS1302_RST=0;//传送数据结束
}
/*
函数功能: 从DS1302指定寄存器里读取一个字节数据
*/
u8 DS1302_ReadByte(u8 addr)
{
u8 n=0,dat=0;
DS1302_RST=1; //然后将DS1302_RST(CE)置高电平。
/*1. 设置读取的地址*/
for(n=0;n<8;n++)
{
DS1302_IO=addr&0x01;//数据从低位开始传送
addr>>=1;
DS1302_SCLK=1;//数据在上升沿时,DS1302读取数据
DS1302_SCLK=0;//DS1302下降沿时,放置数据
}
/*2. 读取数据*/
for(n=0;n<8;n++)
{
dat>>=1;
if(DS1302_IO)dat|=0x80;
DS1302_SCLK=1;
DS1302_SCLK=0;//DS1302下降沿时,放置数据
}
DS1302_RST=0;
//必须的操作,复位时间
DS1302_IO=0;
DS1302_IO=1;
return dat;
}
/*
函数功能: 设置DS1302芯片的时间
DS1302的时间基准是从2000年开始的,设置年份时要减去2000再传入设置
例如:DS1302_WriteTime(20,1,18,14,46,20,6);
*/
void DS1302_WriteTime(u8 year,u8 mon,u8 mday,u8 hour,u8 min,u8 sec,u8 week)
{
DS1302_WriteByte(0x8E,0x00); //禁止写保护,就是关闭写保护功能
DS1302_WriteByte(0x8c,DEC_TO_BCD(year)); //设置年
DS1302_WriteByte(0x88,DEC_TO_BCD(mon)); //设置月
DS1302_WriteByte(0x86,DEC_TO_BCD(mday)); //设置日
DS1302_WriteByte(0x84,DEC_TO_BCD(hour)); //设置时
DS1302_WriteByte(0x82,DEC_TO_BCD(min)); //设置分
DS1302_WriteByte(0x80,DEC_TO_BCD(sec)); //设置秒
DS1302_WriteByte(0x8a,DEC_TO_BCD(week)); //设置星期
DS1302_WriteByte(0x8E,0x80); //打开写保护功能
}
/*
函数功能: 读取DS1302时钟的时间
DS1302寄存器的最低位是读写位,0是写,1是读
*/
void DS1302_ReadTime(void)
{
DS1302_TIME[0]=BCD_TO_DEC(DS1302_ReadByte(0x8c|0x01));//读取年
DS1302_TIME[1]=BCD_TO_DEC(DS1302_ReadByte(0x88|0x01));//读取月
DS1302_TIME[2]=BCD_TO_DEC(DS1302_ReadByte(0x86|0x01));//读取日
DS1302_TIME[3]=BCD_TO_DEC(DS1302_ReadByte(0x84|0x01));//读取时
DS1302_TIME[4]=BCD_TO_DEC(DS1302_ReadByte(0x82|0x01));//读取分
DS1302_TIME[5]=BCD_TO_DEC(DS1302_ReadByte(0x80|0x01));//读取秒
DS1302_TIME[6]=BCD_TO_DEC(DS1302_ReadByte(0x8a|0x01));//读取星期
}
int main()
{
u8 stat;
UART_Init(); //初始化串口波特率为4800
DS1302_Init();
stat=DS1302_ReadByte(0x80|0x01);//读取秒
if(stat&0x80)
{
DS1302_WriteTime(2020-2000,1,18,16,33,33,6);
}
else
{
printf("DS1302 OK\r\n");
}
while(1)
{
DS1302_ReadTime();
printf("DS1302:%d-%d-%d %d:%d:%d %d\r\n",
(int)DS1302_TIME[0]+2000,
(int)DS1302_TIME[1],
(int)DS1302_TIME[2],
(int)DS1302_TIME[3],
(int)DS1302_TIME[4],
(int)DS1302_TIME[5],
(int)DS1302_TIME[6]
);
DelayMs(1000);
}
}
- 点赞
- 收藏
- 关注作者
评论(0)