基于51单片机的自动售货机系统
一、项目概述
本文设计了一款以AT89C51单片机为核心的自动售货机系统,并且着重详细地介绍了自动售货机的整体系统设计方案、硬件选择基础、软件使用方法及技巧。
以AT89C51作为CPU处理单元连接各个功能模块;以4×4矩阵键盘作为输入控制模块对货物进行种类和数量的选择以及模拟货币的投入功能;以LCD1602液晶作为显示模块来显示当前的购物状态以及货币状态;以LED的显示来表示当前选择货物以及出货的状态。

二、项目原理
在初始化的界面等待顾客按键选择货物的种类和数量顾客投入货币,按下确定购买键后等待售货机自动计算所购商品的总价,然后提示顾客投入货币。
所投的货币经过外部硬件检测传感器检测真假后累加计数。若顾客确认购买系统则跳转到下一步骤,反之取消购买即退出货币返回到主界面,等待顾客下一步操作。
自动售货机通过货币的总价与和所购商品的总价的差值来进行出货找零。

自动售货机的控制子系统由以下几个部分组成,分别是预设自动售货系统、金额累加和找零系统、售完检测系统、售出累计及反馈功能系统。
三、功能概述
系统通过矩阵键盘来选择货物的种类与数量过后自动售货机提示投币。自动售货机的货币识别器对所投货币进行识别,根据金额大小然后将商品选择权通过LCD液晶显示给客户,客户按键选择后,CPU控制芯片发出指令将所选择商品从储备料道中送达取物口。
货物种类一共设有8种,这8种商品通过选择按键进行选择确认,通过数量选择按键确定购买数量,价格规定为1-8元不等;货币识别器能够识别1元硬币、1元纸币、5元纸币、10元纸币、20元纸币50元纸币以及100元纸币。
在规定的时间内,投了几次货币后,货币能够实现自动累加功能,这样设计会把投入的所有货币总额数目数据传递到中央控制元器件进行处理;设计获取,关注公众号:交院小智。
在超过规定时间后投币口自动关闭,数据处理单元按照投币总数和购买的数量和价格乘积来进行加减运算,实现购买和找币功能。当投入的货币总值小于商品总金额时,则不能进行购货,投入的钱将全部退还。
本设计中有一共有16个按键选择,其中有两个是货物选择键,有两个是数量选择键,此外还有6个货币投入键1个确认键和1个取消键。
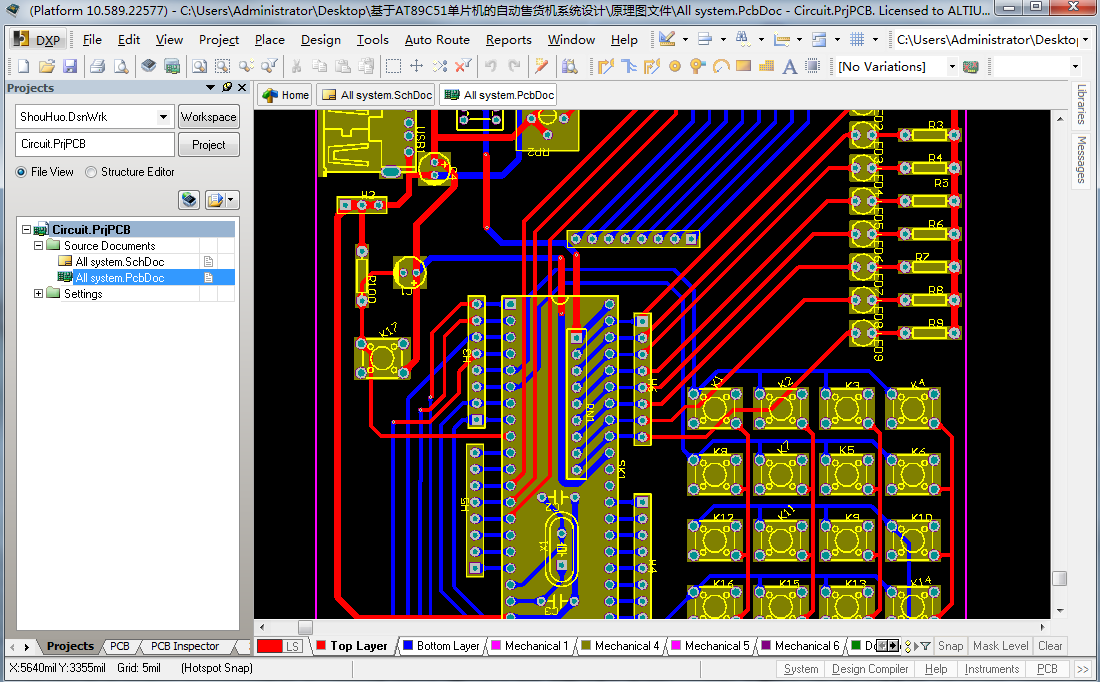
四、仿真电路

原理图及PCB


仿真结果分析
(1)加载Sale.hex文件到AT89C51单片机,点击运行,自动售货机系统进入初始化等待状态,LCD显示“Welcome Sale”,同时等待按键输入。

(2)通过按键“价格+”和“价格-”来选择货物的种类,然后通过“数量+”和“数量-”来选择所购买货物的数量,同时代表被选择货物的LED指示灯亮。


(3)当选择好货物后,按下“确认OK”键进入到投币系统,此时机器会自动计算出所购货物总金额。

(4)当机器计算出总价等待顾客投入货币并按下“确认OK”键后,当投入货币货币值大于或等于总价时就出货并找零。设计获取,蒋宇智QQ(2327603104)。
若投入货币货币值小于总价则不能出货只能按下“取消NO”退出所投货币或继续增加投币。


(5)当完成以上步骤后则完成一次自动购物过程,机器自动复位回到初始化界面,同时在操作过程中的任一环节,都可通过按下“取消NO”键,是售货机系统复位到初始状态。
五、程序设计
#include<reg51.h>
#define WAIT_SALE 0
#define NO_WATER 1
#define INPUT_MONEY 2
#define SALING 3
#define CHANGE 4
#define CANCLE 5
#define NO_DATA 0
#define water_change(x, y) ((x) & (~(0x01 << y)))
#define uint unsigned int
#define uchar unsigned char
unsigned char water_total[] = {10, 10, 10, 10, 10, 10, 10, 10};
unsigned char water_price[] = {1, 2, 3, 4, 5, 6, 7, 8};
uchar code wait_sale[]=" Welcome Sale "; //定义所显示的内容
uchar code no_water[] = "No Water!";
uchar code price[] = "Price:";
uchar code number[] = "Num:";
uchar code sum[] = "SUM:";
uchar code input[] = "INPUT:";
uchar code change[] = "Change:";
uchar code put_water[] = "Get Water...";
uchar code cancle[] = "Cancle...";
unsigned char e=0x00;
sbit P2_0=P2^0; //定义接端口
sbit P2_1=P2^1;
sbit P2_2=P2^2;
sbit P2_3=P2^3;
sbit lcd_en=P3^4;
sbit rs=P3^2;
sbit rw = P3^3;
void lcd_1602_delay(uint z) //延时
{
uint x,y;
for(x=z;x>0;x--)
for(y=110;y>0;y--);
}
- 点赞
- 收藏
- 关注作者
评论(0)