速锐得解码奔驰基于底层CAN总线数据随动转向大灯照明系统

奔驰汽车是汽车中的豪华品牌,解码奔驰CAN总线数据应用随动大灯转向系统,不仅可以提升奔驰汽车照明系统的升级,也有助于奔驰车主安全驾驶。为此,速锐得配合奔驰原厂供应商,通过解码奔驰大灯照明系统CAN数据,实现了原厂控制改装。
要拿到奔驰的数据,比一般的车型要略微复杂。在奔驰A级的车型上,我们需要从仪表后的网关获取,而G系列、AMG系列、迈巴赫、奔驰E级、奔驰S级等车型,我们从主驾驶右手扶手箱位置,将奔驰网关通信中的CAN数据采集出来。

速锐得做过各种车型的测试,对于采集奔驰的CAN数据来说,我们早已得心应手,但在打造随动转向大灯照明系统中,采用到的CAN数据与其他项目上的略有不同。由于奔驰的休眠机制与别的汽车品牌也不同,一旦软件不对,就会触发整车CAN总线唤醒,那么车主驾驶的奔驰车,不管你是什么级别,第二天一定趴窝。所以,不是一般人就能懂奔驰,奔驰是不需要一般人来懂的,一般企业也不轻易去碰奔驰的CAN总线。
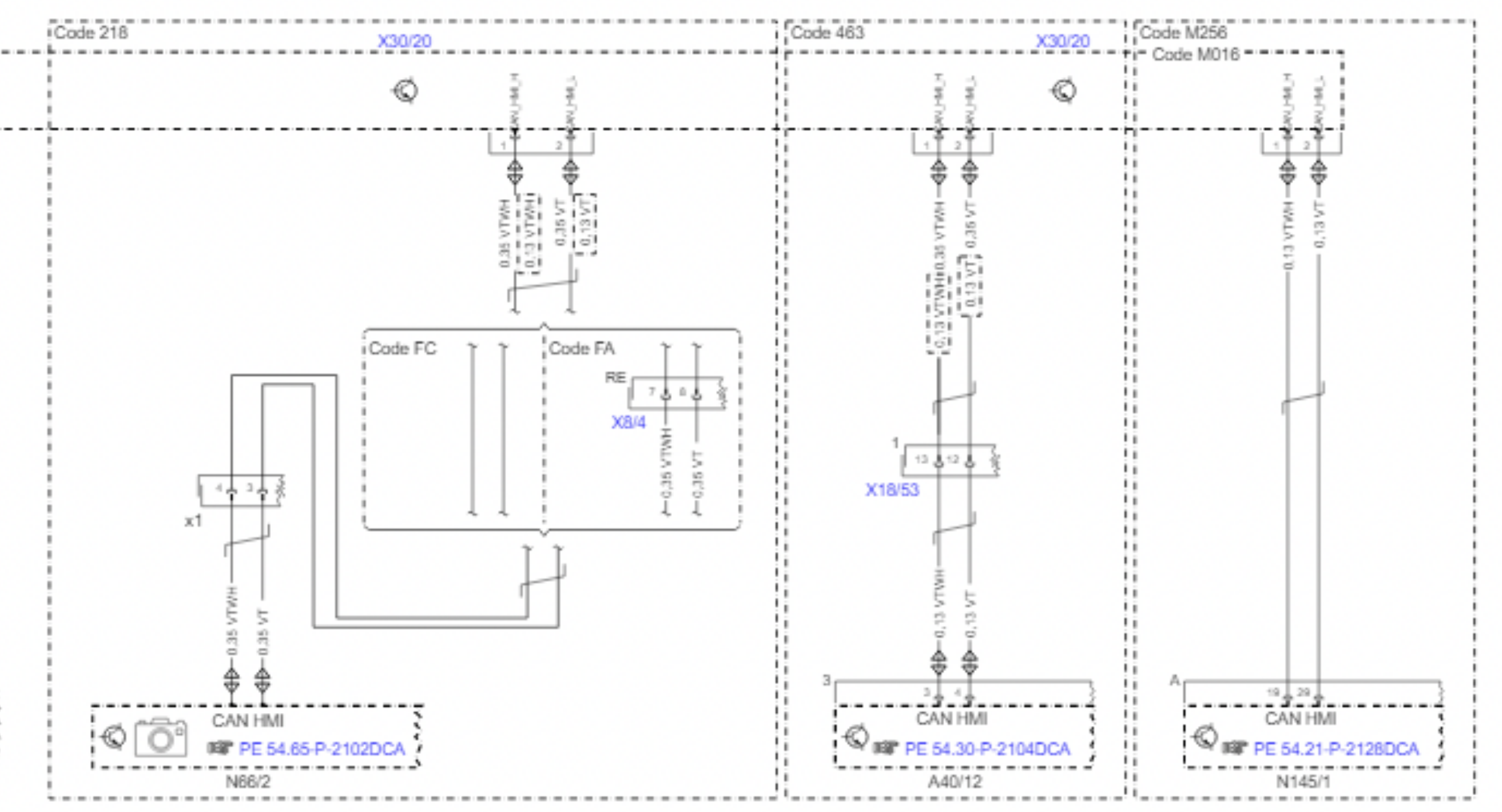
首先,我们先搞定奔驰的电路图,确保新老款的总线电路是有可以参考的细节,如果平台没有大改的情况下,如图示:

奔驰原厂的电路图是可以作为参考的,我们需要找到CAN总线位置,锁定一个最好的接入位置,可以减少拆装奔驰的装饰面板,而不是把整车的装饰面板都拆掉。整车CAN网络总线特别多,为了提升工作效率,我们依旧可以根据老经验,摸着石头过河,先锁定最重要的环节:网关及连接的汽车线束接口!
其次,我们需要在CAN总线部分采集到奔驰随动转向大灯照明系统必要的数据,例如点火状态、ACC状态、大灯开启状态、远近光灯、车速、方向盘转向角度等数据,如下图:

硬件及软件上不用大动,只需要把上次速锐得在丰田随动转向系统的底层CAN数据作为替换,将丰田的CANI_D成奔驰的CAN_ID,那么,我们就这样搞定了奔驰,实现出来非常简单。
- 点赞
- 收藏
- 关注作者
评论(0)