IC先生网:简述三相逆变的工作原理和主要应用
在我们的家庭使用中使用了一个常见的逆变器,与城市地区相比,在大多数农村地区都可以找到这种逆变器。逆变器是一种电气电子设备。该逆变器用于以所需的频率和电压输出将电力从一种形式转换为另一种形式,例如直流到交流。这可以根据电源电路中的电源以及相关拓扑进行分类。
这就是为什么它分为两种类型VSI(电压源逆变器)和CSI(电流源逆变器)。VSI 型逆变器具有低阻抗的逆变器输入端直流电压源。CSI 型逆变器具有高阻抗直流电流源。在今天的文章中,我们将了解什么是三相逆变器。
什么是三相逆变器?
定义:我们都知道逆变器的作用是把直流电流转换成交流电流。我们在上面讨论了两种类型的逆变器。三相逆变器用于将直流电压转换为三相交流电源。该逆变器通常用于高压直流输电等大功率和变频驱动应用。
电力在三相逆变器中的三种不同电流的帮助下通过网络传输。它们彼此异相。在单相逆变器中,功率可以通过一相。例如,如果我们家有一个三相电源在我们家的连接,那么这可以连接到任何一相。
三相逆变器工作原理:
该逆变器的工作原理是由三个单相逆变器开关组成。其中每个开关都可以连接到负载端。三个开关可以同步到基本控制系统的操作。这样一个开关就可以在基本输出波形的每 60 度处创建一个行/对行输出波形,包括六个步骤。
该波涉及两个部分之间的零电压级,例如方波的正负。一旦将基于载波的 PWM 技术应用于此波。然后可以采用波的原始形状。这样三次谐波,包括它的倍增,都将被抵消。
单相逆变器:
单相逆变器有两种类型,一种是全桥式,另一种是半桥式。
全桥式逆变器电路主要用于将直流电转换为交流电。这可以通过以正确的顺序打开和关闭开关来实现。这种类型的逆变器由四种不同的操作状态组成,其中这些开关在闭合开关上操作。
半桥式逆变器电路是全桥式逆变器的基本组成部分。该逆变器由两个开关组成。每种类型的开关都有一个带有输出电压的电容器。此外,这些开关相互补充,就好像第一个开关打开然后开关的其余部分关闭一样。
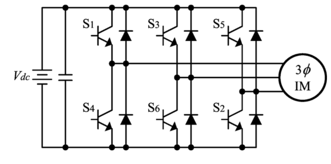
三相逆变器设计/电路图:
三相逆变器示意图如下。这种逆变器的主要作用是将输入的直流电流转换成三相交流的输出。一个基本的三相逆变器由三个单相逆变器开关组成。Jay 每个开关可以同时从三个负载端子连接。

通常情况下,该逆变器的三个臂将从 120 度角延迟,以创建 3 相交流电源。
逆变器中使用的开关比例为50%,每60度角切换一次。S1、S2、S3、S4、S5、S6 等开关将相互补充。因此,具有单个保险丝的三个逆变器放置在同一个直流电源中。三相逆变器内部的极化电压等于单相半相逆变器内部的极化电压。
单相和三相两种逆变器包括180度导通模式和120度导通模式两种模式。
在这种传导模式下,每个器件都以 180° 的角度承载。它们以 60 间隔激活。A、B 和 C 等输出连接到星形或负载的三相三角形连接。

三相平衡负载如上图所示。对于 0到60 度,S 1、S 5 和 S 6 等开关处于导通模式。像 A 和 C 这样的负载端子在其正极连接到电源。而终端 B 在其负点与源相关联。
另外,中性点和正极两端之间有R/2电阻,中性和负极之间有R电阻。
该模式下的负载电压如下所示:
VAN = V/3,
VBN = -2V/3,
VCN = V/3
线电压如下所示:
VAB = VAN - VBN = V,
VBC = VBN - VCN = -V,
VCA = VCN - VAN = 0
120°传导模式:
在这种类型的传导模式下,每个电子设备将处于 120° 导体位置。适用于负载内的三角形连接。因为它会在一个阶段产生 6 个步骤的波形类型。所以在任何给定时间,只有这个设备会运行每一个只能在 120 运行的设备。
负载上的A端可以接正极。而B端可以接电源的负极。将在导体中的负载上的 C 端子称为浮动状态。此外,相电压等于负载电压,如下所示
相电压等于线电压,因此:
VAB = V
VBC = -V/2
VCA = -V/2
三相逆变器的应用:
以下是三相逆变器的一些应用
- 用于高压直流输电等大功率应用。
- 该逆变器用于变频驱动应用。
常见问题 (FAQ):
1. 三相逆变器有什么作用?
三相逆变器将直流输入转换为三相交流输出。他的三臂通常延迟 120 度角。所以让我们做一个三相交流电源。每个逆变器开关为 50%。并且切换发生在每T/6时间T 60°角间隔之后。
2、三相逆变器有哪些不同类型?
根据逆变器输出特性分为以下三种:
- 正弦波逆变器。
- 方波逆变器。
- 修正的正弦波逆变器。
3、什么是三相桥式逆变器?
三相桥式逆变器是将输入的直流电转换为三相交流电的装置。就像单相逆变器一样,它也从电池获取直流电源,或者更常见的是通过整流器。
4、单相和三相逆变器有什么区别?
单相逆变器可以通过单相电源连接并输出电力。如果您家有 3 相连接,则逆变器将仅连接到其中一个相。然而,三相逆变器连接所有三相并平等输出。
- 点赞
- 收藏
- 关注作者
评论(0)