【电路仿真】基于matlab simulink三相桥式全控整流电路【含Matlab源码 332期】
【摘要】
一、获取代码方式
获取代码方式1: 完整代码已上传我的资源:【电路仿真】基于matlab simulink三相桥式全控整流电路【含Matlab源码 332期】
获取代码方式2: 通过订阅紫极神光博客付...
一、获取代码方式
获取代码方式1:
完整代码已上传我的资源:【电路仿真】基于matlab simulink三相桥式全控整流电路【含Matlab源码 332期】
获取代码方式2:
通过订阅紫极神光博客付费专栏,凭支付凭证,私信博主,可获得此代码。
备注:
订阅紫极神光博客付费专栏,可免费获得1份代码(有效期为订阅日起,三天内有效);
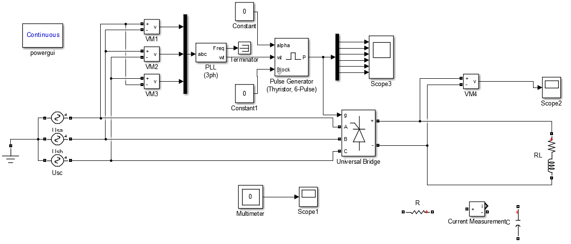
二、仿真图

三、运行结果



四、matlab版本及参考文献
1 matlab版本
2014a
2 参考文献
[1] 徐国保、张冰、石丽梅、吴凡.MATLAB/Simulink权威指南——开发环境、程序设计、系统仿真与案例实战[M].清华大学出版社,2019.
[2]李献,骆志伟,于晋臣.MATLAB/Simulink系统仿真[M].清华大学出版社,2017.
[3]向军.MATLAB/Simulink系统建模与仿真[M].清华大学出版社,2021.
文章来源: qq912100926.blog.csdn.net,作者:海神之光,版权归原作者所有,如需转载,请联系作者。
原文链接:qq912100926.blog.csdn.net/article/details/113851637
【版权声明】本文为华为云社区用户转载文章,如果您发现本社区中有涉嫌抄袭的内容,欢迎发送邮件进行举报,并提供相关证据,一经查实,本社区将立刻删除涉嫌侵权内容,举报邮箱:
cloudbbs@huaweicloud.com
- 点赞
- 收藏
- 关注作者
评论(0)