【云驻共创】AIoT引爆全场景应用新机会
AIoT 的概念
AIoT 不简单的是AI + IOT的组合,而是人工智能,大数据,物联网技术以云计算为支撑,以半导体为算法载体,以网络安全技术为实施保障,以5G为催化剂,对数据为支持和智能的结合。
AioT 是产业的融合体,万物互联是AIoT 的基础,物联网技术将智能设备,家电,汽车,智能制造等其他设备,传感器,软件等全部连接起来,形成一个完整的生态体。
1、2B与2C的全场景融合
1.1生活物联网三个层次

第一层次:制造企业依靠通讯技术,实现产品联网化,智能化,为产品实现,单品的智能化。
第二层次:互联网巨头以智能家居、全屋智能场景方案深入行业,向智能硬件企业提供全技术方案以及产品认证、销售渠道。
第三层次:在具体生活场景下,智能设备如何与应用结合,以体验、内容吸引用户,并为用户带了更丰富的生活服务,最终通过生活服务来完成商业闭环,是生活物联网的本质。
1.2 IoT智能硬件的痛点和华为解决方案
1.2.1 技术层面
痛点:
连接协议多,产品开发复杂周期长,设备联网率低,E2E集成难度大。
策略:
华为云IoT联合生态伙伴提供标准化的通讯模组,内置华为云IoT Device SDK,提供上电即上云的能力。
华为云IoT提供电信级设备接入平台,支持大并发,灵活扩容和设备全球部署能力。
1.2.2 产品层面
痛点:烟囱式单品智能难以融入具体场景,产品体验提升困难,小众APP无法形成用户粘性
策略:华为云IoT联手HarmonyOS,协助智能硬件提升用户体验与融入全场景
- 华为云IoT联手智慧生活APP,提供智能硬件双APP支持能力
1.2.3 商业层面
痛点:
难以为用户进行用户画像和引入对应的生活服务,实现持续经营
策略:
华为云IoT秉承中立、开放的定位,为企业提供实时、全量数据
华为云IoT开放连接能力,支持硬件实现模组多云和与3rd平台的云云连接
1.3 华为云IoT+HarmonyOS构筑全场景智联生活

目标:企业完成数字化转型,为企业打造安全的平台,提供基础服务。
优点:
- 一个平台,全面管控Harmony设备+非Harmony设备统一接入、运维、运营。
- 一站式,端到端,端云协同,一站式的智能硬件解决方案。
- HarmonyOS+,体验升级,碰一碰联网、超级终端、VMALL、智慧生活APP等
1.4华为云IoT智联生活解决方案架构

- 华为云IoT平台相比自研平台更省成本,运维投入少
- 海量设备稳定接入,高并发可靠通信,数据按需流转
- 开放平台,可支持三方云平台数据接入
- 自销设备和HarmonyOS设备可实现版本归一,提升硬件体验
- 设备集成一个SDK,一次对接实现多云连接
- 华为云IoT完成跟HarmonyOS的云云对接,时延有保障
- SaaS后台一次对接即可,无需额外投入
1.5 2B一站式硬件智能化解决方案

1.5.1商业场景:
面向大家电、小家电、消费电子、电工照明、运动健康、出行等行业的智能制造企业、渠道商,提供智能化转型解决方案。
1.5.2方案价值:
自有生态: 支持企业构建自有生态圈,提供设备后服务开箱即用
SaaS: 为企业提供端到端一站式智联生活解决方案
统一运营中心: 打通HarmonyOS设备数据,建立统一的产品运营中心
1.5.3 Harmony品牌加持,使用体验提升,全面流量扶持
品牌加持:HUAWEI HarmonyOS Connect品牌加持,碰一碰极简联网、超级终端互联互通互操作, Vmall 商城、智慧生活App商城
流量扶持:华为商城1000W+日均UV,TOP 10 日均UVGMV移动购物行业
1.6 行业案例
1.6.1火星人集成灶

企业介绍:
火星人集成灶 是一家始终专注于厨房电器的研发、制造,旨在解决厨房油烟问题的高科技公司,位居集成灶十大品牌排名前列,入选央视纪录片《工匠精神》,产品提供智能菜谱。
痛点:
传统产品配网操作复杂,实际设备联网率低于20%,从购买到使用,每个操作环节
都在考验用户的耐性,激活用户低,难以有效连接用户从而进行持续经营。
方案&价值:
通过集成华为云IoT与HarmonyOS,对外提升消费者使用体验,连接用户持续经营;对内将全系列智能产品统一接入管理,全面管控产品使用情况。
1.6.2跑步机变AI教练

企业介绍:
舒华体育 国内领先的健身器材及运动健康解决方案提供商,北京2022年冬奥会和冬残奥会官方健身器材供应商,包含家庭健身、健身房、社区健身三大业务板块。
痛点:
数十万设备分为三个业务板块独立管理,人工汇总,费时费力家庭、健身房、社区等健身业务板块的设备由不同系统独自管理,数据互不相通,数十万台的设备数据需人工报表汇总,费时费力,且无法保障数据的时效性和准确性。
方案&价值:
与Harmony联合发布“全球首款搭载Harmony操作系统的跑步机”,并基于华为云IoT,将独立的三大业务板块设备接入一个平台进行统一管理,为设备迭代提供精准的数据支撑。
三系统合一,数十万设备状态全量感知实时监测设备使用、在线状态、设备电压等情况,为产品迭代、精准营销等提供精准数据支撑。轻轻一碰,即可连接运动健康APP,实时记录数据。搭配穿戴设备,同步采集心率和跑姿状态,自动调整跑步机,并供应科学的语音指导。
1.6.3提升两轮车出行体验
痛点:
企业面临互联网企业对两轮车领域的竞争。在产品上,需要提升客户的体验,提高产品的竞争力。
技术方案:

总体解决方案:
HarmonyOS为产品提供无感开锁,LBS本地定位等,轨迹定位信息由华为云完成。
- 华为提供基础云服务,IoTDA以及大数据分析等
- 技术合作伙伴提供智能模组、后台SaaS以及应用程序
- 采用HarmonyOS并打通华为智慧生活APP
1.6.4 2B养老穿戴平台


以康养设备开放平台支撑智能硬件的规模商用,推动康养服务延伸到生活与医护场景
- 设备功能精准,使用率高,数据及时、准确、标准化
- 基于传感数据,获得客户群体的生活需求与健康风险预警,养老社区服务及时响应
- 引入高阶康养服务,进而使得养老方案走向商业闭环,持续发展
2、ModelBox赋能智慧家庭端云协同AI能力
2.1 云计算的发展历程

2.2端云协同AI的优势

传统方案缺陷:
视频上云带宽成本高,云上分析、存储成本高,全量视频上云,涉及隐私。
端云协同优势:
AI 分析本地运行,方案成本低,云侧海量AI 能力便捷获取,保护隐私,网络不稳定条件下可运行,保证系统的健壮。
2.3端到端AI应用方案开发者面临的挑战
当前AI应用场景案例:

开发者的挑战:
- 开发环境搭建复杂
- 对开发人员入门门槛高
- 开发调试耗时
- 端到端验证需要硬件费用
- 设备众多,难以适配
- 从头开发AI应用周期漫长
- 真实环境部署操作繁杂,
- 非专业人员无从下手
2.4 ModelBox:实现AI应用的端云统一开发、部署、运行

优势:
基于一套代码提供统一的框架,开发者不需要关注环境。
屏蔽底层软硬件差异,跨异构硬件|操作系统|基础 推理 框架,一处开发多端部署
高效推理性能,智能调度|Pipeline并发运行,推理效率提升3-8 倍*
全场景灵活开发,可视化编排开发|全场景高效集成,API调用灵活编程开发,将AI应用看做图,将不同的组件组合起来就组成一个应用,低代码平台。
开源优势:
对于软件开发商可以让软件在更多的软件上运行
对于硬件厂商可以支持更多的软件运行。
2.5 ModelBox+Hilens智慧家庭架构图
Hilens是什么
将应用进行端云协同的部署的管理框架,将应用分发到部署的环境中,解决了开发者远程部署的问题。

业务场景
- 传统摄像头视频仅作为实时监控,视频附加值低
- 视频上传公有云带宽要求高,集中存储困难,时间响应慢
- 视频集中实时分析,成本高
- 识别内容多,离线的SDK及单一算法跟不上客户日益增加的需求变化
解决方案
- 端侧本地检测并过滤,上传云侧进行二次识别,极大降低网络传输带宽和视频分析成本。
- HiLens通过模型轻量化, 赋能端侧在本地处理更多技能,提升端侧推理效率。
客户价值
- 业务使能:围绕家庭视频,提供人形和哭声检测、手势识别及智能视频检
索服务等 监控增值服务
- 端云协同:自动判断二次云侧识别, 极大降低成本
- 云侧二次识别:云侧可自动高效训练模式, 快速响应算法变化的需求
3、海思PLC-IoT
3.1 智能家居演进路径与发展趋势

未来智能家居会向智能服务演进,结合AI,大数据,云计算等等技术让智能家居不仅仅是被动执行指令的系统,变成智慧管家的角色。
智慧城市存在的痛点
- 连接不稳
- 设备掉线
- 配对麻烦
- 不同生态无法互通
PLC的优势:
只需要电力线,无需部署通讯线即可实现可靠通信。
3.2 智能家居体验升级,促进家装领域连接技术不断演进

3.3 PLC技术在智能家居联接技术领域具备综合优势
智能家居的无线系统需要穿墙衰减问题,影响通讯性能。
无线频段邻居也在用,干扰效率比较强。
专线系统稳定好,但是线比较复杂,成本高。
PLC的稳定性是99.999%

3.4 海思PLC-IoT解决方案介绍
3.4.1通信指标
物理层峰值速率0.507Mbit/s
接收灵敏度优于0.2mVpp
3.4.2功耗
静态功耗≤50mW
3.4.3物理层特性
实现IEEE 1901.1标准子集
支持1.6M~6M、500K以下、150K以下三种频段,子载波可配置
采用OFDM技术,支持BPSK、QPSK调制模式
支持FEC和CRC功能,强大的去噪和纠错能力
3.4.4组网特性
支持自动快速组网,典型500节点规模、2层级网络的场景10s完成快速组网,支持快速通信
支持动态路由,多路径寻址
3.4.5 CPU
高性能Cortex-M3处理器,工作频率200MHz
内嵌SRAM 256KB
3.4.6外围接口
2个SPI接口、1个I2C接口、2个UART接口、2个PGA、8个GPIO
接口、1路AD输入(12bitx4)、2路PWM
3.5 应用案例
3.5.1 全屋智能

通信更加稳定
- 无需担心室内墙壁遮挡造成的无线信号衰减
- 相对于2.4G ISP频段通讯技术,信道环境简单
- 200kbps应用层传输速率,保障IoT类产品通讯即时性
提供便捷的施工、运维-有电即能用
- 无需关注拓扑,只要保障设备供电,即可实现通讯
- 一张网络覆盖全屋
能够使用简单、经济的方案隔离通讯区域
- 通过部署物理隔离器,避免通讯区域间干扰
- 同一通讯区域内实现无感知自组网
3.5.2 中央空调系统

PLC总线代替传统内外机CAN总线
- 相对于CAN总线,只需部署电源线即可实现控制,无需专线
- 电源线使用寿命长,无需担心控制线路老化、老鼠啃咬等
- 更高通信速率达500Kbps,可实现更多智能化控制
- 一般埋在墙里,维修困难
4G/5G/NB-IoT
- 外机通过蜂窝连接上云
- 空调外机内置4G/5G/NB-IoT公网对接云
- 用户实现远程设置,实现智慧暖通系统
3.5.3 PLC- - IoT 智能教育照明应用案例

➢ 国家政策明确力争到2030 年,
➢ 6 岁儿童近视率控制在3% 左右,
➢ 小学生近视率下降到38 %以下,
➢ 初中生近视率下降到60 %以下,
➢ 高中生近视率下降到70 %以下。
➢ 并将此项工作纳入政府绩效考核,全力扼制近视高发趋势

⚫ 上课模式:白光,适当亮度,有利于学生集中精力
⚫ 自习模式:白光,亮度偏低,营造晚自习氛围
⚫ 投影模式:投影仪附近的灯关闭,提高投影清晰度
⚫ 课间模式:白光,亮度偏低,省电节能
⚫ 开灯/关灯模式:对所有灯具进行开关集控
4、快速场景赋能,助力AIOT变现
4.1 行业现状

据前瞻产业研究院预计,2022年中国智能照明行业市场规模将达到431亿元,年增长率在23%左右。智能照明中,工业照明占到60%以上,而家居照明只占20%左右。
结论:规模巨大,发展迅速
4.2 变现关键问题
落地难
家居AIOT应用涉及到的技术复杂,包括无线传输,数据上云,各种联通等等,
落地周期长、风险大、成本高,灯的成本低。
推广难
家居AIOT的场景应用的最终受众比较分散,需求个性化多,难以高效定制、快速交付。
家居场景不足
智能门锁的场景在新装的房子比较普及,痛点场景比较明确
家居场景不够具体,无跨品类互联。
4.3解决路径

解决智能家居的需要合作伙伴的配合。
华为融合PAAS大平台、生态大平台、SAAS服务商等多方力量!
免代码的具化场景,快速赋能,不断积累迭代
可根据项目、业主选购具化场景,可买可租,
自联生态,多云互通,渠道助力,价值变现
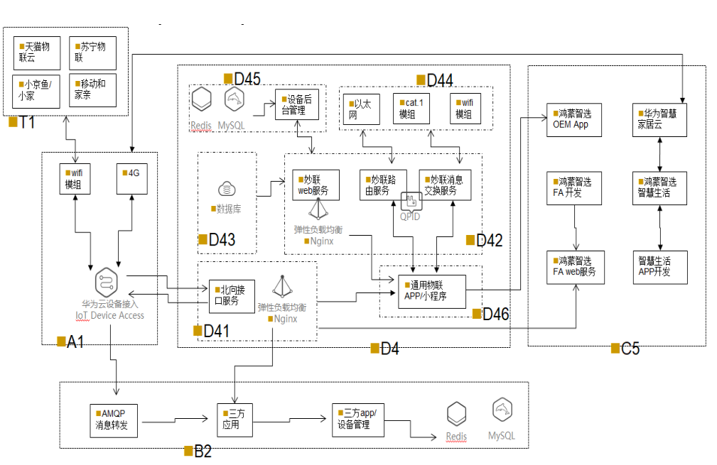
4.4总体架构图

PAAS :华为提供PAAS,稳定性好,安全性高,互联性强
SAAS :妙联提供SAAS,快速搭建,低成本分发,可用性强
模组 :种类齐全,可快速定制
三方 :多云互联,生态共享,即搭即用
5、PLC-IoT在智能照明中的深化应用
5.1智慧照明存在诸多问题与现状痛点
不同生态之间难以互联互通。目前智能照明还没有统一的标准,基本都是各自为战,各自圈地,基于不同的技术,不同的协议,不同的标准,它们之间存在互联互通问题。
智能化程度不足。目前的大多智能照明并非真正智能,只是实现简单的调光调色控制。只有场景化、自动化、与其他智能设备都能实现联动,才能称之为真正的智能照明。
5.2 PLC-IoT以信息驱动的城市规划生态应用

5.3 PLC-IoT在智慧照明应用案例分享

5.4 基于PLC-AoT智慧照明系统构建的城市灯联网

5.5 基于智慧照明系统构建的城市灯联网

5.6 PLC-IoT智慧照明系统平台


时控与经纬度控制
可按一年四季日出日落时间智能控制 采用时控与经纬度控制相结合的控制方案。经纬度控制方式支持经纬度偏移开关及调光策略 自动控制任意回路、单灯的开、关灯、调光 可实现故障自动报警、故障检测和故障处理追踪功能。灯杆24小时带电工作,灯杆漏电监测保护、路灯母线漏电排查杆上设备状态实时检测,5G基站工作状态、后备电池状态检测
最有效的保证行车/行人安全 又省电节能
可根据城市路段车流量、人流量等具体情况 智能调节路灯照度/亮度,“车多灯亮、车少/走灯暗”既有效控制能源消耗,又降低维护和管理成本 真正实现按需照明,减少因照明故障引起的交通事故和各类社会治安事件
技术解决方案


5.7 PLC-IoT智慧全屋智能应用

家用型PLC智能网关可以为智能面板型、丁导轨型、场景开关型,适应不同场景的需求,网关上行采用WiFi或
以太网接口与家庭宽带连接,下行采用PLC+RF的融合通信模式与室内智能设备、终端实现全屋覆盖的通信
5.8 PLC-IoT智能大棚植物照明育苗温室暖棚应用

解决痛点:
Plc 解决网络覆盖面积问题,覆盖面大。
网络接入点多的问题。
总结
AIOT的应用场景丰富,行业发展迅速,华为云提供了全场景的解决方案,助力行业发展,从基础设施PLC-IOT,到鸿蒙操作系统,到ModelBox AI解决方案,部署简单,应用简单为企业的发展提供安全可靠的保障。
本文整理自华为云社区【内容共创】活动第12期。
查看活动详情:https://bbs.huaweicloud.cn/blogs/325315
相关任务详情:AIoT引爆全场景应用新机会
- 点赞
- 收藏
- 关注作者
评论(0)