【STM32】串口通信出现乱码(使用官方标准库)
Author:AXYZdong 自动化专业 工科男
有一点思考,有一点想法,有一点理性!
定个小小目标,努力成为习惯!在最美的年华遇见更好的自己!
- 开发板:stm32f407VET6
- 开发环境:keil5 MDK
- 为了使文章的内容完整,增加了一下原因的叙述,没有兴趣的话可以直接跳转到
问题解决
最近学习了一下32的串口通信,串口配置还是很简单的,不过后面串口调试助手上面出现的乱码。很让人头疼。
当然第一时间去百度寻求解决办法。
百度搜索总结:
- 在程序不出现问题的情况下,一定是
外部晶振设置的问题。但是也要排查下面 👇 两个问题
先排查这两个问题
1.USB转串口的问题
- 解决方法: USB转串口坏了的话,换一个好的就没事了。(ps:这个出现的概率比较小)
2.波特率不同步的问题
- 出现乱码,首先检查一下,
串口助手的波特率是不是和程序设置的是一样的,如果一样的话出现乱码,参考下面的解决方法。
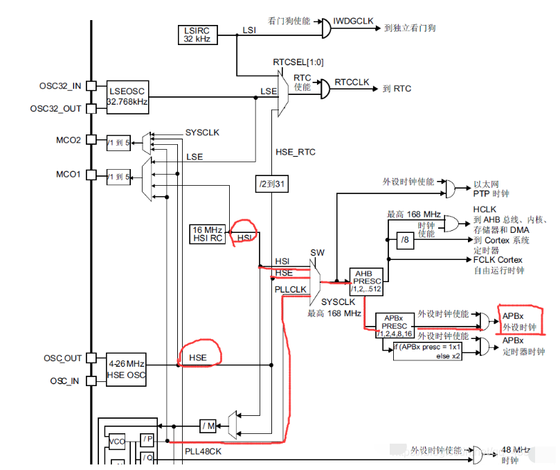
stm32的串口使用的是外部高速时钟的时钟源
串口外设是挂在APB总线上的,一般用于低速外设,它是AHB总线时钟分频所得。
这样设计分频是为了降低低速外设的开关损耗。
然而AHB总线的时钟又源自于高速时钟源。高速时钟源可以是高速内部时钟、高速外部时钟、高速内部或外部时钟PLL倍频所得。
所以最终串口的波特率受高速时钟的影响。

首先找到自己板子上外部晶振,并确定它的大小。

▲ 博主板子上晶振是8Mhz
在官方标准库中,外部时钟频率配置默认 25MHz 的晶振。
而我们需要将外部时钟频率配置成适合自己板子的。
找到 stm32f4xx.h ,在 .h 文件120行左右的地方,默认是这样的:
/**
* @brief In the following line adjust the value of External High Speed oscillator (HSE)
used in your application
Tip: To avoid modifying this file each time you need to use different HSE, you
can define the HSE value in your toolchain compiler preprocessor.
*/
#if !defined (HSE_VALUE)
#define HSE_VALUE ((uint32_t)25000000) /*!< Value of the External oscillator in Hz */
#endif /* HSE_VALUE */
▲ 默认25Mhz
下面只需定义一下自己开发板的外部时钟源频率即可:(加个宏定义)
/**
* @brief In the following line adjust the value of External High Speed oscillator (HSE)
used in your application
Tip: To avoid modifying this file each time you need to use different HSE, you
can define the HSE value in your toolchain compiler preprocessor.
*/
#define HSE_VALUE ((uint32_t)8000000) // 定义自己开发版上的外部时钟源频率
#if !defined (HSE_VALUE)
#define HSE_VALUE ((uint32_t)25000000) /*!< Value of the External oscillator in Hz */
#endif /* HSE_VALUE */
附:如果串口助手没有收到任何东西,请检查连接 TX 、RX 端子的杜邦线是否松动。
-
总结
-
对于 stm32 的 F1 和 F4 等系列,如果出现串口通信出现乱码的问题,都可以尝试使用上述方法解决。
-
自己开发板上的外部晶振要了解,如果某一总线的时钟来源于外部时钟源,自己使用的外设恰好挂靠在该总线上,利用官方标准库,一定要将
stm32f4xx.h文件中相关配置加以修改。
本次的分享就到这里

好书不厌百回读,熟读自知其中意。将学习成为习惯,用知识改变命运,用博客见证成长,用行动证明努力。
如果我的博客对你有帮助、如果你喜欢我的博客内容,请 “点赞” “评论” “收藏” 一键三连哦!
听说 👉 点赞 👈 的人运气不会太差,每一天都会元气满满呦!^ _ ^
**码字不易,大家的支持就是我坚持下去的动力。点赞后不要忘了👉关注👈我哦!
如果以上内容有任何错误或者不准确的地方,欢迎在下面👇留个言。或者你有更好的想法,欢迎一起交流学习~~~
- 点赞
- 收藏
- 关注作者
评论(0)