《数据中心数字孪生技术规范》深度解读及华为实践
一、《规范》产生的背景
复杂的基础设施体系以及高可靠性、高可用性要求,给数据中心设计、建设、运维带来巨大挑战。数字孪生技术借助历史数据、实时数据、算法模型等,实现对物理实体全生命周期的模拟、验证、预测、优化、控制。数字孪生技术在数据中心的应用将大幅提升数据中心自动化、智能化水平,给数据中心所面临的安全运营、节能减排等挑战带来极具竞争力的解决方案。
数字孪生技术作为一种新兴的、快速发展的技术,在数据中心领域的推广应用尚处于探索阶段,迫切需要对相关术语、系统架构、应用场景统一认识,对数据来源、孪生系统的相互连接关系、孪生系统构建过程,以及如何评价数字孪生系统形成标准。《规范》针对上述需求进行制定,可为数据中心相关组织构建和应用数字孪生提供依据和指导。
二、《规范》解读
《规范》规定了数据中心基础设施数字孪生基本要求、数字孪生应用、数字孪生等级划分与评估等要求。
- 数据中心基础设施数字孪生基本要求
《规范》明确数据中心数字孪生的范围为:数据中心从规划设计、施工建设、投产运营全生命周期的基础设施,包括电气系统、空调系统、布线系统、机柜系统、监控系统、服务器与网络设备等。
数字孪生包括物理实体、数字孪生体以及数字孪生应用三个要素,这三者的相互关系如图1所示。

图1 数字孪生“三要素”及其关系
数据中心数字孪生为数据中心全生命周期服务,因而从数据中心规划设计开始就需要对数字孪生所需的数据是否可以提供、如何提供,以及不同数据源、模型如何联通进行全面的考虑。《规范》指出,构建数字孪生对物理实体的要求应在数据中心设计阶段予以明确,在建设阶段落实,物理实体的数据、模型、接口以及物理实体、数字孪生体、数字孪生应用之间的连接方式、信息传输、交互机制及测试方法应符合国际通用或国家现行有关标准。
数据中心数字孪生应用依赖于数字孪生体对物理实体的准确表征,数字孪生体应及时反映物理实体的变化。《规范》要求数字孪生体真实、客观映射物理实体,利用系统的历史和实时运行数据,融合系统机理特性和运行数据特性,及时对数字孪生体模型进行更新、修正,使数字孪生体可以动态跟随物理实体状态。
数字孪生的应用还要求可对物理实体进行优化控制,实现双向互动。此外,《规范》还要求数字孪生的更新、维护不应影响数据中心正常运行,数字孪生应尽可能采用自动构建的方式,以降低建设和使用成本。
2. 数字孪生应用
数字孪生通过仿真模拟、AI算法实现智能决策,或进一步依据智能决策对物理实体进行控制实现应用。下面按照数据中心生命周期不同阶段,对数字孪生相关应用进行说明。
2.1 设计阶段应用
数据中心通常根据所提供的算力、存储、网络需求,可靠性、可用性要求,以及相关政策要求,如PUE指标、碳排放指标等进行设计。数据中心设计过程首先将业务需求转化为机柜数量和单机柜功率要求,将可靠性、可用性要求转化为数据中心等级要求,再结合选址情况,进行建筑、结构、电气、空调、监控、布线、消防等专业的设计。
数据中心设计当前主要依赖专业的设计单位进行设计,数字孪生在数据中心设计阶段的应用主要包括3D可视、干涉检查、仿真评估等。随着设计成果、设计经验数字化程度的提高,以及人工智能技术的发展,在不远的将来利用数字孪生技术实现设计方案自动优化,甚至在仅给定需求和约束条件下,自动进行方案设计和优化的应用将变成现实。
2.2 建设阶段应用
数据中心的建设涉及建筑、结构、电气、空调等专业,施工工艺复杂,管理难度大。建设阶段要求在合理的工期内,高质量完成项目交付。
根据建设阶段的痛点,数字孪生在建设阶段的应用主要包括,施工进度管理、施工质量管理、施工安全管理等。以施工进度管理为例,需要对施工工序的依赖关系、物料资源、人力资源和工期要求进行匹配,通过数字化实现建设过程和进度可视,施工关键路径分析,以及人力、物料协同管理,可有效提升施工进度管理效率。
施工数据和经验的积累,结合大数据分析、人工智能技术,通过数字孪生可进一步提升建设阶段管理的自动化、智能化水平。
2.3 运维阶段应用
数据中心运维阶段时间长,数字化程度高,是数字孪生应用的主战场。根据数据中心高可靠、低碳、低PUE,以及持续改进的需求,《规范》指出数字孪生在运维阶段的应用应助力提升数据中心安全运营、绿色运营和高效运营水平。其中安全运营、绿色运营是主要需求,高效运营既是管理持续改进的需求,同时又贯穿于安全运营、绿色运营的活动中。
数据中心运维人员主要工作活动,如值班、巡检、例行维护、应急演练等,其目的正是为了保证数据中心安全运营。数字孪生通过仿真、人工智能技术等,可以提升数据中心安全运营水平。如通过运用CFD仿真、电力仿真,对服务器上架进行科学评估,避免盲目上架产生“热点”、电力过载。通过对视频图像的智能分析,代替人工进行巡检。数字孪生还可以通过人工智能的分析预测算法,实现故障预测,支持预测性运维。
节能、低碳是数据中心当前面临的重要挑战,数字孪生在绿色运营活动中有广阔的市场空间。如数字孪生通过仿真模型可以辅助分析气流组织缺陷,预测空调不同运行状况下机房温度场和能耗,为数据中心气流组织优化、空调运行优化提供支撑。AI节能算法通过谷歌、华为等公司的实践,在数据中心节能领域逐步获得认可。
数据中心的持续增长,使得运维人员需求激增,人力缺口矛盾日益显现,人力成本逐年上升。减员增效是数据中心运维阶段面临的又一个挑战。通过自动化、智能化的应用,助力数据中心减员增效是数字孪生的重要价值应用。
数字孪生通过汇聚丰富的物理实体数据,以及仿真、人工智能算法等平台能力,为仿真真、AI算法应用提供了基础,将进一步降低仿真、AI算法的应用成本,助力数据中心实现自动化、智能化。
3. 数字孪生等级划分与评估
《规范》建议数据中心数字孪生根据数据中心所处的生命周期阶段,从数字孪生化等级、数字孪生覆盖完整度以及数字孪生应用水平三个维度进行评估。
数字孪生化等级反映了数字孪生体与物理实体的“孪生”程度,包括孪生的全面性、实时性以及是否自动孪生。数字孪生覆盖范围,则从孪生所覆盖的数据中心基础设施的完整度进行阐述,如仅包括机房区域的孪生,还是涵盖了数据中心全部电力、空调系统,以及是否包括服务器、网络设备。数字孪生应用水平同样根据数据中心在不同生命周期阶段面临的问题,以及所提供的应用对该问题的解决程度进行评估。
数字孪生中数字孪生化水平、数字孪生覆盖范围和数字孪生应用水平,三者是有机联系的统一体。构建数字孪生体时,应以数字孪生应用为目标,进行数字孪生水平和覆盖范围的设计。同时,《规范》指出,数据中心业主在构建数字孪生时,还应考虑数据中心等级、基础状况、运营管理要求、投资规模等因素。
三、华为数据中心数字孪生实践
自2016年以来,数字孪生被数据中心领域越来越多的人所提倡,可视化、仿真、AI节能等独立特性在实践中的应用被越来越多的人所关注。然而,通过汇聚多源、多维数据,集成仿真、大数据分析、AI平台,支撑全生命周期应用的完备的数字孪生尚未有相关产品面世。
华为数据中心网图,以“自动驾驶”理念,构建数据中心数字孪生,与《规范》中第五级数字孪生目标一致。华为数据中心网图(以下简称网图)当前已支持BIM数据、动环监控数据、IT监控数据、视频监控数据的集成,以及CFD仿真、电力仿真、冷冻站仿真等众多仿真平台。

图2 数据中心网图解决方案图
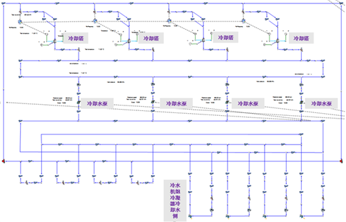
冷冻水方案是大型数据中心主流制冷方案,冷冻水系统包括冷水机组、冷却塔、水泵、板换等不同类型的设备以及相应的控制系统。冷冻站设备复杂的工作机理和控制过程是冷冻水系统仿真的两大难点,导致冷冻水系统仿真的技术门槛和建模难度极高。华为网图对冷冻站关键设备的工作机理不断进行总结,通过对100多种理论模型进行筛选寻优,构建出精度在90%以上的冷冻水系统仿真模型。

图3 冷冻站冷却水系统仿真模型
通过对BIM数据、动环监控数据、IT监控数据进行集成处理,可降低CFD仿真、电力仿真、冷冻站仿真模型构建80%的工作量。由于仿真与实时监控系统对接,可实现准实时仿真,通过仿真可及时发现机房“热点”,电力、冷冻站运行异常,提升仿真在运维中的价值,保证数据中心安全可靠运行。
网图下一步将与华为公司自主开发的AIOps算法进行融合,实现设计评估、施工安全管理、资产管理、IT变更仿真评估、智能巡检、故障预测等数字孪生应用,形成设计、建设、运维全生命周期完备的数字孪生体。
可以预见华为数据中心网图的发布和走向市场,必将极大的推动数字孪生技术在数据中心的落地,也必将极大的提升数据中心的数字化水平。
- 点赞
- 收藏
- 关注作者
评论(0)