通过题目来讲一讲存储器分层体系结构相关知识 2 | 计算机组成与系统结构专题
题目1
某计算机主存8M字节,分成4096个主存块,Cache有64K字节,采用直接映象方式。请问:
①Cache有多少个字块?
②Cache的字块内地址为多少位?
③Cache的字块地址为多少位?
注:Cache字块,又称Cache行,Cache槽
题目1 解答
①: 8MB = 8 * 2^10KB = 2^13 KB
2^13KB / 4096 = 2KB
64KB / 2KB = 32块
②:因为每块字块的大小为2KB,所以Cache的字块内地址为11位
③:因为采用直接映射技术,Cache共有32个字块,故Cache 的字块地址为5位。
题目2
一个组相联高速缓存由64个字块组成,每个字块有256字,分为8组,主存有4096个字块。
请问:
① 主存地址有多少位?
② 主存地址的划分如何?即:标志字段、组字段和块内地址字段各有多少位?
题目2 解答
由题意可知,本题按字编址。
因此主存地址有 4096 * 256 = 2^(12+8)条
所以主存地址有20位。
Cache容量为 64字块 * 256字 = 8组 * 8字块/组 * 256字/字块
主存容量按每8个字块对于Cache的8组,共有4096/8=512=2^9个组群
主存容量为 4096字块 * 256字/字块 = 8块/组群 * 2^9组群 * 2^8字/块
主存的每个(分区数除组数)大小与整个Cache大小相等
题目3
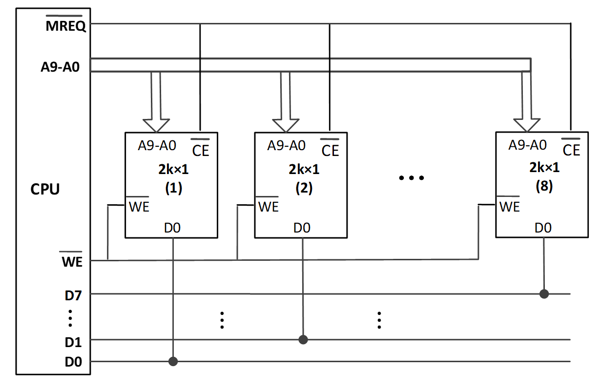
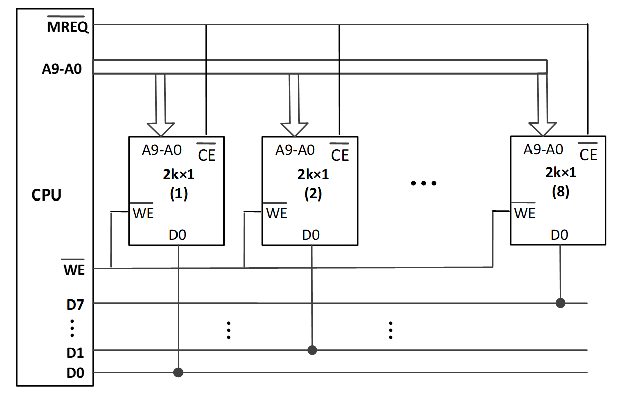
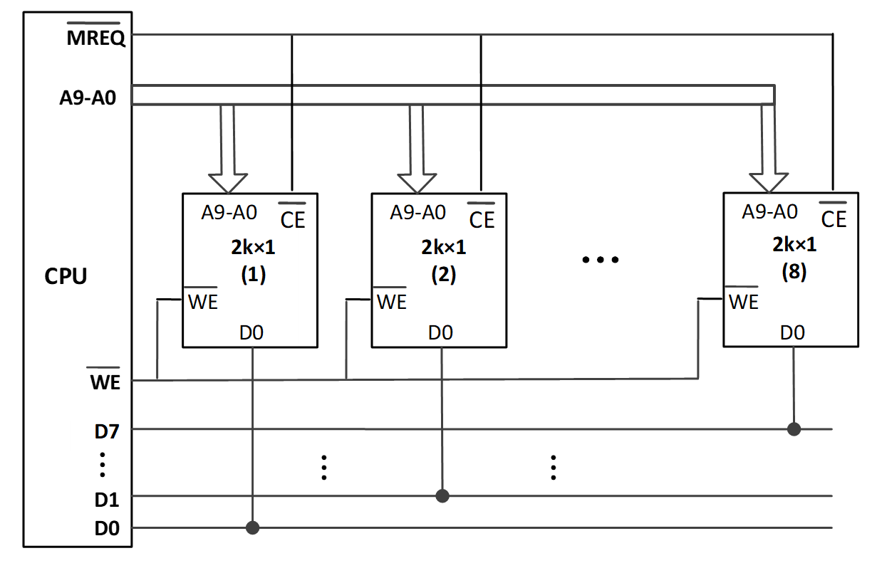
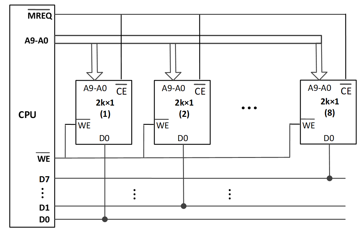
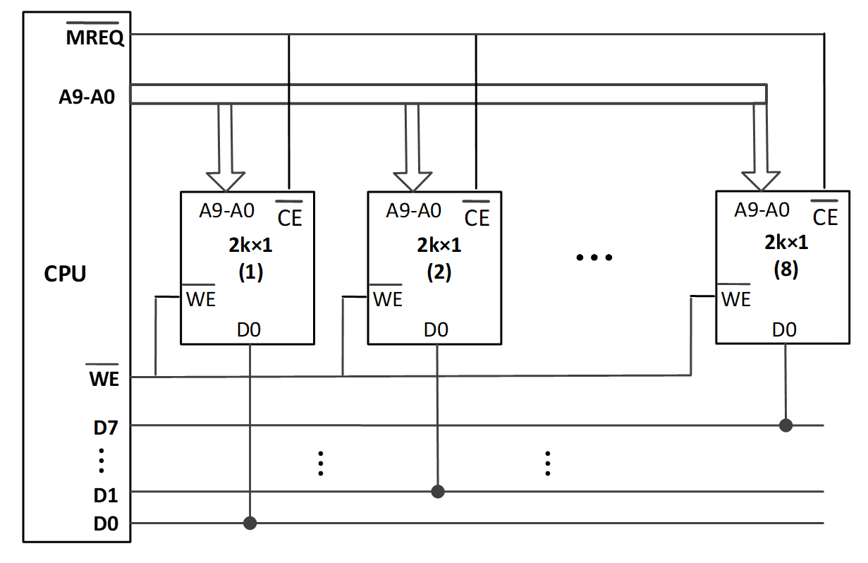
用2k×1位的RAM芯片扩展为2k×8位的RAM,画出CPU与RAM芯片的连接方式。
题目3解答

题目4
用512×8位的RAM芯片扩展为2k×8位的RAM,画出CPU与RAM芯片的连接方式。
题目4 解答

题目5
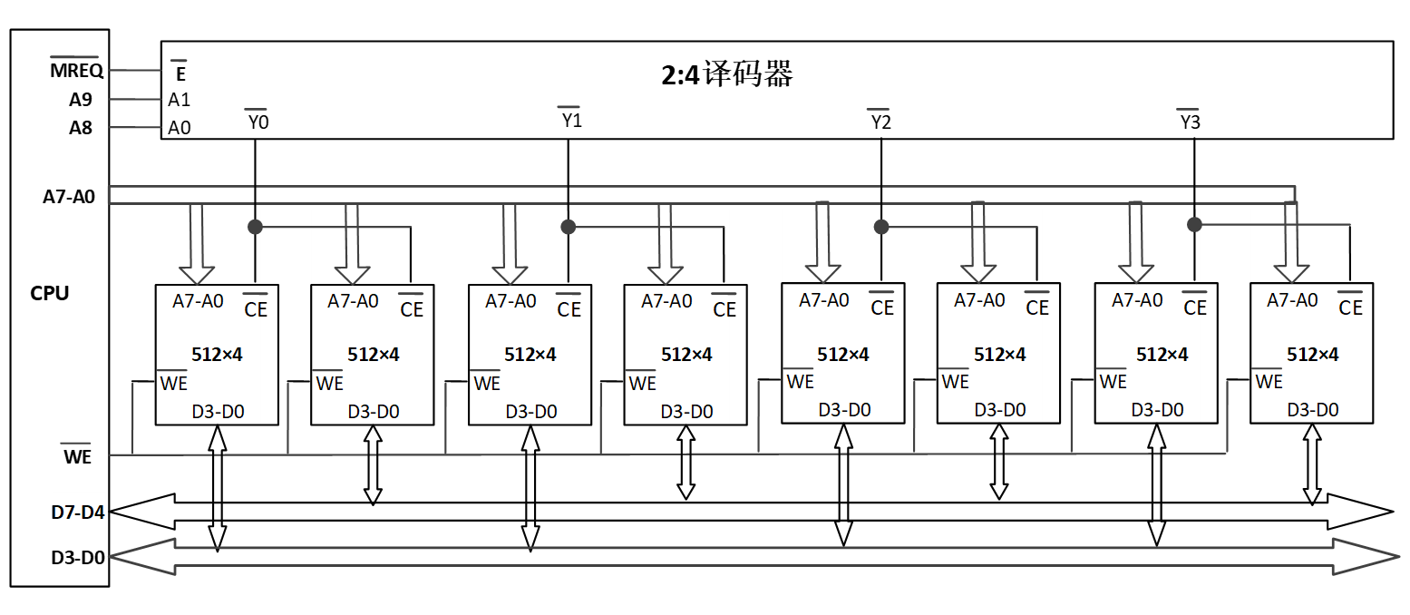
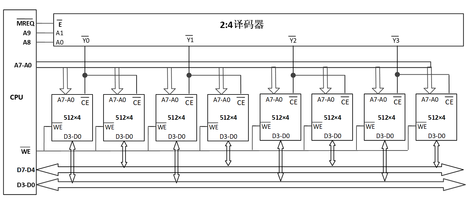
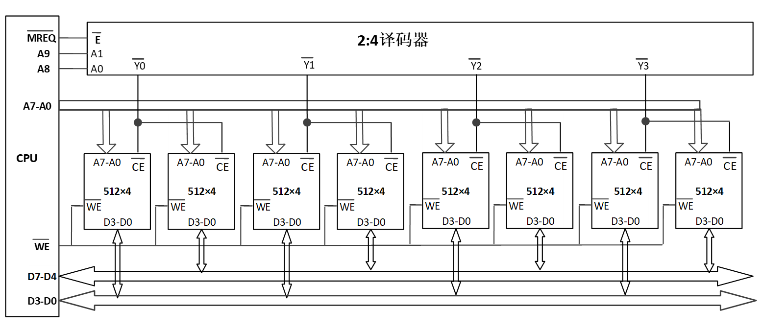
用512×4位的RAM芯片扩展为2k×8位的RAM,画出CPU与RAM芯片的连接方式。
题目5 解答

- 点赞
- 收藏
- 关注作者
评论(0)