【LiteOS的路灯案例开发板】开箱
昨天收到,今天开箱
参加活动“【HDC2021】0基础玩转华为云IoT,更有开发者大礼包等你来拿!”获得的开发板,第一次获得开发板纪念一下,这回可以自己做一些小实验。本次说下这开发板的开箱。
先给大家看看外盒图,挺好看的, 小熊派的板子,

开箱了,里面有几样东西,立柱,两个模块,一个主板,一份杜邦线,一根数据线。

拆开发现,里面一个有一个wifi模块、一个路灯案例模块,一转MCU主板


组合后的就是最后一的张图,还挺帅的,这个路灯模块奖励一下,有防反插的引脚,不过wifi就要自己注意不要接反了。

下面主要解说一下这块MCU主板的信息:
这块板是小熊派的通用板,大家可以在官网进行学习和购买
这块板都有那些东西呢?可以从下面这块图了解,它提了学习通用的MCU:STM32L431RCT6、FLASH(8MB)、UART、还一些跨站的插槽,比最小系统板算是多了东西,可以学习MCU的操作,串口的操作,和FLASH的操作。
这块MCU是什么呢? STM32L431——意法半导体的一块基于Cortex-M的低功耗MCU,Arm®Cortex®-M432位RISC内核的超低功耗微控制器,其工作频率高达80 MHz。 Cortex-M4内核具有浮点单元(FPU)单精度,支持所有Arm®单精度数据处理指令和数据类型。它还实现了全套DSP指令和一个存储器保护单元(MPU),从而增强了应用程序的安全性。 STM32L431xx器件嵌入了高速存储器(高达256 KB的闪存,64 KB的SRAM),一个Quad SPI闪存接口(在所有封装中均提供)以及连接到两条APB总线的各种增强型I / O和外设,两个AHB总线和一个32位多AHB总线矩阵。 STM32L431xx器件为嵌入式闪存和SRAM嵌入了多种保护机制:读取保护,写入保护,专有代码读取保护和防火墙。 这些器件提供一个快速的12位ADC(5 Msps),两个比较器,一个运算放大器,两个DAC通道,一个内部参考电压缓冲器,一个低功耗RTC,一个通用32位定时器,一个16位专门用于电机控制的PWM定时器,四个通用16位定时器和两个16位低功耗定时器。 此外,最多可提供21个电容感测通道。

上图是这块MCU的电路拓扑图,从这里可以看出,MCU有哪些功能和外设。遇到一款没用到过MCU首先就要看这个图,了解MCU有哪些功能,有哪些外设,从这里看以看出是否满足我们的设计需求,所以这是选择一块满足自己需求的芯片,就要分析这个芯片的拓扑和外设,算力。
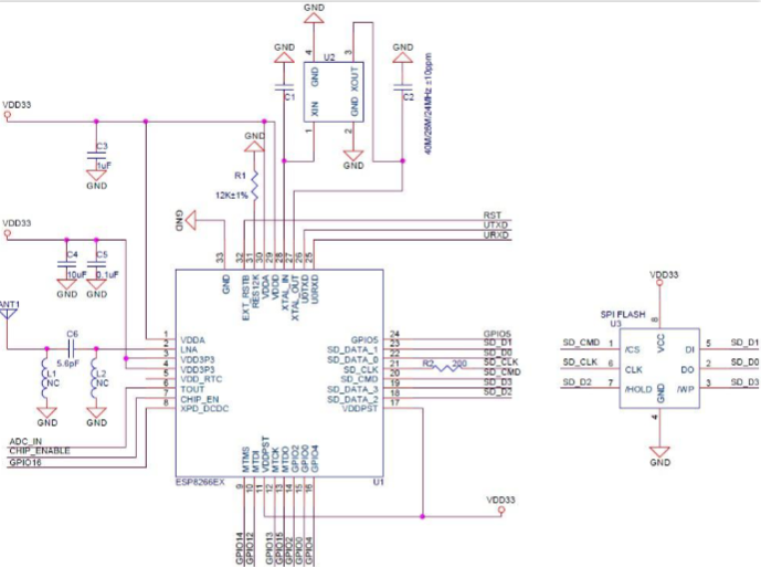
接下来看这块WiFi模块——ESP-12F wifi Module
这块wifi模块也是有一个MCU加上一些wifi天线和处理机构构成的模块。核心处理器ESP8266在较小尺寸的模块中封装,Tensilica L106集成了业界领先的超低功耗32位MCU micro,具有16位短模式,时钟速度支持80 MHz, 160 MHz,支持RTOS,集成Wi-Fi MAC / BB / RF / PA / LNA,板载天线。该模块支持标准IEEE802.11 b / g / n协议,完整的TCP / IP协议栈。 用户可以使用添加模块到现有设备网络中,也可以构建单独的网络控制器.ESP8266是高度集成的无线SOC,专为空间和功耗受限的移动平台设计人员设计。 它提供了无与伦比的能力,可以将Wi-Fi功能嵌入其他系统中,或者以最低的成本作为独立的应用程序使用,并且体积小巧。
其特点是:
•802.11 b / g / n
•集成的低功耗32位MCU
•集成的10位ADC
•集成的TCP / IP协议栈
•集成的TR开关,巴伦,LNA,功率放大器和匹配网络
•集成的PLL,稳压器和电源 管理单元
•支持天线分集
•Wi-Fi 2.4 GHz,支持WPA / WPA2•支持STA / AP / STA + AP操作模式
•支持Android和iOS设备的Smart Link功能
•SDIO 2.0,(H)SPI,UART, I2C,I2S,IRDA,PWM,GPIO
•STBC,1x1 MIMO,2x1 MIMO•A-MPDU和A-MSDU聚合和0.4s保护间隔
•深度睡眠功率<10uA,掉电泄漏电流<5uA•唤醒并传输数据包 in <2ms•待机功耗<1.0mW(DTIM3)
他的结构拓扑如下图:

板在原理图如下:

开箱就差不多了,主要从外观讲解一下这个开发板和模块吧,下期讲解调试。敬请期待。
- 点赞
- 收藏
- 关注作者
评论(0)