PS176替代型号|VL102+PS176替代方案|AG7310完全替代PS176转HDMI方案
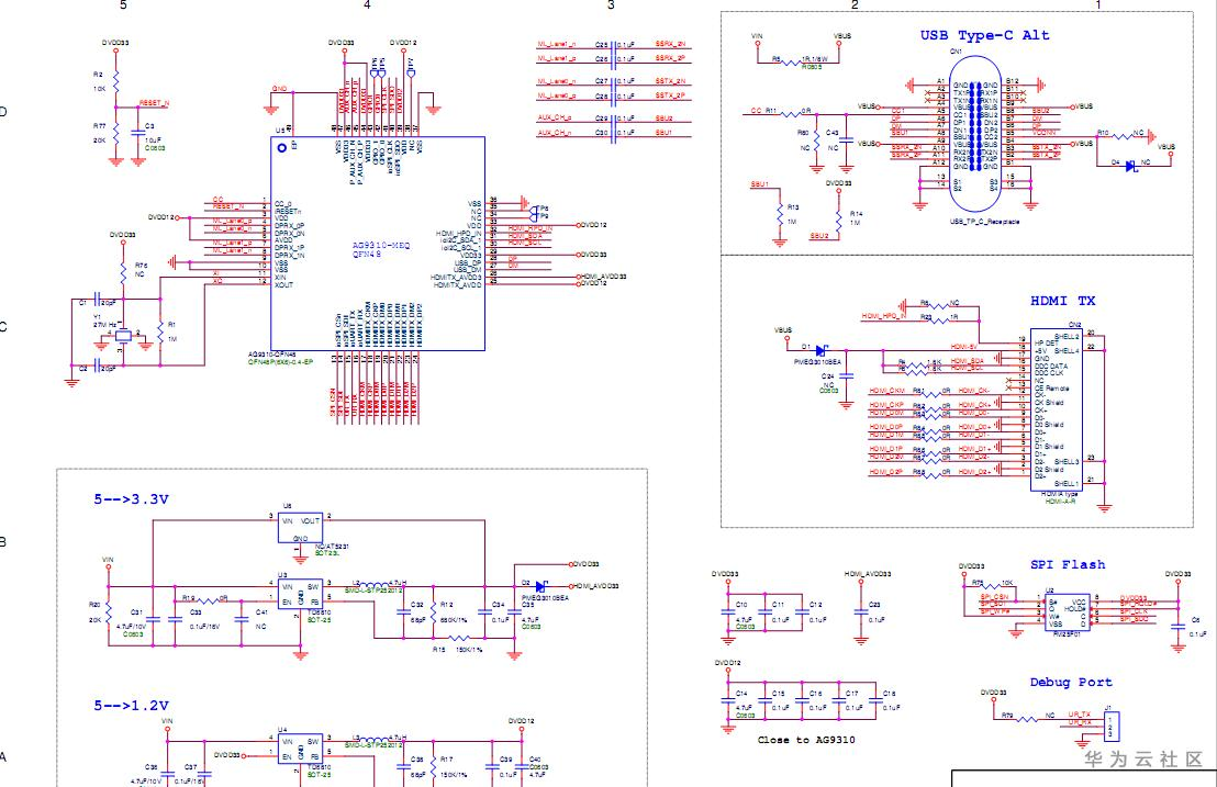
【摘要】 PS176替代方案,PS176替代型号,VL102+PS176替代方案,ag9310完全替代PS176,TYPEC转HDMI方案,带PDUSB-C转HDMI方案中文设计替代PS176方案AG9310设计参考电路:AG9310可以将视频和音频流从USB Type-C 接口传输到HDMI端口。在AG9310中,支持1路、2路@1.62Gbps、2.7Gbps和5.4Gbps频率输入的不同配置,H...
PS176替代方案,PS176替代型号,VL102+PS176替代方案,ag9310完全替代PS176,TYPEC转HDMI方案,带PDUSB-C转HDMI方案中文设计
替代PS176方案AG9310设计参考电路:

AG9310可以将视频和音频流从USB Type-C 接口传输到HDMI端口。在AG9310中,支持1路、2路@1.62Gbps、2.7Gbps和5.4Gbps频率输入的不同配置,HDMI支持4K2K@30Hz输出。产品制造商可以使用AG9310应用程序轻松实现Type-C 转HDMI数据转换器转接。
二、 AG9310-MEQ特点
嵌入式16位MCU
AG9310支持EDID和MCC直通
支持热插拔检测
AG9310支持外部SPI闪存固件升级
支持嵌入式HDCP 1.4
1.2V核心电源和3.3V I/O电源
嵌入式5V/1.2V高效稳压器
同时显示通过HDMI输出
2KV ESD性能
支持下行扩频时钟(SSC)
三、AG9310-MEQ应用场景
USB Type-C 转换器
USB Type-C扩展坞
【版权声明】本文为华为云社区用户原创内容,未经允许不得转载,如需转载请自行联系原作者进行授权。如果您发现本社区中有涉嫌抄袭的内容,欢迎发送邮件进行举报,并提供相关证据,一经查实,本社区将立刻删除涉嫌侵权内容,举报邮箱:
cloudbbs@huaweicloud.com
- 点赞
- 收藏
- 关注作者
评论(0)