Xilinx Kintex-7系列FPGA的开发板SATA/PCIe接口
【摘要】 前 言TLK7-EVM是一款由广州创龙基于Xilinx Kintex-7系列FPGA自主研发的核心板+底板方式的开发板,可快速评估FPGA性能。核心板尺寸仅80mm*58mm,底板采用沉金无铅工艺的6层板设计,专业的PCB Layout保证信号完整性的同时,经过严格的质量控制,满足工业环境应用。SOM-TLK7核心板引出FPGA丰富的资源信号引脚,二次开发极其容易,客户只需要专注上层应用,...
前 言
TLK7-EVM是一款由广州创龙基于Xilinx Kintex-7系列FPGA自主研发的核心板+底板方式的开发板,可快速评估FPGA性能。核心板尺寸仅80mm*58mm,底板采用沉金无铅工艺的6层板设计,专业的PCB Layout保证信号完整性的同时,经过严格的质量控制,满足工业环境应用。
SOM-TLK7核心板引出FPGA丰富的资源信号引脚,二次开发极其容易,客户只需要专注上层应用,大大降低了开发难度和时间成本,让产品快速上市,及时抢占市场先机。
不仅提供丰富的Demo程序,还提供详细的开发教程,全面的技术支持,协助客户进行底板设计、调试以及软件开发。
SATA接口
开发板引出了一个SATA硬盘接口,接口为J3,硬件及引脚定义如下图:

图 1

图 2
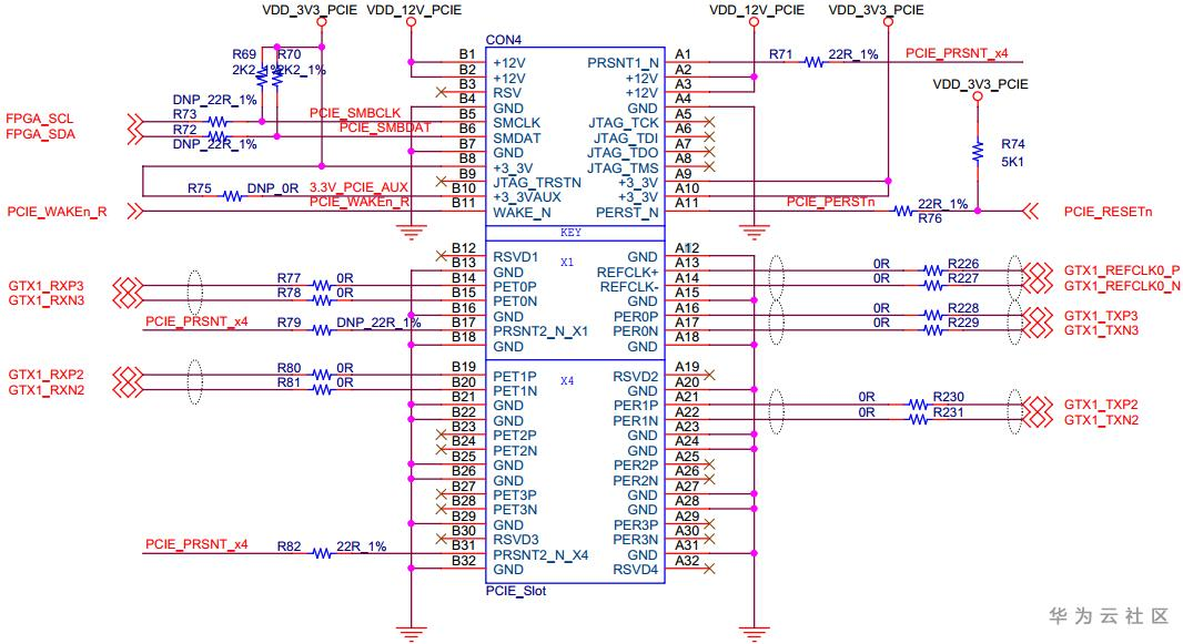
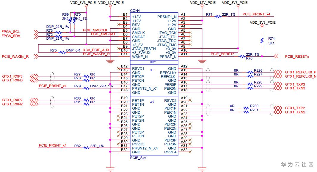
PCIe接口
开发板引出了PCle Gen2接口2通道(CON4),单通道通信速率5GBaud,硬件及引脚定义如下图:

图 3

图 4
【声明】本内容来自华为云开发者社区博主,不代表华为云及华为云开发者社区的观点和立场。转载时必须标注文章的来源(华为云社区)、文章链接、文章作者等基本信息,否则作者和本社区有权追究责任。如果您发现本社区中有涉嫌抄袭的内容,欢迎发送邮件进行举报,并提供相关证据,一经查实,本社区将立刻删除涉嫌侵权内容,举报邮箱:
cloudbbs@huaweicloud.com
- 点赞
- 收藏
- 关注作者
评论(0)