基于SOM-TL437x核心板研发的一款TI AM437x Cortex-A9开发板的HDMI接口/CAN接口
【摘要】 前 言TL437x-EVM是广州创龙基于SOM-TL437x核心板研发的一款TI ARM Cortex-A9开发板,采用核心板+底板方式,尺寸为180mm*130mm,核心板采用4*60pin B2B工业级连接器,稳定、可靠、便捷,可以帮助客户快速评估核心板性能。 SOM-TL437x核心板采用高密度沉金无铅工艺8层板设计,尺寸为58mm*35mm,采用美国德州仪器最新Cortex-A...
前 言
TL437x-EVM是广州创龙基于SOM-TL437x核心板研发的一款TI ARM Cortex-A9开发板,采用核心板+底板方式,尺寸为180mm*130mm,核心板采用4*60pin B2B工业级连接器,稳定、可靠、便捷,可以帮助客户快速评估核心板性能。
SOM-TL437x核心板采用高密度沉金无铅工艺8层板设计,尺寸为58mm*35mm,采用美国德州仪器最新Cortex-A9 CPU AM437x,高性能与低功耗有机结合。采用耐高温、体积小、精度高的B2B连接器,引出了核心板的全部接口资源,帮助开发者快速进行二次开发。
TL437x-EVM开发板底板采用四层无铅沉金电路板设计,为了方便用户学习开发参考使用,上面引出了各种常见的接口。
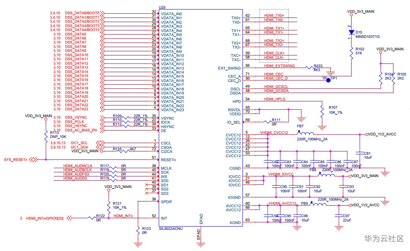
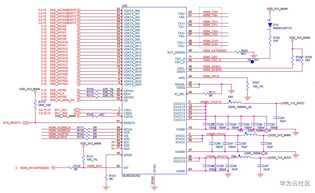
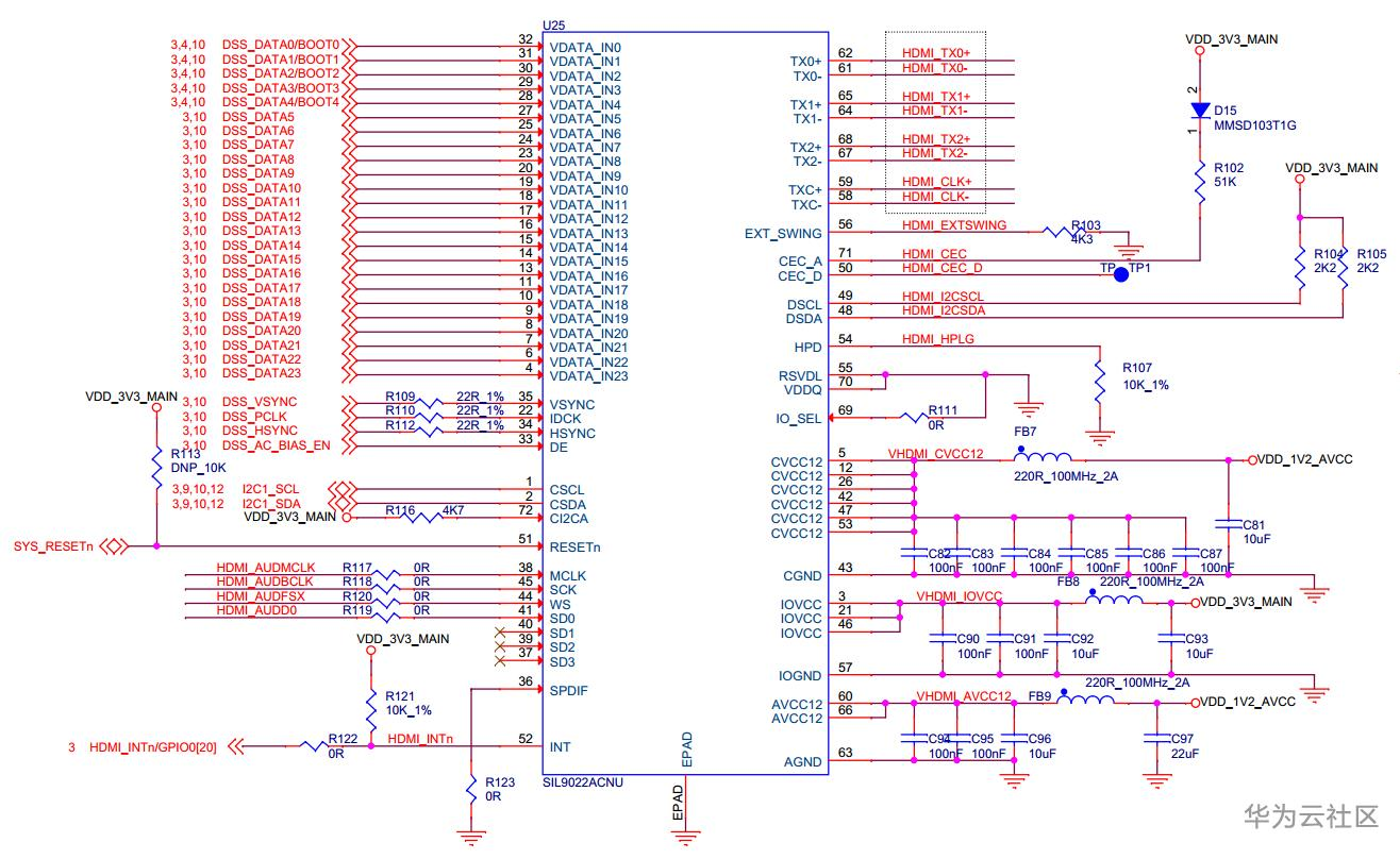
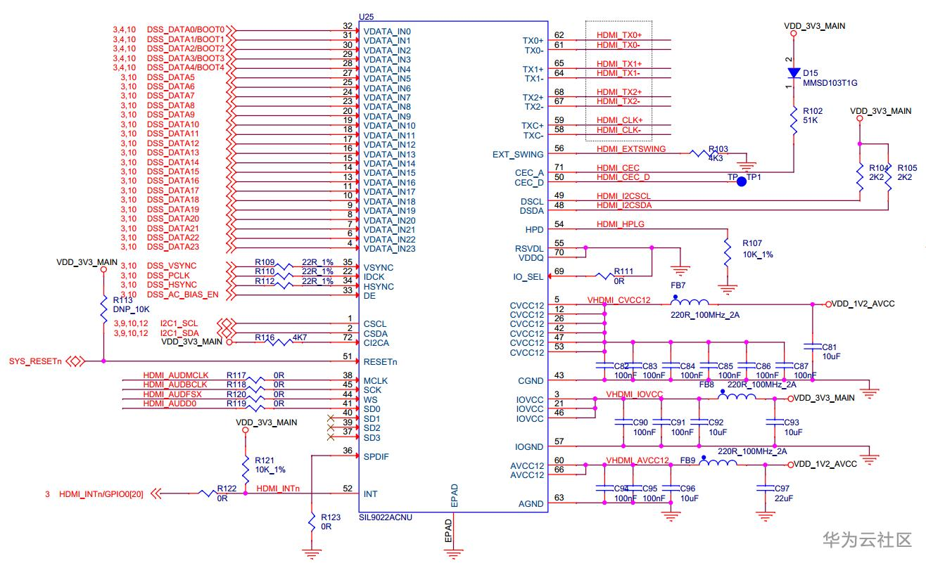
HDMI接口
开发板J3配有高清晰度HDMI接口,采用SIL9022ACNU芯片进行转换,支持1080p高清视频,引脚定义如下图:

图1

图 2
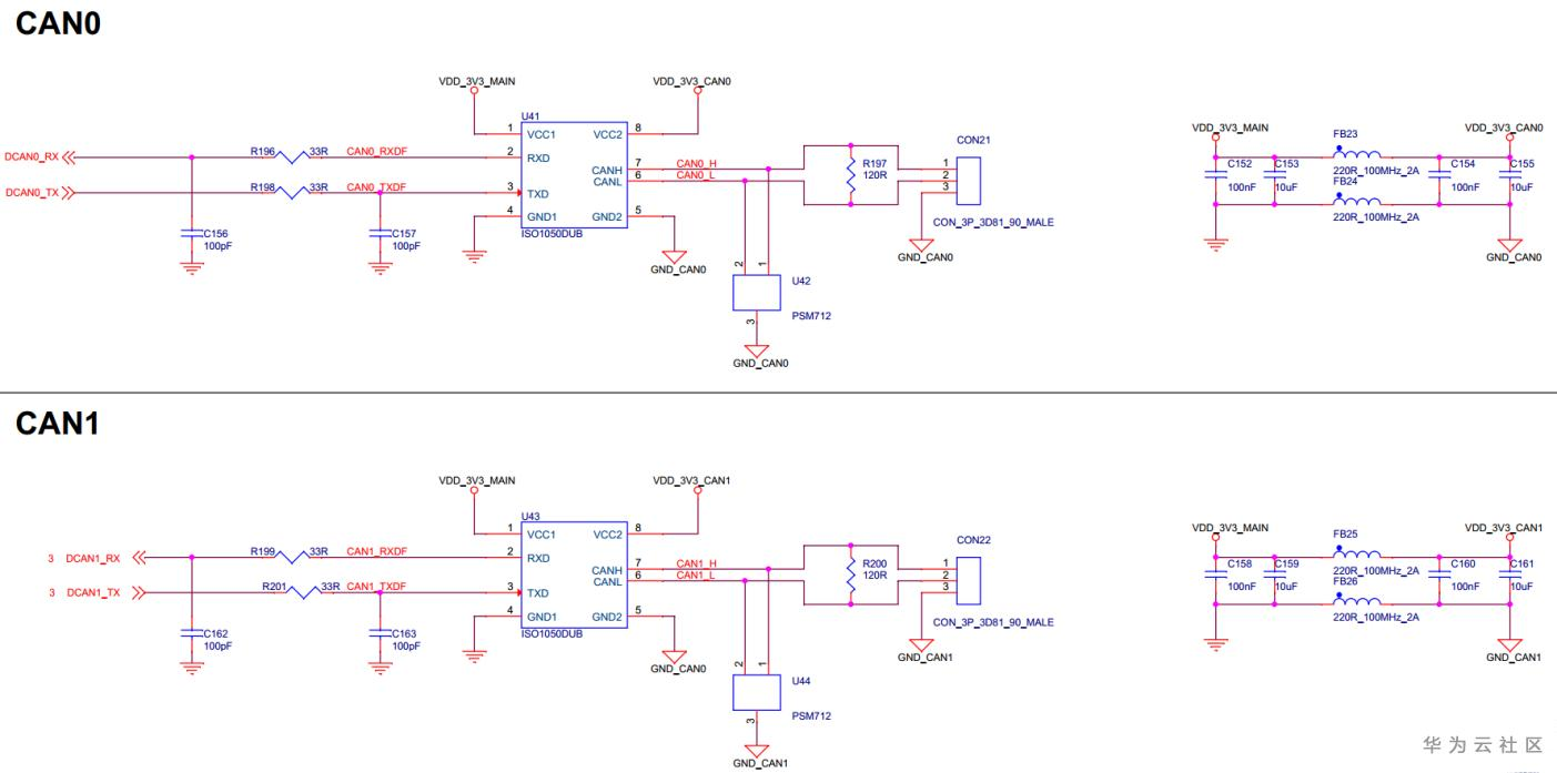
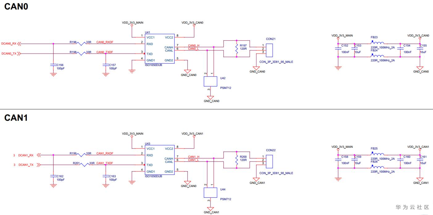
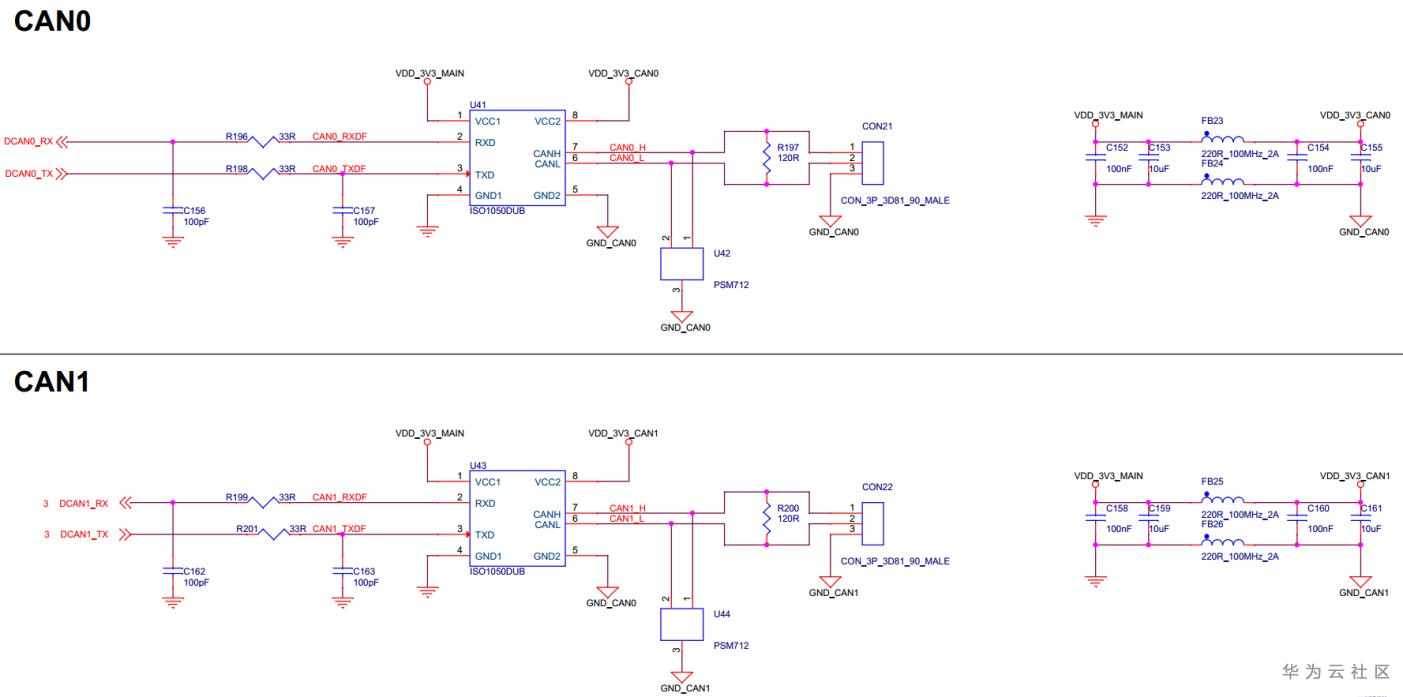
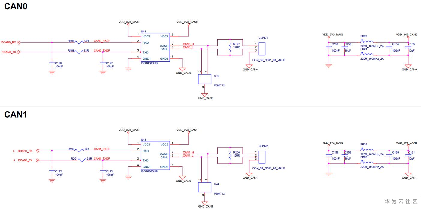
CAN接口
本开发板搭载有两个CAN总线接口:CAN0和CAN1。CON21和CON22为对应接线端子,使用电镀隔离的隔离式芯片ISO1050作为CAN转发器,接口定义如下图:

图 3

图 4
【声明】本内容来自华为云开发者社区博主,不代表华为云及华为云开发者社区的观点和立场。转载时必须标注文章的来源(华为云社区)、文章链接、文章作者等基本信息,否则作者和本社区有权追究责任。如果您发现本社区中有涉嫌抄袭的内容,欢迎发送邮件进行举报,并提供相关证据,一经查实,本社区将立刻删除涉嫌侵权内容,举报邮箱:
cloudbbs@huaweicloud.com
- 点赞
- 收藏
- 关注作者
评论(0)