VL102+IT6563组合替代方案|AG9311MAQ设计方案|TYPEC转HDMI带PD低成本方案
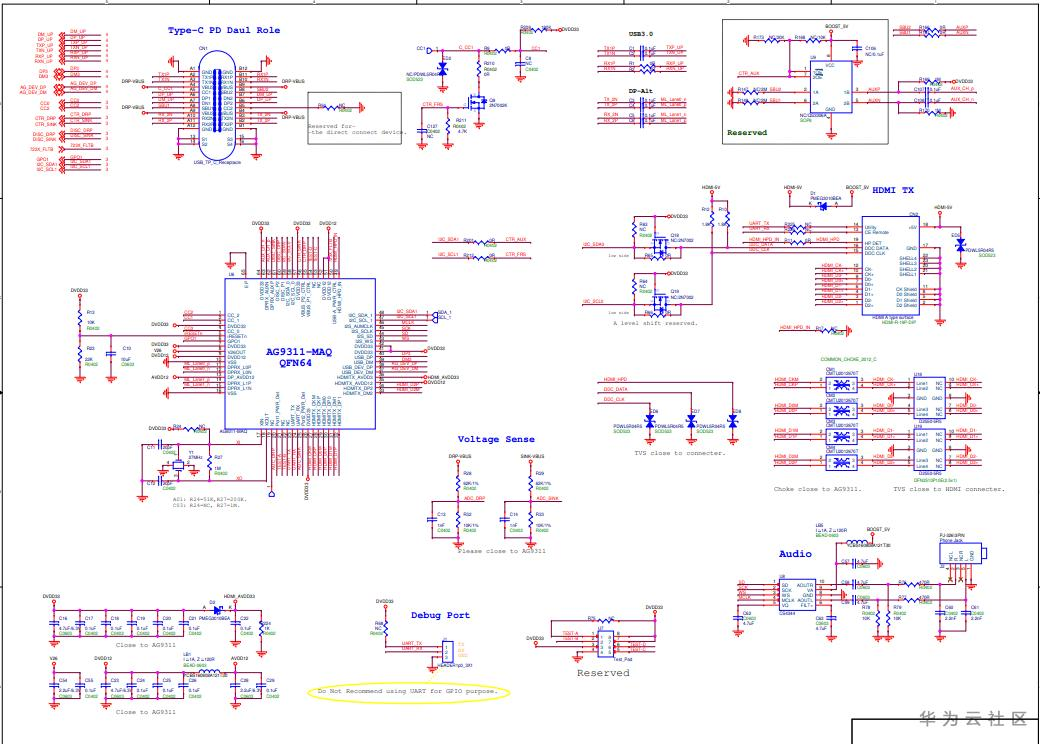
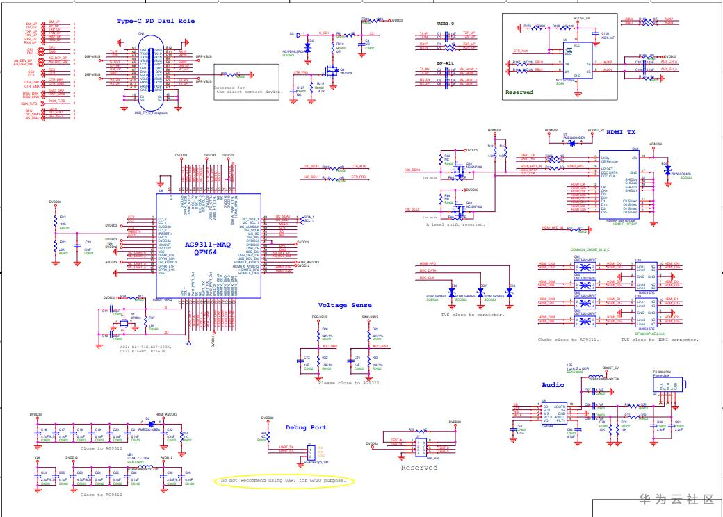
【摘要】 客户在设计TYPEC转HDMI音视频扩展坞设计过程中会采用VL102+IT6563组合方案,成本较贵,芯片较多,台湾安格在2019年未开发出一款带PD快充的TYPEC转HDMI高集成度芯片AG9311MAQ ,支持Type-C转HDMI带PD低成本方案 ,其设计参考电路如下: AG9311特点1、显示AG9311符合 DisplayPort specification Revision 1....
客户在设计TYPEC转HDMI音视频扩展坞设计过程中会采用VL102+IT6563组合方案,成本较贵,芯片较多,台湾安格在2019年未开发出一款带PD快充的TYPEC转HDMI高集成度芯片AG9311MAQ ,支持Type-C转HDMI带PD低成本方案 ,其设计参考电路如下:


AG9311特点
1、显示
AG9311符合 DisplayPort specification Revision 1.2
AG9311支持1.62(RBR)/2.7(HBR)/5.4(HBR2)Gbps数据速率
支持1/2线路配置
支持下行扩频时钟(SSC)
AG9311支持I2S总线音频提取
2、HDMI
HDMI 高清多媒体接口
符合HDMI1.4和HDCP1.4规范
支持高达3Gbps
AG9311支持分辨率高达4kx2k@30Hz输出
支持HDCP键预先编程
兼容EDID和MCCS
支持采样率48kHz/44.1KHz/32KHz的LPCM双通道
3、USB Type-C PD
支持显示端口备用模式协议DisplayPort Alternate
符合USB PD3.0
集成Type-C RP and RD电阻器
支持2个 USB Type-C端口
支持USB宣称
集成USB2.0全速
【版权声明】本文为华为云社区用户原创内容,未经允许不得转载,如需转载请自行联系原作者进行授权。如果您发现本社区中有涉嫌抄袭的内容,欢迎发送邮件进行举报,并提供相关证据,一经查实,本社区将立刻删除涉嫌侵权内容,举报邮箱:
cloudbbs@huaweicloud.com
- 点赞
- 收藏
- 关注作者
评论(0)