TI Sitara AM335x是一款高性能嵌入式32位工业级Cortex-A8开发板
【摘要】 TI Sitara AM335x是一款高性能嵌入式32位工业级Cortex-A8处理器,主频可高达1GHz,运算能力可高达2000DMIPS,搭配DDR3,兼容eMMC和NAND FLASH,拥有多种工业接口资源。以下是AM335x CPU资源框图图1开发板使用底板+核心板设计模式,开发板底板上有4个50pin、0.5mm间距的B2B连接器,其中CONC和COND是母座,CONA和CONB是...
TI Sitara AM335x是一款高性能嵌入式32位工业级Cortex-A8处理器,主频可高达1GHz,运算能力可高达2000DMIPS,搭配DDR3,兼容eMMC和NAND FLASH,拥有多种工业接口资源。以下是AM335x CPU资源框图

图1
开发板使用底板+核心板设计模式,开发板底板上有4个50pin、0.5mm间距的B2B连接器,其中CONC和COND是母座,CONA和CONB是公座,用于和核心板连接,底板各个B2B的引脚定义请参照光盘资料底板原理图文件:

图2
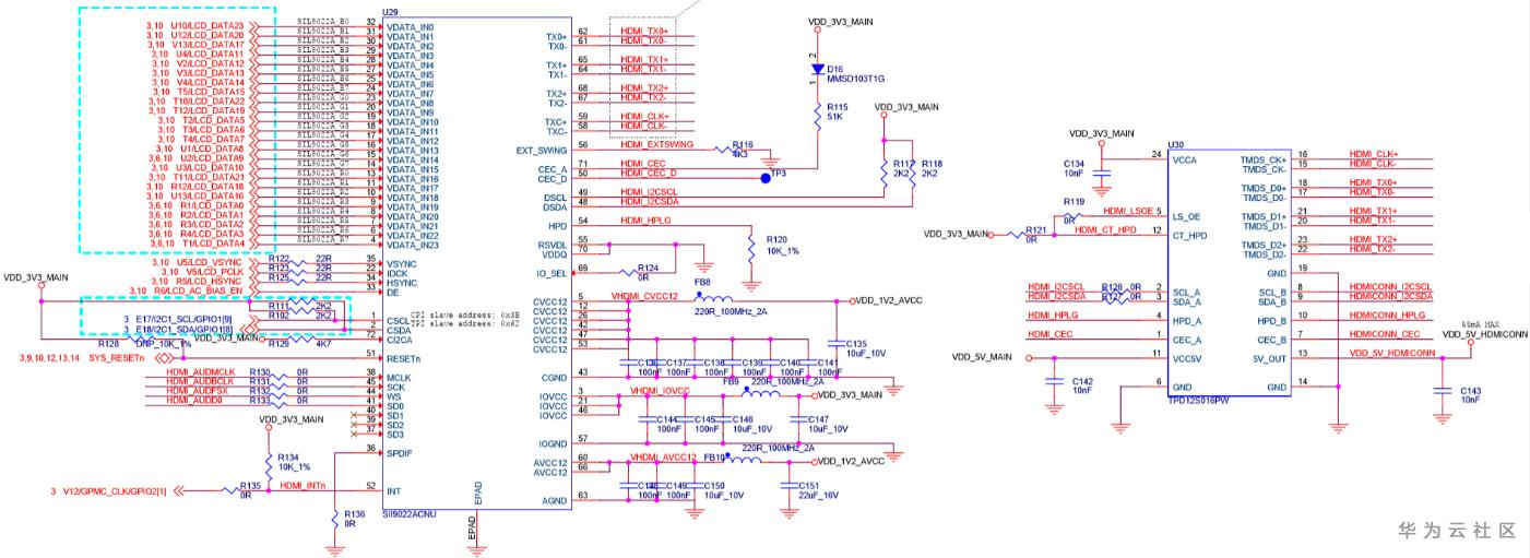
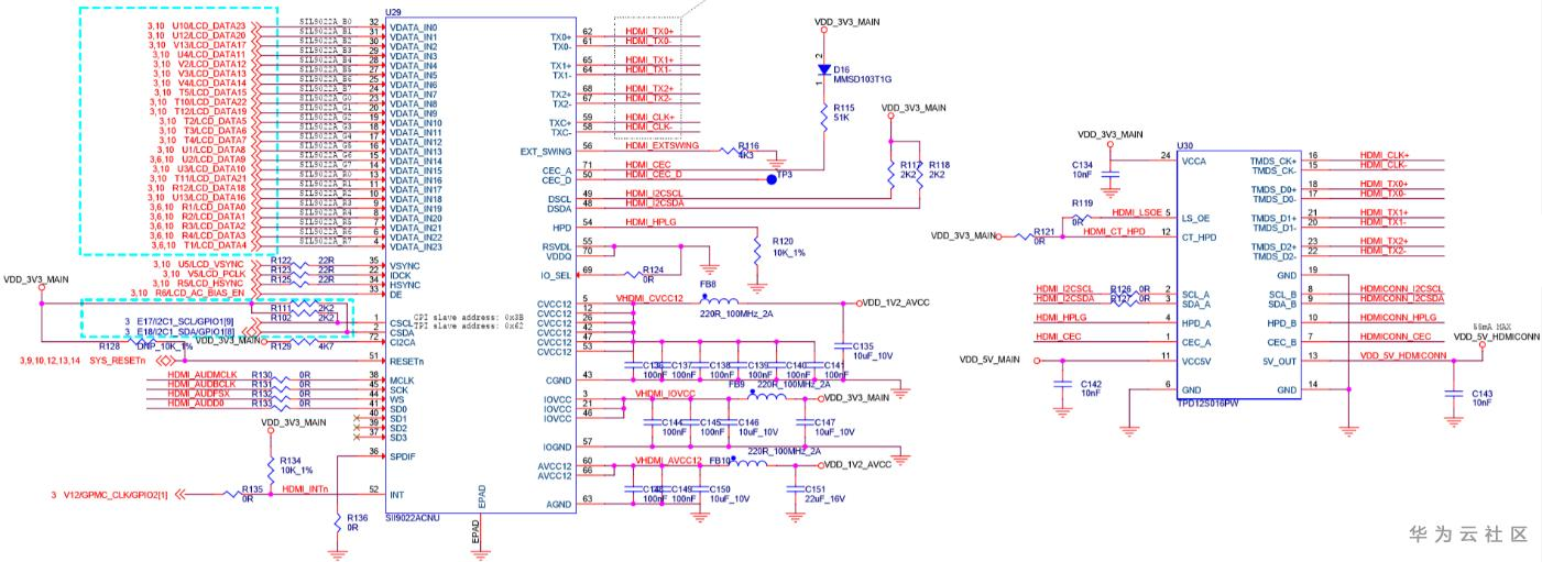
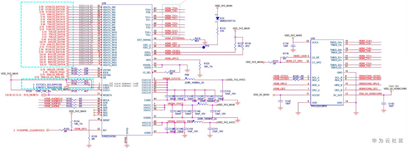
开发板配有高清晰度HDMI输出接口,支持1080p高清视频,其硬件位置及原理图如下图所示:

图 3

图 4

图 5
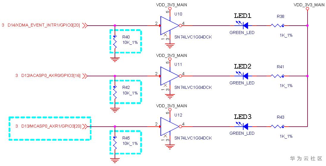
LED指示灯
底板上包含有1个电源指示灯LED0、3个用户可编程指示灯LED1、LED2和LED3,其硬件位置及原理图如下图所示:

图 6

图7
近期创龙推出的活动价格相当诱人,一块全功能的板子售出价格接近成本价,在工业控制领域来说相当有竞争力。

【声明】本内容来自华为云开发者社区博主,不代表华为云及华为云开发者社区的观点和立场。转载时必须标注文章的来源(华为云社区)、文章链接、文章作者等基本信息,否则作者和本社区有权追究责任。如果您发现本社区中有涉嫌抄袭的内容,欢迎发送邮件进行举报,并提供相关证据,一经查实,本社区将立刻删除涉嫌侵权内容,举报邮箱:
cloudbbs@huaweicloud.com
- 点赞
- 收藏
- 关注作者
评论(0)