TLZ7x-EasyEVM开发板硬件说明(2)
启动拨码开关
SW3设有6位启动拨码开关,如下图所示,当拨码至ON的一端表示为1,相反为0,下图中档位为111111,启动模式详见开发板原理图,各引脚定义如下图所示:

图 27

图 28
串口
开发板具有2路USB TO UART串口,PS端和PL端各1路,通过USB转双串口芯片CP2105与Micro USB物理接口CON5连接。可以使用Micro USB线连接PC进行调试,连接后,可以在PC上看到一共挂载了2个串口设备。使用CP2105的好处是,只需一根USB连接线,就实现了2路串口。各引脚定义如下图所示:

图 29

图 30
CAN接口
开发板引出1路CAN接口CON6,采用3 pin接线端子连接方式,各引脚定义如下图所示:

图 31

图 32
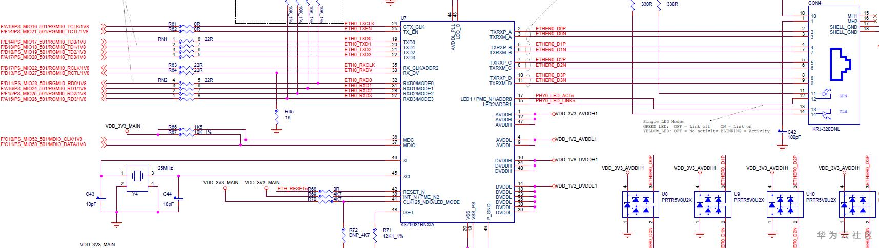
RJ5千兆以太网口
板载自适应RGMII 10/100/1000M网络接口,RJ45连接器内部已经包含耦合线圈,因此不必另接网络变压器,使用普通的直连网线即可连接本开发板至路由器或者交换机。网络接口是CON4,接口的引脚定义,如下图所示:

图 33

图 34
USB接口
CON3是A型USB 2.0 HOST接口,可以接USB摄像头、USB鼠标、U盘等常见的USB外设,各引脚定义,如下图所示:

图 35

图 36
SD卡接口
板载1路Micro SD卡接口,位于CON7,各引脚定义,如下图所示:

图 37

图 38
拓展IO信号
通过欧式连接器CON8引出拓展IO信号,各引脚定义如下图所示:

图 39

图 40
J4以34 pin的排针引出了拓展信IO号,各引脚定义,如下图所示:

图 41

图 42
PL端电压配置接口
J1是PL端电压配置接口,可根据需要自行选择配置,通过连接跳线帽实现给PL端提供电压,有1.5V、1.8V和3.3V可选,引脚定义如下图所示:

图 43

图 44
- 点赞
- 收藏
- 关注作者
评论(0)