TL335x-EVM开发板硬件说明(3)
【摘要】 CAN总线接口开发板搭载有一个CAN总线接口CAN。CON9为对应接线端子,接口定义如下图:图 30图 31 RTC座芯片内部自带RTC时钟控制器,通过可充电ML2032型RTC座引出接口,电压值为3V,其接口为CON3。其硬件位置及原理图如下图所示:图 32图 33 USB DRD/USB HUB接口CON10为Micro USB 2.0接口,应用于各种不同的移动设备间的连接,进行数据交换...
CAN总线接口
开发板搭载有一个CAN总线接口CAN。CON9为对应接线端子,接口定义如下图:

图 30

图 31
RTC座
芯片内部自带RTC时钟控制器,通过可充电ML2032型RTC座引出接口,电压值为3V,其接口为CON3。其硬件位置及原理图如下图所示:

图 32

图 33
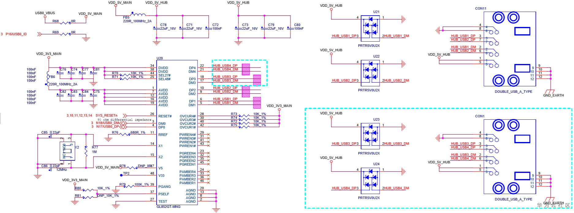
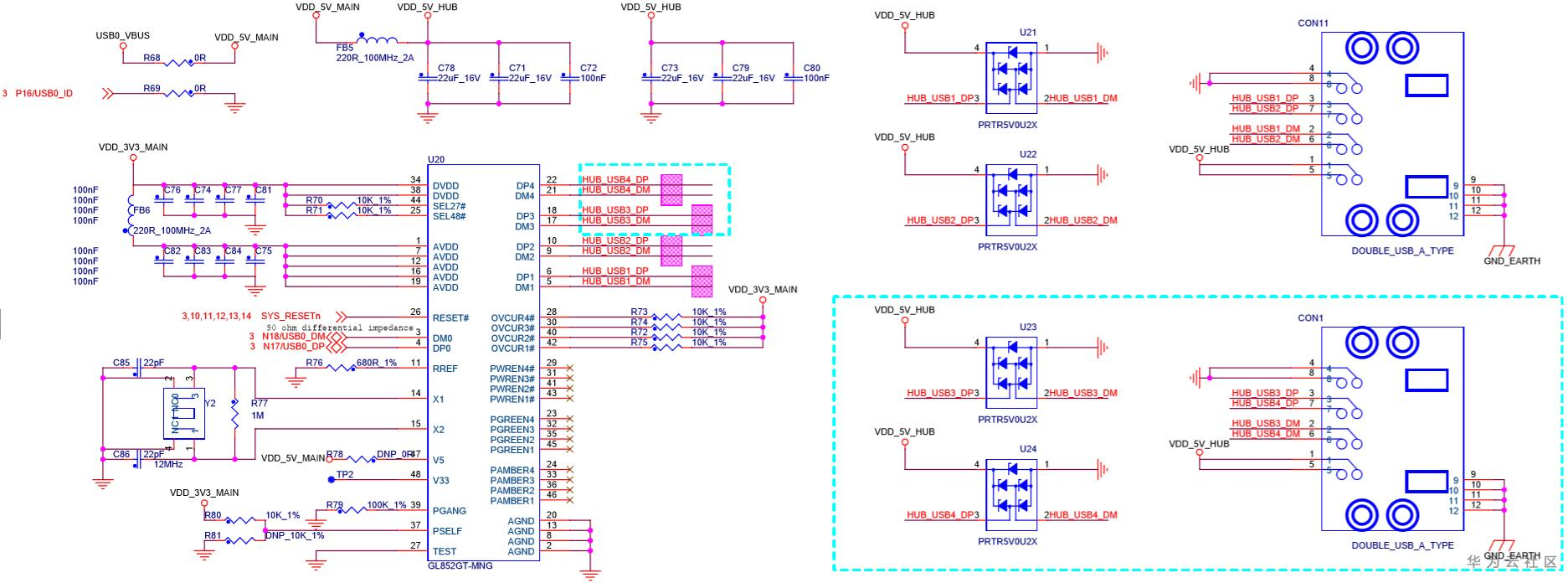
USB DRD/USB HUB接口
CON10为Micro USB 2.0接口,应用于各种不同的移动设备间的连接,进行数据交换,传输速度高达480Mbps。
CON1和CON11是双层的USB HOST 2.0接口,应用于各种不同的移动设备间的连接,进行数据交换,传输速度高达480Mbps。可以接USB摄像头、USB键盘、USB鼠标、U盘等常见的USB外设。其硬件位置及原理图如下图所示:

图 34

图 35

图 36

图 37
RGMII千兆以太网接口
开发板配置了两个RGMII千兆以太网口CON18和CON19,采用了KSZ9031RNXIA网络芯片,自适应10/100/1000M网络,RJ45连接头内部已经包含了耦合线圈,因此不必另接网络变压器,使用普通的直连网线即可连接开发板至路由器或者交换机。其硬件位置及原理图如下图所示:

图 38

图 39
拓展IO口
J3引出了GPMC/GPIO拓展信号,J4引出了McASP/I2C/GPIO扩展信号,其硬件位置及原理图如下图所示:

图 40

图 41

图 42

图 43
ADC接口
对应J2接口,采用双排针(2*5pin)连接方式,其硬件位置及原理图如下图所示:

图 44

图 45
【声明】本内容来自华为云开发者社区博主,不代表华为云及华为云开发者社区的观点和立场。转载时必须标注文章的来源(华为云社区)、文章链接、文章作者等基本信息,否则作者和本社区有权追究责任。如果您发现本社区中有涉嫌抄袭的内容,欢迎发送邮件进行举报,并提供相关证据,一经查实,本社区将立刻删除涉嫌侵权内容,举报邮箱:
cloudbbs@huaweicloud.com
- 点赞
- 收藏
- 关注作者
评论(0)