TL335x-EVM开发板硬件说明(2)
【摘要】 HDMI OUT接口开发板配有高清晰度HDMI输出接口,支持1080p高清视频,其硬件位置及原理图如下图所示:图 13图 14图 15 LED指示灯底板上包含有1个电源指示灯LED0、3个用户可编程指示灯LED1、LED2和LED3,其硬件位置及原理图如下图所示:图 16图 17 按键5个按键包含1个复位按键KEY1,1个长按睡眠按键KEY2,1个唤醒按键KEY3,2个可编程输入按键(含1个...
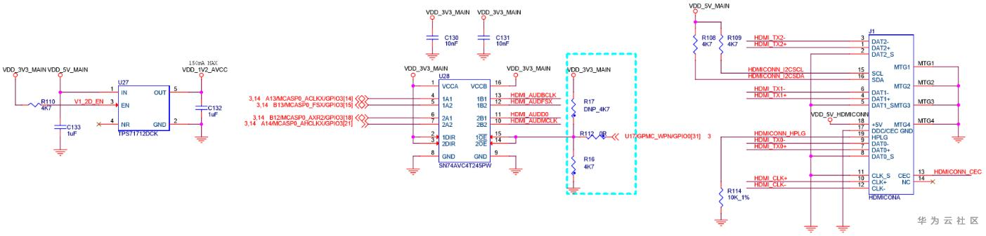
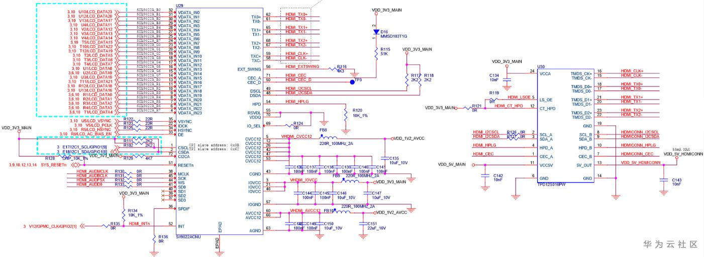
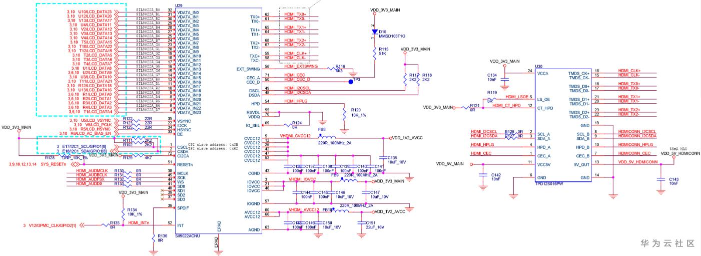
HDMI OUT接口
开发板配有高清晰度HDMI输出接口,支持1080p高清视频,其硬件位置及原理图如下图所示:

图 13

图 14

图 15
LED指示灯
底板上包含有1个电源指示灯LED0、3个用户可编程指示灯LED1、LED2和LED3,其硬件位置及原理图如下图所示:

图 16

图 17
按键
5个按键包含1个复位按键KEY1,1个长按睡眠按键KEY2,1个唤醒按键KEY3,2个可编程输入按键(含1个非屏蔽中断按键)KEY4和KEY5。其硬件位置及原理图如下图所示:

图 18

图 19

图 20
串口
开发板上共引出了3个串口,分别为CON4、CON6、CON8,其中CON4为Micro USB调试串口(UART3)、CON6为RS232串口(UART0)、CON8为RS485串口(UART1)。其硬件位置及原理图如下图所示:
表 1
串口名称 |
开发板位置 |
串口说明 |
Micro USB |
CON4 |
通过CH340芯片转成Micro USB接口 |
RS232 |
CON6 |
通过SP3232EEY-L/TR串口电平转换芯片转成RS232串口,使用9针DB9接口 |
RS485 |
CON8 |
使用3位接线端子 |

图 21

图 22

图 23

图 24
BOOT SET启动选择开关
SW2设有5位拨码开关,如下图方向放置,拨码向ON方向拨动为1,向ON的相反方向拨动为0,其硬件位置及原理图如下图所示:

图 25

图 26
Micro SD接口
Micro SD卡接口,主要用于外接大容量数据存储,其硬件位置及原理图如下图所示:

图 27

图 28

图29
【声明】本内容来自华为云开发者社区博主,不代表华为云及华为云开发者社区的观点和立场。转载时必须标注文章的来源(华为云社区)、文章链接、文章作者等基本信息,否则作者和本社区有权追究责任。如果您发现本社区中有涉嫌抄袭的内容,欢迎发送邮件进行举报,并提供相关证据,一经查实,本社区将立刻删除涉嫌侵权内容,举报邮箱:
cloudbbs@huaweicloud.com
- 点赞
- 收藏
- 关注作者
评论(0)