TL335x-EVM开发板硬件说明
处理器
TI Sitara AM335x是一款高性能嵌入式32位工业级Cortex-A8处理器,主频可高达1GHz,运算能力可高达2000DMIPS,搭配DDR3,兼容eMMC和NAND FLASH,拥有多种工业接口资源,以下是AM335x CPU资源框图:

图 1
FLASH
FLASH采用512M/1GByte NAND FLASH或4GByte eMMC,硬件位置如下图:

图 2
RAM
RAM采用DDR3L,硬件如下图:

图 3
FRAM
U9为FRAM铁电芯片,大小为8KByte,利用铁电晶体的铁电效应实现数据存储,其特点是速度快,读写功耗极低,能像RAM一样操作。连接I2C0总线,地址0X50用于存储板卡ID或者用户写入数据,地址0X51用于存储板卡ID或者用户读取数据。其硬件位置及原理图如下图所示:

图 4

图 5
底板B2B连接器
开发板使用底板+核心板设计模式,开发板底板上有4个50pin、0.5mm间距的B2B连接器,其中CONC和COND是母座,CONA和CONB是公座,用于和核心板连接,底板各个B2B的引脚定义请参照光盘资料底板原理图文件:

图 6
电源接口和拨码开关
采用12V@2A直流电源供电,CON2为电源接口,SW1为电源拨码开关,其硬件位置及原理图如下图所示:

图 7

图 8
JTAG仿真器接口
可以通过TI Rev B JTAG接口(CON7)烧写Bootloader和进行软件调试。各引脚定义如下图:

图 9

图 10
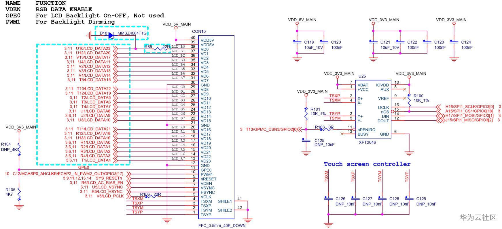
LCD触摸屏接口
CON15为LCD电阻触摸屏接口,为40pin、0.5mm间距LCD接口,使用FFC排线座。LCD接口包含了常见LCD所用全部控制信号(行场扫描、时钟和使能等),接口定义如下图所示:

图 11

图12
- 点赞
- 收藏
- 关注作者
评论(0)