TL138/1808/6748-EVM开发板硬件说明(2)
BOOT SET启动选择开关
SW2设有5位启动选择开关,如下图:

图 26
SD卡接口
开发板带有2路SDIO接口,其中MMC/SD1被复用做LCD接口,另外一路MMC/SD0用作SD卡接口,板上接口为CON6,该接口可以支持SDHC,也就是高速大容量SD卡。

图27

图28
拓展IO信号
J2是EMIFA接口,通过EMIFA可实现开发板与不同类型存储设备的连接,例如并口AD模块、多串口模块,其引脚定义如下:

图29

图30
J3提供了GPIO、SPI、I2C、uPP、UART等拓展信号,方便客户实现功能模块拓展,比如外接CMOS摄像头、FPGA高速数据采集板卡等模块、多通道DA模块,引脚定义如下图:

图31

图32
底板B2B连接器
开发板底板上有4个50pin、0.5mm间距的B2B连接器,其中CON1和CON3是母座,CON2和CON4是公座,用于和核心板连接,以下为底板各个B2B的引脚定义:

图33

图34

图35

图36

图37
RTC座
由于芯片内部自带RTC时钟控制器,直接在底板装上电池即可使用,其接口为BT1,电压值为3V。引脚定义如下图:

图38
SATA硬盘接口
开发板的SATA接口J1,采用串行连接方式。而串行ATA总线使用嵌入式时钟信号,具备了更强的纠错能力,与以往相比其最大的区别在于能对传输指令(不仅仅是数据)进行检查,如果发现错误会自动矫正,这在很大程度上提高了数据传输的可靠性,速度可达3Gbps。串行SATA接口还具有结构简单、支持热插拔的优点。硬件及引脚定义如下图:

图39

图40
RJ45以太网口
开发板采用了SMSC的LAN8710A网卡芯片,它可以自适应10/100M网络,RJ45连接头内部已经包含了耦合线圈,因此不必另接网络变压器,使用普通的直连网线即可连接本开发板至路由器或者交换机,若是PC和开发板直接相连需要使用交叉网线。网络接口CON19的接口定义如下图:

图41

图42
USB接口
CON9是Mini USB 2.0 OTG接口,理论速度480Mbps,主要应用于各种不同的设备或移动设备等从设备间的连接,进行数据交换。其引脚定义如下图:

图43

图44
CON12和CON13是2个双层USB接口,共4个A型USB 1.1 HOST,理论速度12Mbps,它和普通PC的USB接口是一样的,可以接USB摄像头、USB键盘、USB鼠标、U盘等常见的USB外设。这4个USB HOST是由一个USB Hub芯片扩展得到的。其引脚定义如下图:

图45

图46
音频输出输入接口
开发板带有音频输入和输出接口,使用TLV320AIC3106IRGZ音频芯片。CON10为Line in音频输入接口,CON11为Line out音频输出接口,CON18为Mic in音频输入接口。以上三者均使用3.5mm直径接口,实图和原理图如下:

图47

图48

图 49
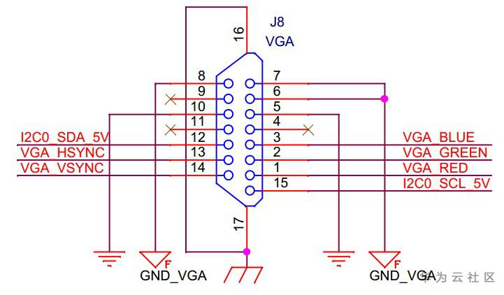
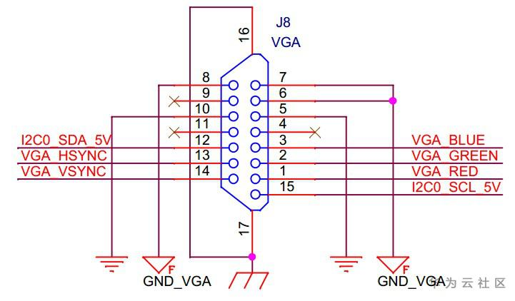
VGA视频输出接口
J8是VGA视频输出接口,分辨率可达1024*1024,使用的VGA视频芯片是芯海科技的CS7123,以下为VGA输出接口的引脚定义:

图50

图51
- 点赞
- 收藏
- 关注作者
评论(0)