TL335x-EVM开发板硬件说明书(2)
串口
开发板上共引出了3个串口,分别为CON4、CON6、CON8,其中CON4为Micro USB调试串口(UART3)、CON6为RS232串口(UART0)、CON8为RS485串口(UART1)。其硬件位置及原理图如下图所示:
表 1
串口名称 |
开发板位置 |
串口说明 |
Micro USB |
CON4 |
通过CH340芯片转成Micro USB接口 |
RS232 |
CON6 |
通过SP3232EEY-L/TR串口电平转换芯片转成RS232串口,使用9针DB9接口 |
RS485 |
CON8 |
使用3位接线端子 |

图 21

图 22

图 23


图 24

图 25
BOOT SET启动选择开关
SW2设有5位拨码开关,如下图方向放置,拨码向ON方向拨动为1,向ON的相反方向拨动为0,其硬件位置及原理图如下图所示:

图 26

图 27
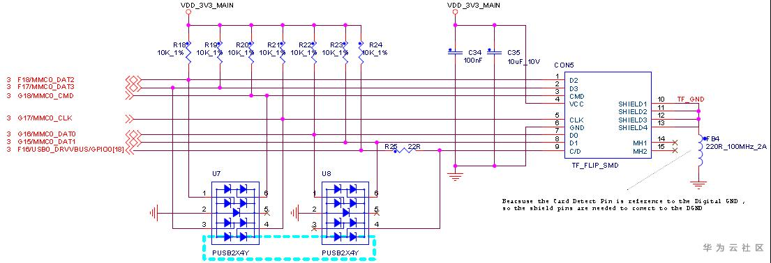
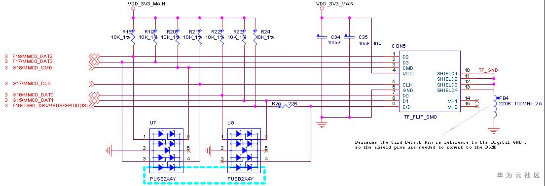
Micro SD接口
Micro SD卡接口,主要用于外接大容量数据存储,其硬件位置及原理图如下图所示:

图 28

图 29
CAN总线接口
开发板搭载有一个CAN总线接口CAN。CON9为对应接线端子,接口定义如下图:

图 30

图 31
RTC座
芯片内部自带RTC时钟控制器,通过可充电ML2032型RTC座引出接口,电压值为3V,其接口为CON3。其硬件位置及原理图如下图所示:

图 32

图 33
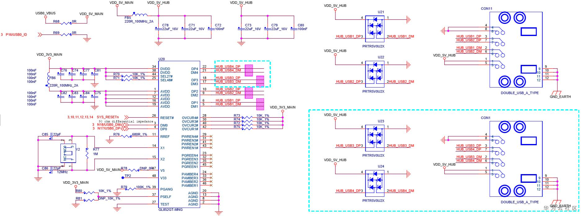
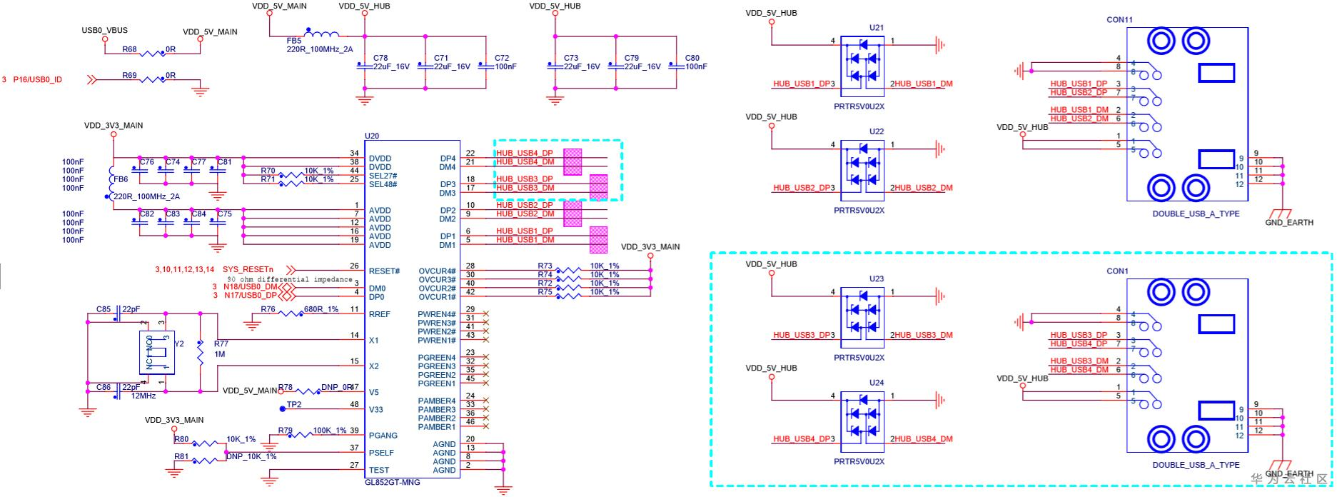
USB DRD/USB HUB接口
CON10为Micro USB 2.0接口,应用于各种不同的移动设备间的连接,进行数据交换,传输速度高达480Mbps。
CON1和CON11是双层的USB HOST 2.0接口,应用于各种不同的移动设备间的连接,进行数据交换,传输速度高达480Mbps。可以接USB摄像头、USB键盘、USB鼠标、U盘等常见的USB外设。其硬件位置及原理图如下图所示:

图 34

图 35

图 36

图 37
RGMII千兆以太网接口
开发板配置了两个RGMII千兆以太网口CON18和CON19,采用了KSZ9031RNXIA网络芯片,自适应10/100/1000M网络,RJ45连接头内部已经包含了耦合线圈,因此不必另接网络变压器,使用普通的直连网线即可连接开发板至路由器或者交换机。其硬件位置及原理图如下图所示:

图 38

图 39
拓展IO口
J3引出了GPMC/GPIO拓展信号,J4引出了McASP/I2C/GPIO扩展信号,其硬件位置及原理图如下图所示:

图 40

图 41

图 42

图 43
ADC接口
对应J2接口,采用双排针(2*5pin)连接方式,其硬件位置及原理图如下图所示:

图 44

图 45
- 点赞
- 收藏
- 关注作者
评论(0)