基于小熊派SD卡+Fatfs+移植开源iniparse解析库并使用
在实际产品开发过程中,我们常常会对一些产品的内置参数进行存储,比如:
-
1、当前属于哪种语言 -
2、机器开机密码 -
3、机器出厂序列号
等等其它关键的参数,最常用的存储方法是基于xxx.ini的文件形式来进行存储,ini文件是什么在以往的文章中也有相应的介绍。
1、了解什么是INI文件?
ini 文件是Initialization File的缩写,即初始化文件,这是用来配置应用软件以实现不同用户的要求。
2、INI文件的格式
INI文件由节、键、值组成。一个简单的的INI文件例子如下:
[Setting]
INIT_FLAG=0;
VOLUME=1;
LANGUAGE=1;
如上例子,[Setting]就是节,=号左边的值是键,=号右边的是值。
3、关于ini_parse开源C库
在github上,关于ini文件的解析已经有相应的开源软件了,网址如下:
https://github.com/ndevilla/iniparser
上面会非常详细介绍这个开源程序是如何来编译以及使用的,并且也开源了相应的源代码,具体原理本节不会多讲,因为开源的文档已经讲解得非常详细了,本节,我将基于小熊派,配置一个SD卡+Fatfs的工程,在确保文件系统在SD卡构建的情况下,来移植ini_parse库,以便于我们日常开发的使用。
4、stm32cubeMX SD卡+Fatfs文件系统工程配置
4.1 时钟配置
这里我选择是外部时钟。


4.2 串行调试接口配置

4.3 SD卡接口参数配置
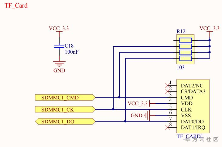
以下是SD卡接口在小熊派上的电路原理图。

对应主控MCU管脚的连接

由于这里只有一条输出D0输出线,所以在CubeMX上选择SD 1bit模式,其余参数默认。

4.4 配置调试串口

4.5 配置SD卡支持Fatfs

4.6 配置一路调试灯+2个按键
我们通过两个按键来实现更改参数和读取参数,并且用LED来提示。

最后生成代码即可 。
5、下载ini_parse库到生成的代码中并进行移植以支持fatfs

将对应的库文件包含到工程源码中:

由于ini_parse基于标准库所写,所以文件操作都是基于标准文件操作进行编写的,在这里我们需要把这些接口全部转变成fatfs的接口。
iniparse.h
在iniparse.h中包含fatfs的头文件
#include "fatfs.h"
原来标准文件操作的接口
//void iniparser_dump_ini(dictionary * d, FILE * f);
替换为现在支持Fatfs文件的操作接口
void iniparser_dump_ini(dictionary * d, /*FILE *f*/FIL * f);
原来标准文件操作的接口
//void iniparser_dumpsection_ini(dictionary * d, char * s, FILE * f);
替换为现在支持Fatfs文件的操作接口
void iniparser_dumpsection_ini(dictionary * d, char * s, /*FILE * f*/ FIL *f);
原来标准文件操作的接口
//void iniparser_dump(dictionary * d,*FILE * f);
替换为现在支持Fatfs文件的操作接口
void iniparser_dump(dictionary * d, /*FILE * f*/ FIL *f);
iniparse.c
调整支持fatfs的接口
iniparser_dump函数修改
void iniparser_dump(dictionary * d, /*FILE * f*/FIL *f)
{
int i ;
if (d == NULL || f == NULL) return ;
for (i = 0 ; i < d->size ; i++)
{
if (d->key[i] == NULL)
continue ;
if (d->val[i] != NULL)
{
f_printf(f, "[%s]=[%s]\n", d->key[i], d->val[i]);
//注释这里为标准库操作接口
//fprintf(f, "[%s]=[%s]\n", d->key[i], d->val[i]);
}
else
{
f_printf(f, "[%s]=UNDEF\n", d->key[i]);
//注释这里为标准库操作接口
//fprintf(f, "[%s]=UNDEF\n", d->key[i]);
}
}
return ;
}
iniparser_dumpsection_ini修改
void iniparser_dumpsection_ini(dictionary * d, char * s, /*FILE * f*/ FIL *f)
{
int j ;
char *keym;
int secsize ;
if (d == NULL || f == NULL) return ;
if (! iniparser_find_entry(d, s)) return ;
//注释这里为标准库操作接口
//fprintf(f, "\n[%s]\n", s);
f_printf(f, "\n[%s]\n", s);
secsize = (int)strlen(s) + 2;
keym = (char *)malloc(secsize);
snprintf(keym, secsize, "%s:", s);
for (j = 0 ; j < d->size ; j++)
{
if (d->key[j] == NULL)
continue ;
if (!strncmp(d->key[j], keym, secsize - 1))
{
//注释这里为标准库操作接口
/*
fprintf(f,
"%-30s = %s\n",
d->key[j]+secsize-1,
d->val[j] ? d->val[j] : "");
*/
f_printf(f,
"%-30s = %s\n",
d->key[j] + secsize - 1,
d->val[j] ? d->val[j] : "");
}
}
//注释这里为标准库操作接口
//fprintf(f, "\n");
f_printf(f, "\n");
free(keym);
return ;
}
iniparser_load函数由于太长,限于篇幅,这里我们只具体截出更改的函数:
注释原始的文件描述符
//FILE * in = NULL ;
//修改fopen为f_open
//if ((in=fopen(ininame, "r"))==NULL)
//{
// fprintf(stderr, "iniparser: cannot open %s\n", ininame);
// goto out;
//}
retSD = f_open(&SDFile, ininame, FA_OPEN_EXISTING | FA_READ);
if(FR_OK != retSD)
{
fprintf(stderr, "iniparser: cannot open %s\n", ininame);
goto out ;
}
//修改fgets为f_gets
//while (fgets(line, ASCIILINESZ, in)!=NULL) {
while(f_gets(line, ASCIILINESZ, &SDFile) != NULL)
//修改feof为f_eof
// if (line[len]!='\n' && !feof(in)) {
if (line[len] != '\n' && !f_eof(&SDFile))
修改fclose为f_close
// if (in) {
// fclose(in);
f_close(&SDFile);
到这里移植就结束了,非常简单,只需要把对应的接口做替换就可以了。
6、编写测试代码
对应头文件包含
/* USER CODE BEGIN Includes */
#include "iniparser.h"
#include "multi_button.h"
/* USER CODE END Includes */
定义串口重定向
int fputc(int ch, FILE *stream)
{
/* 堵塞判断串口是否发送完成 */
while((USART1->ISR & 0X40) == 0);
/* 串口发送完成,将该字符发送 */
USART1->TDR = (uint8_t) ch;
return ch;
}
定义例程对应的全局参数
multi_button相关,用于按键操作
/* USER CODE BEGIN PV */
Button button1, button2;
/* USER CODE END PV */
/*文件名*/
#define SETTING_PARA "0:Para.ini"
/*默认系统配置信息*/
char *System_Config_Info =
"[Setting]\n"
"led_flag=1;\n" /*LED标志*/
"plot_flag=0;\n" /*曲线开关*/
"WIFI_NAME=BearPi_ESP8266;\n" /*WIFI热点*/
"WIFI_PASSWORD=12345678;\n" /*WIFI密码*/
;
typedef struct
{
int led_flag ;
int plot_flag ;
char wifi_name[32] ;
char wifi_password[32];
} info ;
info ini_info ;
dictionary *Config_ini = NULL;
/*系统配置文件全局变量*/
uint8_t retUSER_SYS_CONFIG ;
FATFS USERFatFS_SYS_CONFIG ;
FIL USER_SYS_CONFIG_File ;
/*挂载SD卡*/
int Mount_SD(void)
{
/*挂载SD卡*/
retSD = f_mount(&SDFatFS, SDPath, 1);
if(FR_OK != retSD)
return -1 ;
return 0 ;
}
/*创建一个默认的配置文件*/
void Create_Default_InI_File(void)
{
retUSER_SYS_CONFIG = f_open(&USER_SYS_CONFIG_File, SETTING_PARA, FA_OPEN_ALWAYS | FA_WRITE);
if(FR_OK != retUSER_SYS_CONFIG)
{
fprintf(stderr, "iniparser: cannot open %s\n", SETTING_PARA);
return ;
}
f_printf(&USER_SYS_CONFIG_File, System_Config_Info);
f_close(&USER_SYS_CONFIG_File);
}
/*加载INI文件*/
int Load_Confg_INI_Process(void)
{
/*加载INI文件*/
Config_ini = iniparser_load(SETTING_PARA);
if(NULL == Config_ini)
{
printf("加载出错\n");
Create_Default_InI_File();
Config_ini = iniparser_load(SETTING_PARA);
if(NULL == Config_ini)
{
printf("创建默认INI文件后继续加载出错\n");
return -1;
}
}
printf("加载INI文件成功\n");
return 0 ;
}
/*保存参数*/
int INI_Para_Save_Process(void)
{
/*write config.ini parse*/
retUSER_SYS_CONFIG = f_open(&USER_SYS_CONFIG_File, SETTING_PARA, FA_OPEN_EXISTING | FA_WRITE);
if(FR_OK != retUSER_SYS_CONFIG)
{
printf("iniparser: cannot open %s\n", SETTING_PARA);
return -1;
}
printf("参数设置保存成功\n");
iniparser_dump_ini(Config_ini, &USER_SYS_CONFIG_File);
f_close(&USER_SYS_CONFIG_File);
iniparser_freedict(Config_ini);
return 0 ;
}
//读取按键1
uint8_t read_button1()
{
return HAL_GPIO_ReadPin(KEY1_GPIO_Port, KEY1_Pin) ;
}
//读取按键2
uint8_t read_button2()
{
return HAL_GPIO_ReadPin(KEY2_GPIO_Port, KEY2_Pin) ;
}
//按键1回调
void button1_callback(void *ptr)
{
static uint8_t index = 0 ;
char *wifi_name_para[] = {"Yangyuanxin", "Bruce_Yang", "BearPi", "mculover666"};
if(index == 4)
index = 0 ;
printf("\r\n按下KEY1,改变并保存WIFI_NAME参数!\n");
Load_Confg_INI_Process();
iniparser_set(Config_ini, "Setting:WIFI_NAME", wifi_name_para[index]);
INI_Para_Save_Process();
printf("设置wifi_name:%s成功\n",wifi_name_para[index]);
HAL_GPIO_WritePin(LED_GPIO_Port, LED_Pin, GPIO_PIN_RESET);
++index ;
}
//按键2回调
void button2_callback(void *ptr)
{
char *wifi_name = NULL ;
printf("\r\n按下KEY2,读取WIFI_NAME参数!\n");
Load_Confg_INI_Process();
wifi_name = iniparser_getstring(Config_ini, "Setting:WIFI_NAME", "not found");
INI_Para_Save_Process();
memset(ini_info.wifi_name, 0, strlen(ini_info.wifi_name));
memcpy(ini_info.wifi_name, wifi_name, strlen(wifi_name));
printf("wifi_name:%s\n", ini_info.wifi_name);
HAL_GPIO_WritePin(LED_GPIO_Port, LED_Pin, GPIO_PIN_SET);
}
主函数实现:
/**
* @brief The application entry point.
* @retval int
*/
int main(void)
{
/* USER CODE BEGIN 1 */
int ret = -1 ;
char *wifi_name = NULL ;
char *wifi_password = NULL ;
/* USER CODE END 1 */
/* MCU Configuration--------------------------------------------------------*/
/* Reset of all peripherals, Initializes the Flash interface and the Systick. */
HAL_Init();
/* USER CODE BEGIN Init */
/* USER CODE END Init */
/* Configure the system clock */
SystemClock_Config();
/* USER CODE BEGIN SysInit */
/* USER CODE END SysInit */
/* Initialize all configured peripherals */
MX_GPIO_Init();
MX_SDMMC1_SD_Init();
MX_USART1_UART_Init();
MX_FATFS_Init();
/* USER CODE BEGIN 2 */
//初始化并注册按键
button_init(&button1, read_button1, 0);
button_init(&button2, read_button2, 0);
button_attach(&button1, SINGLE_CLICK, button1_callback);
button_attach(&button2, SINGLE_CLICK, button2_callback);
button_start(&button1);
button_start(&button2);
//挂载SD卡
ret = Mount_SD();
if(ret != 0)
{
printf("SD Card mount ERROR\r\n");
HAL_GPIO_WritePin(LED_GPIO_Port, LED_Pin, GPIO_PIN_SET);
return -1 ;
}
printf("SD卡挂载成功!\n");
//加载INI文件
ret = Load_Confg_INI_Process();
if(ret != 0)
{
printf("读取INI文件失败!\r\n");
HAL_GPIO_WritePin(LED_GPIO_Port, LED_Pin, GPIO_PIN_SET);
return -2 ;
}
/*加载系统参数*/
ini_info.led_flag = iniparser_getint(Config_ini, "Setting:led_flag", -1);
ini_info.plot_flag = iniparser_getint(Config_ini, "Setting:plot_flag", -1);
wifi_name = iniparser_getstring(Config_ini, "Setting:WIFI_NAME", "not found");
wifi_password = iniparser_getstring(Config_ini, "Setting:WIFI_PASSWORD", "not found");
memcpy(ini_info.wifi_name, wifi_name, strlen(wifi_name));
memcpy(ini_info.wifi_password, wifi_password, strlen(wifi_password));
/*改变参数led_flag*/
ret = iniparser_set(Config_ini, "Setting:led_flag", "0");
if(ret != 0)
{
printf("改变参数失败!\n");
return -3 ;
}
printf("改变参数成功\n");
/*参数保存,并释放内存*/
ret = INI_Para_Save_Process();
if(ret != 0)
{
printf("写入保存INI文件失败!\r\n");
HAL_GPIO_WritePin(LED_GPIO_Port, LED_Pin, GPIO_PIN_SET);
return -4 ;
}
printf("写入保存INI文件成功!\r\n");
/* USER CODE END 2 */
/* Infinite loop */
/* USER CODE BEGIN WHILE */
while (1)
{
/* USER CODE END WHILE */
/* USER CODE BEGIN 3 */
//以5ms周期调用按键tick
button_ticks();
HAL_Delay(5);
}
/* USER CODE END 3 */
}
注意,在Keil中,把堆栈尽量设大一些,以支持fatfs和iniparse的使用,可以通过CubeMX工程设置:

也可以直接在Keil中设置,但是下次用CubeMX生成的时候参数又会复原噢,建议采用CubeMX工程设置:

7、运行效果


还记得在上上节WIFI配网的粗暴方式,就可以以这种粗暴的方式直接改SSID和PASSWORD,然后产品开机直接就加载SD卡ini文件中的SSID和PASSWORD。

例程下载
链接:https://pan.baidu.com/s/13AJ6Pds4UzNSdkk1PcCGDQ
提取码:7y54
复制这段内容后打开百度网盘手机App,操作更方便哦
- 点赞
- 收藏
- 关注作者
评论(0)