网红物联网开发板小熊派使用评测
今天非常开心,因为收到了小熊派官方王总给我赠送的物联网开发学习套件:

里面还额外赠送了一个移动物联网卡+一个小熊派的钥匙扣,不得不说实在良心啊!

小熊派可以说是最近一段时间的网红开发板了,不少小伙伴都入手了一块,开始自己的嵌入式物联网学习历程。
一个小巧精致的盒子装下平时经常学习的模块,板子集成ST-Link,通过一根官方标配的USB数据线即可完成程序的烧录,不得不说真的很轻量。

开发板一个地方设计得非常贴心,那就是按键,当我们调试按键功能的时候,不会发出响声,这充分考虑到噪声对家人、同事、朋友的影响,如果你整天按那种噼里啪啦的按键,这真的会非常影响心情。

最有特色的是,是下面这个通过小熊派开发板上的一个开关可以切换模块的调试方式,我们可以直接让模块通过USB接到串口调试助手上,直接就可以实现串口AT指令调试了,调试没问题后,再把开关切回来,编写模块驱动程序,再不需要接一堆线在某个模块上,有时候接错了就把模块给烧了,白白浪费人民币啊!小熊派在这一点充分考虑了学习开发者的痛楚,相信这是众多开发板没有的功能,既省心又省事!

接下来让我们来一睹为快,看看小熊派开发套件究竟有哪些东西:

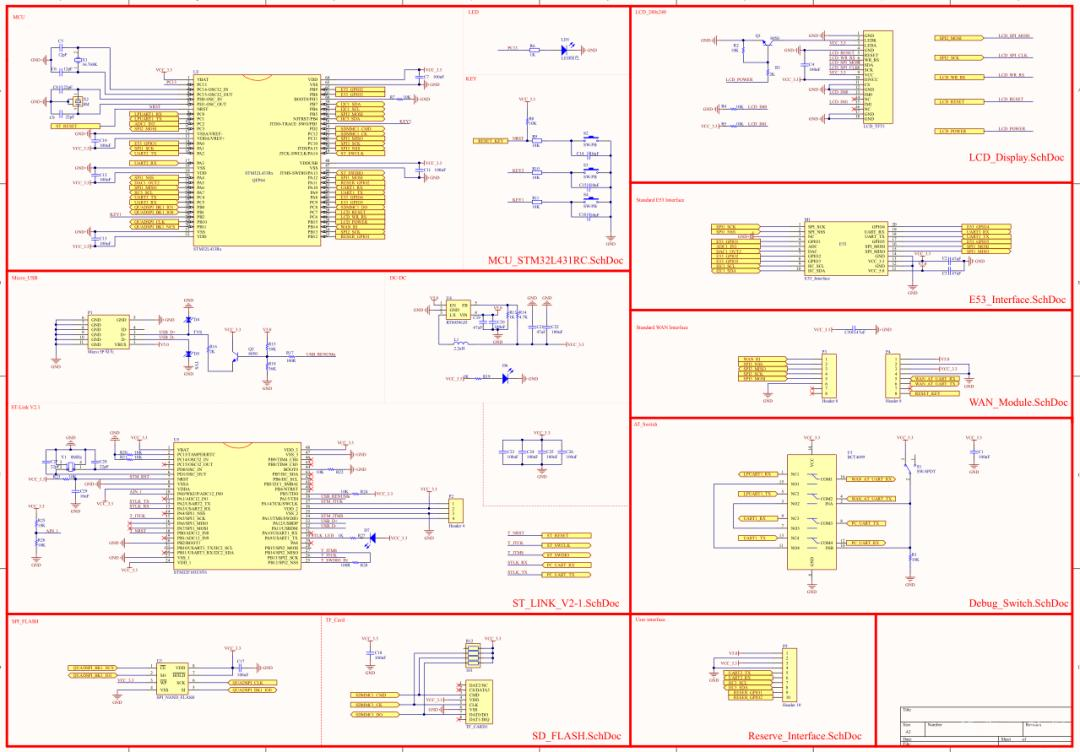
看完资料里的开发板原理图,想不到小熊派瘦小的身材竟然包含了这么多硬件单元。

小熊派开发套件配备了众多开发板常用的一些学习模块,但由于它是面向物联网开发,所以通信模块也配备了四个常用的模组,我们来了解一下:
一、NB35-A


二、WIFI8266


三、G26


四、HiLink710


但你以为这就完了吗?用心的小熊派,面向物联网开发,肯定少不了传感器呀?那套件有哪些传感器,又适合做什么项目或者方案呢?小熊派提供了四个拓展模块,资源也是相当丰富的,请看:

这么多的学习模块,实在是豪华配备呀,相信可以学习一阵子了,完全可以做出许多开源的IOT应用项目了。

小熊派开发套件教程完全开源,只需关注小熊派开源社区,即可通过公众号获取开发板的所有学习资源,包括基础视频讲解、开发板手册及教程、IOT开发系列教程等等。

下载链接:https://pan.baidu.com/s/12h8q_vPENXSFTE6FBJn_mQ 提取码:fktr
后期,我也会使用小熊派开发板,开发一些实用的项目分享给大家,同时也会不断支持小熊派开源社区的成长!敬请期待后续分享。
最后给小熊派上个电吧:

若觉得本次分享的文章对您有帮助,欢迎关注“嵌入式云IOT技术圈”,也是对我的支持。

- 点赞
- 收藏
- 关注作者
评论(0)