TypeC转HDMI方案|AG9310规格书|AG9310PCB电路设计
【摘要】 AG9310规格书,AG9310PCB电路设计,AG9310DEMO测试版,TypeC转HDMI方案,AG9310原理图AG9310可以将视频和音频流从USB Type-C 接口传输到HDMI端口。在AG9310中,支持1路、2路@1.62Gbps、2.7Gbps和5.4Gbps频率输入的不同配置,HDMI支持4K2K@30Hz输出。产品制造商可以使用AG9310应用程序轻松实现Type-C...
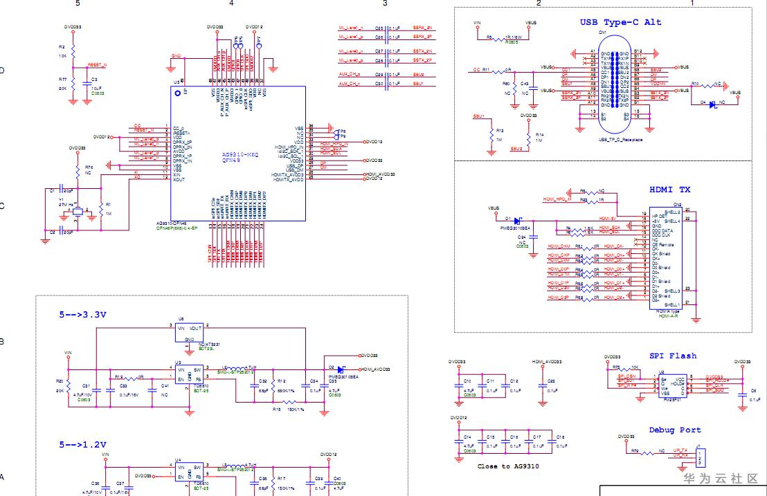
AG9310规格书,AG9310PCB电路设计,AG9310DEMO测试版,TypeC转HDMI方案,AG9310原理图

AG9310可以将视频和音频流从USB Type-C 接口传输到HDMI端口。在AG9310中,支持1路、2路@1.62Gbps、2.7Gbps和5.4Gbps频率输入的不同配置,HDMI支持4K2K@30Hz输出。产品制造商可以使用AG9310应用程序轻松实现Type-C 转HDMI数据转换器转接。

二、 AG9310-MEQ特点
嵌入式16位MCU
AG9310支持EDID和MCC直通
支持热插拔检测
AG9310支持外部SPI闪存固件升级
支持嵌入式HDCP 1.4
1.2V核心电源和3.3V I/O电源
嵌入式5V/1.2V高效稳压器
同时显示通过HDMI输出
2KV ESD性能
支持下行扩频时钟(SSC)
【声明】本内容来自华为云开发者社区博主,不代表华为云及华为云开发者社区的观点和立场。转载时必须标注文章的来源(华为云社区)、文章链接、文章作者等基本信息,否则作者和本社区有权追究责任。如果您发现本社区中有涉嫌抄袭的内容,欢迎发送邮件进行举报,并提供相关证据,一经查实,本社区将立刻删除涉嫌侵权内容,举报邮箱:
cloudbbs@huaweicloud.com
- 点赞
- 收藏
- 关注作者
评论(0)