基于物联网的户外环境检测装置(STM32、APP、WIFI)
系统的概述
2.1.1 总体设计的方案
本设计包括了主控制器、WIFI模块、温湿度监测、光照监测、PM2.5监测、手机客户端以及电源模块。电源模块为整个系统提供供电,主控制器模块通过串口协议与WIFI模块进行通信,利用串口发送AT指令使其与手机的wifi通信,通过STM32采集传感器检测到的数据,并且通过wifi发送到手机客户端,并可通过手机控制阈值,当数据值超过了阈值,单片机控制语音播报模块进行语音信息的播放。
该系统主要应具备以下功能:
(1)可实现环境监测系统的正常功能;
(2)Arduino手机app远程显示控制能够进行设置报警数值;
(3)STM32通过各种接口控制温湿度传感器,光照强度传感器,空气质量传感器,PM2.5传感器以及大气压强传感器,进而获取环境参数,并显示在LCD5110屏幕上;
(4)能够实现AC-DC降压电路给STM32系统供电
2.1.2 总体框图
该系统采用的是5V供电,主要是以STM32平台作为主控制器,,主控制器模块通过串口协议与WIFI模块进行通信,利用串口发送AT指令使其与手机的wifi通信,通过STM32采集传感器检测到的数据,并且通过wifi发送到手机客户端,并可通过手机控制阈值,当数据值超过了阈值,单片机控制语音播报模块进行语音信息的播放。
本系统总体框图如下:

2.2 相关理论
目前嵌入式系统中32位微控制器(MCU)的使用率正逐年增长,32位ARM体系结构己经成为一种事实上的标准,随着高端 32位嵌入式微处理器价格的不断下降和开发环境的成熟,使得 3微控 制器主导的应用空间。随着 ARM 处理器在全球范围的流行,32 位的 RISC 嵌入 式处理器已经开始成为高中端嵌入式应用和设计的主流。使用 32 位架构不仅能 提升性能,还能降低相同成本下的系统功耗和节约总成本以及缩短产品上市时 间。并使得嵌入式系统可随着产品的性能和需求不断扩展而升级。
本文选用了一款基于 ARM Cortex-M3 内核芯片—由意法半导体(ST)推出的 STM32F103 芯片。STM32F103 系列微处理器是首款基于 ARMv7-M 体系结构的 32 位标准 RISC(精简指令集)处理器,很高的代码效率,在 8 位和 16 位系统的存 储空间上发挥了 ARM 内核的高性能。该系列微处理器工作频率为 72MHz,内置 高达128K 字节的 Flash 存储器和 20K字节的SRAM,具有丰富的通用I/O 端口。
作为最新一代的嵌入式 ARM 处理器,它为实现 MCU 的需要提供了低成本的平 台、缩减的引脚数目、降低的系统功耗,同时提供了卓越的计算性能和先进的 中断响应系统。丰富的片上资源使得 STM32F103系列微处理器在多种领域如电机驱动、实时控制、手持设备、PC 游戏外设和空调系统等都显示出了强大的发 展潜力。
1.多达 51 个快速 I /O 端口, 所有 I/O 口均可以映像到 16 个外部中断, 几 乎所有端口都允许 5V 信号输入。每个端口都可以由软件配置成输出(推挽或开 漏)、输入(带或不带上拉或下拉)或其它的外设功能口。
2.2 个 12 位模数转换器,多达 16 个外部输入通道,转换速率可达 1MHz,转 换范围为 0-36V,具有双采样和保持功能。内部嵌入有温度传感器,可方便的测 量处理器温度值。
3.灵活的 7 路通用 DMA 可以管理存储器到存储器、设备到存储器和存储器 到设备的数据传输,无须 CPU 任何干预。通过 DMA 可以使数据快速地移动 CPU 的 资源来进行其他操作。DMA 控制器支持环形缓冲区的管理,避免了控制器传输 到达缓冲区结尾时所产生的中断。它支持的外设包括:定时器、ADC、SPI、I2C 和 USART 等。
4 .调试模式:支持标准的 20 脚 JTAG 仿真调试以及针对 Cortex- M3 内核的 串行单线调试(SWD)功能。通常默认的调试接口是 JTAG 接口。
5 .含有丰富的通信接口,三个 USART 异步串行通信接口、两个 I2C 接口、两 个 SPI 接口、一个 CAN 接口和一个 USB 接口,为实现数据通信提供了保证。
除工业可编程逻辑控制器(PLC)、家电、工业及家用安全设备、消防和暖气 通风空调系统等传统应用,智能卡和生物测定等消费电子应用外,新的 STM32 系列还特别适合侧重低功耗的设备,如血糖和血脂监测设备。
2.2.2 WIFI模块
ESP8266是一款超低功耗的UART-WiFi 透传模块,拥有业内极富竞争力的封装尺寸和超低能耗技术,专为移动设备和物联网应用设计,可将用户的物理设备连接到Wi-Fi 无线网络上,进行互联网或局域网通信,实现联网功能。
ESP8266封装方式多样,天线可支持板载PCB天线,IPEX接口和邮票孔接口三种形式;
ESP8266可广泛应用于智能电网、智能交通、智能家具、手持设备、工业控制等领域。
l 支持无线802.11 b/g/n 标准
l 支持STA/AP/STA+AP 三种工作模式
l 内置TCP/IP协议栈,支持多路TCP Client连接
l 支持丰富的Socket AT指令
l 支持UART/GPIO数据通信接口
l 支持Smart Link 智能联网功能
l 支持远程固件升级(OTA)
l 内置32位MCU,可兼作应用处理器
l 超低能耗,适合电池供电应用
l 3.3V 单电源供电
模块 | 型号 | ESP8266-01 |
主芯片 | ESP8266 | |
无线参数 | 无线标准 | IEEE 802.11b/g/n |
频率范围 | 2.412GHz-2.484GHz | |
发射功率 | 802.11b: +16 +/-2dBm (@11Mbps) | |
802.11g: +14 +/-2dBm (@54Mbps) | ||
802.11n: +13 +/-2dBm (@HT20, MCS7) | ||
接收灵敏度 | 802.11b: -93 dBm (@11Mbps ,CCK) | |
802.11g: -85dBm (@54Mbps, OFDM) | ||
802.11n: -82dBm (@HT20, MCS7) | ||
天线形式 | 外置:邮票孔接口 | |
外置:I-PEX 连接器、SMA 连接器 | ||
内置:板载PCB 天线 | ||
硬件参数 | 硬件接口 | UART,IIC,PWM,GPIO,ADC |
工作电压 | 3.3V | |
GPIO驱动能力 | Max:15ma | |
工作电流 | 持续发送下=> 平均值:~70mA,峰值: 200mA 正常模式下=> 平均: ~12mA,峰值: 200mA 待机:<200uA, | |
工作温度 | -40℃~125℃ | |
存储环境 | 温度:<40℃,相对湿度:<90%R.H. | |
尺寸 | 板载PCB天线:14.3mm*24.8mm*1mm; | |
串口透传 | 传输速率 | 110-921600bps |
TCP Client | 5个 | |
软件参数 | 无线网络类型 | STA/AP/STA+AP |
安全机制 | WEP/WPA-PSK/WPA2-PSK | |
加密类型 | WEP64/WEP128/TKIP/AES | |
固件升级 | 本地串口,OTA远程升级 | |
网络协议 | IPv4, TCP/UDP/FTP/HTTP | |
用户配置 | AT+指令集, Web 页面 Android/iOS 终端, Smart Link 智能配置APP |
3 硬件电路设计
3.1 主控电路
STM32F103x8和STM32F103xB增强型系列使用高性能的ARM® Cortex™-M3 32位的RISC内核,工 作频率为72MHz,内置高速存储器(高达128K字节的闪存和20K字节的SRAM),丰富的增强I/O端口 和联接到两条APB总线的外设。所有型号的器件都包含2个12位的ADC、3个通用16位定时器和1个 PWM定时器,还包含标准和先进的通信接口:多达2个I2C接口和SPI接口、3个USART接口、一个 USB接口和一个CAN接口。
STM32F103xx中等容量增强型系列产品供电电压为2.0V至3.6V,包含-40°C至+85°C温度范围和-40°C至+105°C的扩展温度范围。一系列的省电模式保证低功耗应用的要求STM32F103xx中等容量增强型系列产品提供包括从36脚至100脚的6种不同封装形式;根据不同的封 装形式,器件中的外设配置不尽相同。
在本设计中,采用STM32F103C8T6最小系统当做主控,图3-1为最小系统电路的原理图。

图3-1 STM32F103C8T6最小系统原理图
3.2 WIFI通信模块
WIFI模块又名串口WIFI模块,属于物联网传输层,功能是将串口或TTL电平转为符合WIFI无线网络通信标准的嵌入式模块,内置无线网络协议IEEE802.11b.g.n协议以及TCP/IP协议。传统的硬件设备嵌入WIFI模块可以直接利用WIFI联入互联网,是实现无线智能家居、M2M等物联网应用的重要组成部分。ESP8266是一款超低功耗的模块,拥有业内极富竞争力的封装尺寸和超低能耗技术,专为移动设备和互联网的应用设计,可将用户的物理设备连接到WIFI无线网络上,进行互联网或局域网通信,实现联网功能。

图3-2WIFI模块电路图
3.3报警模块
报警电路主要由蜂鸣器和LED组成,当环境数据超过阈值时,蜂鸣器报警,LED点亮。
该模块的电路连接图如下图3-3所示。

图3-3语音播报模块电路图
3.4温湿度模块
DHT11数字温湿度传感器是一款含有已校准数字信号输出的温湿度复合传 感器。它应用专用的数字模块采集技术和温湿度传感技术,确保产品具有极高 的可靠性与卓越的长期稳定性。传感器包括一个电阻式感湿元件和一个NTC测 温元件,并与一个高性能8位单片机相连接。因此该产品具有品质卓越、超快 响应、抗干扰能力强、性价比极高等优点。每个DHT11传感器都在极为精确的 湿度校验室中进行校准。校准系数以程序的形式储存在OTP内存中,传感器内 部在检测信号的处理过程中要调用这些校准系数。单线制串行接口,使系统集 成变得简易快捷。超小的体积、极低的功耗,信号传输距离可达20米以上,使 其成为各类应用甚至最为苛刻的应用场合的最佳选则。产品为 4 针单排引脚 封装。连接方便,特殊封装形式可根据用户需求而提供。该模块在电路连接中图如下图3-5所示。

图3-4 DHT11模块电路图
3.5 光照强度模块
采用光敏电阻作为信号采集器件。光敏电阻是基于光电导效应的一种光电器件,无光照时, 光敏电阻值(暗电阻)很大, 电路中电流(暗电流)很小; 当受到光照时,半导体材料电导率增加,电阻减小。其阻值随光照增强而减小。光敏电阻作为光电式传感器的一种,它具有灵敏度高、光谱响应范围宽;体积小、重量轻、机械强度高、耐冲击、耐震动、抗过载能力强和寿命长等特点。所以选择光敏电阻采集光照信号,并把不同的光照强度转化为不同的电阻值。把光敏电阻串联在直流电路中即可把不同的电阻值转化为不同的电压值,电路如原理图所示。于是,就把对光照信号的处理转化为对电压信号V的处理。该模块在电路连接中图如下图3-5所示。

图3-5 光照强度模块电路图
3.6 PM2.5模块
粉尘采集电路采用夏普GP2Yl051AUOF空气质量传感器采集空气中的PM2.5颗粒,GP2Yl051AUOF 利用光电来测定空气质量的一个传感器,利用发光二极管发射光线,利用晶体管接收二极管发射的光引起电压的变化,这时候传感器里的空气传导设备就会产生一定的作用使空气流通,此设计能够检测到小的微粒,甚至非常小的烟草颗粒也能感应到。即使在一个地方测量到比较高的PM2.5值,到另外一个地方空气质量较好,PM2.5值低的地区测量的结果也是比较准确的。
GP2Yl051AUOF粉尘传感器的性能特点:
1 灵敏度:较高
2 其重量比较轻,能够很快的找到安装的方法
3 消耗的电量比较小一般采用5V的电压,有利于信号的储量过程
4 能够实现空气的流通,大大的增大了外部的大气的流通
5 保养简单,能够长时间的保持其模拟量,有利于AD转化
6 输出电压0. 5V
7 消耗电流相对比较小,降低了其功率达到11lmA;
该模块在电路连接中图如下图3-6所示。

图3-6 PM2.5模块电路图
3.7 空气质量模块
MQ135气体传感器所使用的气敏材料是在清洁空气中电导率较低的二氧化锡(SnO2)。当传感器所处环境中存在污染气体时,传感器的电导率随空气中污染气体浓度的增加而增大。使用简单的电路即可将电导率的变化转换为与该气体浓度相对应的输出信号。MQ135传感器对氨气、硫化物、苯系蒸汽的灵敏度高,对烟雾和其它有害的监测也很理想。这种传感器可检测多种有害气体,是一款适合多种应用的低成本传感器。该模块的电路连接图如下图3-7所示。

图3-7 空气质量模块电路图
3.8液晶模块
Nokia/诺基亚5110 LCD原理应用资料:LPH7366 是NOKIA 公司生产的可用于其5110、6150,6100 等系列移动电话的液晶显示模块,国内厂家也生产有类似的兼容产品。该产品除应用于移动电话外,也可广泛应用于各类便携式设备的显示系统。与其它类型的产品相比,该模块具有以下特点:
●84x48 的点阵LCD,可以显示4 行汉字,
●采用串行接口与主处理器进行通信,接口信号线数量大幅度减少,包括电源和地在内的信号线仅有9 条。支持多种串行通信协议(如AVR 单片机的SPI、MCS51 的串口模式0等),传输速率高达4Mbps,可全速写入显示数据,无等待时间。
●可通过导电胶连接模块与印制版,而不用连接电缆,用模块上的金属钩可将模块固定到印制板上,因而非常便于安装和更换。
●LCD 控制器/驱动器芯片已绑定到LCD 晶片上,模块的体积很小。
●采用低电压供电,正常显示时的工作电流在200μA 以下,且具有掉电模式。 LPH7366 的这些特点非常适合于电池供电的便携式通信设备和测试设备中。
该模块的电路连接图如下图3-8所示。

图3-8 液晶模块电路图
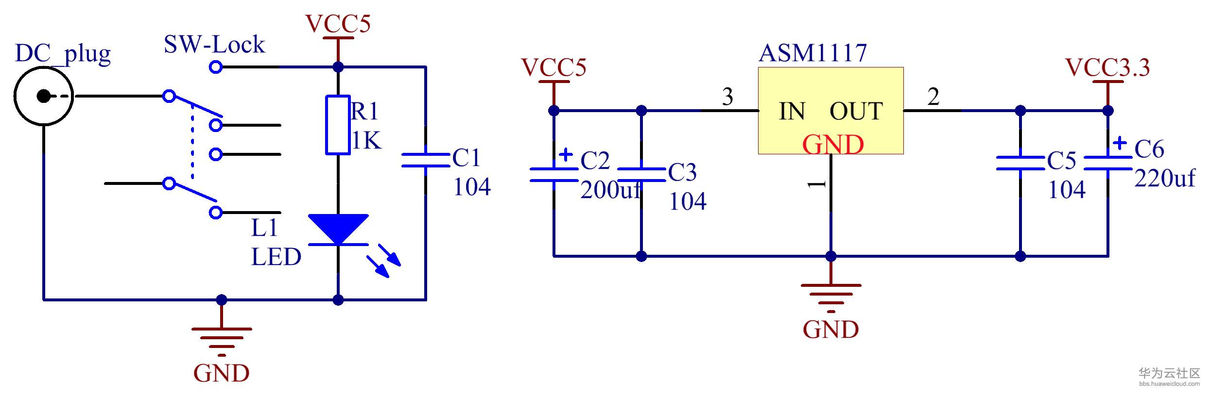
3.9电源模块
该部分主要由电源线引入5V1A电源给系统供电,经ASM117降压为3.3V给STM32最小系统和3.3V的传感器供电。该模块在电路连接中图如下图3-9所示。

- 点赞
- 收藏
- 关注作者
评论(0)