《系统与芯片ESD防护的协同设计》 —2.4.2 HV电路的瞬态特性
2.4.2 HV电路的瞬态特性
与LV CMOS器件相比较,高压(HV)ESD器件包括较长的漂移和阻挡结区。所以,在启动电导率调制过程中,载流子从阳极到阴极的过渡时间较长。这一结果导致器件在ESD应力期间的过慢反应、非均匀触发和丝状形成[48-49]。下面将讨论100 V BCD工艺实现的HV器件实例,以说明这一特殊之处。电压和电流波形用前述TLP和HBM ESD 脉冲的校准方法捕获。DUT是垂直双扩散 MOS SCR(VDMOS-SCR)器件,受到约2 A等效电流的应力
(图2.45)。

图2.45 100 V VDMOS-SCR器件在2 kV应力水平下的校准TLP和HBM电压和电流波形
a)校准TLP b)HBM
TLP与HBM波形的对比表明,电流和电压过冲在HBM测试期间发生,但在TLP测试期间不发生。TLP触发电压约为120 V(图2.45a),而在HBM,测得的过冲电压约为180 V

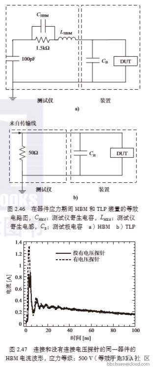
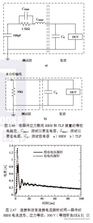
(图2.45b)。另外,在HBM,观察到电压与电流峰值之间的延迟。在该测量器件中流过约2.7 A峰值的HBM电流。这比预充电电压3 kV下的标称期望电流2 A大得多。产生这些结果的根本原因是TLP和HBM不同的测试环境强烈地影响了ESD钳位的瞬时行为。在HBM测试装置中,100 pF放电电容与电路板电容CB并联。这造成在HBM测试装置中,与DUT并联的等效电容非常大。HBM测试装置中,这个很大的等效电容与DUT相互作用,引起上述行为。TLP和HBM测量装置的等效原理图给出了电容CB充电和放电的不同方式(图2.46)。在HBM装置中,电容被充电到触发电压的水平。在高电导率状态下的HV SCR 器件快速瞬时触发期间,电容CB将大部分电流释放进SCR器件。这产生了类似CDM的高电流峰。这一初始峰的快速上升时间有可能是较高电压过冲的原因。在TLP应力情形,电容CB由50Ω负载驱动,限制了通过电容的
电流。
重要的是要注意到电压探针的容性负载将影响测得的HBM波形。典型的市售电压探针的输入电容在8~10 pF范围。这些值一般不能被忽视。例如,在上述器件的情形下,电压探针电容影响器件触发,导致电流幅值从没有电压探针时的约0.8 A增长到连接电压探针时的1.4 A(图2.47)。
为评估电压探针的容性负载对HBM测量波形的影响,将另外几个不同值的电容与DUT并联放置(图2.48a)。在上述HBM波形捕获装置中,VDMOS-SCR 器件峰值电压和电流取决于器件上的总电容(图2.48b)。在
4 kV的HBM 预充电水平下得到的最大电压实际上没有随电容的增加而改变,然而,增加的容性负载大大增加了电流的过冲。

图2.48 a)具有额外电容Cadd的HBM测量装置简化电路图 b)在HBM应力期间VDMOS SCR
器件的峰值电压和电流与电容Cadd的关系(预充电电压:4 kV)
- 点赞
- 收藏
- 关注作者
评论(0)