《系统与芯片ESD防护的协同设计》 —2.3 传输线脉冲表征
2.3 传输线脉冲表征
器件和系统通过ESD合格水平的测试是任何ESD设计的主要目标。然而,仅依靠ESD方案开发期间的合格水平和ESD案例的研究,要实现这一目标非常困难。电流和电压波形的捕获并不总是简单的,对ESD方案和内部电路响应进行可比较的和令人信服的评估,也不是件容易的事。所以,传输线脉冲(TLP)I-V表征成为片上开发过程的关键步骤之一。经过20多年的发展,TLP方法有了极大的改善。测试设备厂商已经发布了许多工具,现已广泛应用于元器件级和系统级评估。本节讨论TLP I-V特性的测量方法,包括与晶圆测量技术相关的挑战和不足。
2.3.1 TLP测试方法
文献[36] 首次引入了TLP测试。如今,商用TLP测试仪可从几个供应商获得,并提供多种用户友好的功能和GUI。引入TLP的最初动机是能有一种测量装置,可在HBM时间域中进行器件的表征以及电压和电流的捕获。从那时起,它成为最重要的元器件级ESD表征工具,用来获取片上和片外ESD防护电路设计所需要的器件参数。
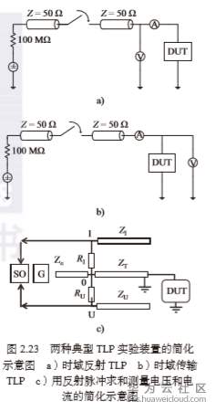
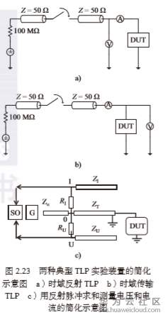
一个典型的TLP装置是时域反射(TDR)TLP测量装置(图2.23a)。当然,电压测量包括具有大幅衰减的探针。某一长度的传输线被高压电源充电。传输线长度定义了TLP脉宽。当开关闭合时,传输线对DUT放电。入射和反射电压电流用示波器实时测量。通常,入射和反射波形间的延迟不是很长,所以,可以看到入射和反射波形“交叠”在相连的示波器屏幕上。DUT的电流和电压通过增加入射和反射数据而获得。这可在TLP测试仪控制软件中和/或在获得的波形数据处理期间进行。
第二种典型的装置是时域传输TLP测量装置(图2.23b)。像前面一样,传输线被电压源充电。入射和反射电流用示波器实时测量。然而,电压是直接在DUT上测量。由于电压不是通过应力电流流经的同一导线进行测量,时域传输装置也可以比作Kelvin型的测量装置。
仅有2个引脚的DUT连接的电压和电流测量原理在图2.23c中进行说明。来自发生器G的主脉冲传播到线ZG中。在“0”点,主脉冲分裂出两小部分,它自身继续在线ZT上朝着DUT传播。这两个小的部分传送进同轴线ZI和ZU。衰减脉冲是用由相应电阻RI和RU所形成的1/200分压器得到的。三根同轴线ZI、ZU和ZT都匹配到相同长度,因而引入相同的传播延迟时间。线ZI的另一端短路到地,而同轴延迟线ZU的是开路的
(图2.23c)。

在相应的传输线延迟时间后,从线ZI和ZU另一端反射的每个分裂出来的脉冲分别到达点I和U,与从DUT反射的主脉冲的新的两个部分相遇。DUT脉冲分别与具有短路和开路末端的传输线上的反射脉冲求和,形成与DUT电流和电压成比例的信号。这种信号送进示波器SO的两个通道。
在大电流下,低压DUT的电压信号是强大的反射信号值相减的结果,这极大影响了电压测量的精度。为提高精度,可选用一种具有相应传输线延迟的直接电压探头(图2.23b)。
典型的TLP放电脉冲的电流和电压波形是矩形,由用户定义上升时间和脉冲宽度。通常脉宽是100 ns,上升时间是200 ps~10 ns,部分地相当于HBM电流的上升时间(图2.24)。

图2.24 低压触发SCR在TLP应力期间的100 ns时域反射TLP波形 a)电流 b)电压
为了获得准静态的DUT响应,只在选定的时间窗口对每个应力水平进行TLP脉冲分析,通常是选择在TLP脉冲宽度的70%~90%。在这一时间窗口,对电压和电流求平均(图2.25左图)。在不同应力的多次冲击之后,对每一对电压和电流的平均值作图,就得到DUT的TLP I-V曲线(图2.25右图)。

图2.25 TLP I-V曲线测量 左)TLP波形 右)提取的TLP I-V曲线
TLP评估不仅用于对ESD器件钳位下最大电流电平的确认,而且也提供对ESD器件准静态特性的见解。这可以通过从TLP I-V特性上提取几个品质因子来体现。在工业测试仪中,TLP测试与功能性泄漏测试以及自动偏置条件(例如,用于标准器件的脉冲SOA测量)这二者相结合[37]。测量之前将受控引脚断电,在每两次的脉冲期间测量泄漏电流(图2.26)。
从物理的角度来看,带回滞模式的ESD器件与具有电阻性负载的电压控制开关的工作类似。第一对参数,触发电压VT1和触发电流IT1,用作器件导通进入回滞的品质因子。当在所谓的ESD防护窗口内定义器件导通时,以及为了保证在电路正常工作期间器件不会因意外开启而带来瞬时诱导闩锁的风险时,这些参数显得非常重要。

图2.26 具有主要品质因子的带回滞特性曲线的典型TLP双图
下一个重要的品质因子参数是维持电压VH。这个参数取决于TLP测试仪的负载阻抗和器件的回滞电压。于是,例如,当使用50 Ω TLP 系统时,测量的维持电压一般高于实际器件维持电压,后者可通过波形HBM系统表征或DC测量表征获得。
在导通进入大电流状态后,由于内部的正反馈和饱和区,器件提供一定的导通电阻,这决定了在ESD脉冲域大电流下的电压波形。通常,这个参数是一个重要的实用标准。对于标准的封装级规范,可以对其进行定义,例如,定义为1.33 A(2kV HBM)。最后,在某一应力水平下,器件的物理极限导致了器件结构不可逆的改变。这一等价的TLP I-V曲线点通常被称为是IT2和VT2(图2.26)。
一般地,参数IT2和VT2不能单独从脉冲I-V特性上看到。即使在不可逆变化发生后,TLP I-V曲线仍然显示出相同的趋势。为建立器件失效的诊断方法,通常需要单独的功能测试。大多数TLP系统中,这一功能测试通常是在给定的电压水平处,通过简单的泄漏电流测量来实现,依据一个参数失效准则定义,例如,泄漏电流偏离初始水平一个数量级。比如,对于图2.26所示的20 V回滞器件的数据,左侧的脉冲I-V图没有显示出与不可逆失效有关的特殊之处,但已经在用功能测试获得的泄漏电流中观察到,IT2电流水平约为2.5 A。
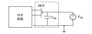
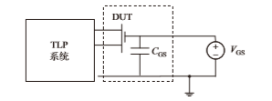
TLP特性给比较分析带来了极大的方便。它们在本书中广泛使用,表示器件参数、脉冲SOA,以及调试模拟电路产品引脚特性。在ESD时域的脉冲SOA(进一步为ESD SOA)是一个特定脉冲条件下测量的SOA。原理上,这一SOA依赖于特定脉冲波形。已知的不相关性预期了HBM、MM、CDM以及IEC和CDE系统级测试脉冲的SOA的不同。ESD SOA评估最常用的表征技术将TLP测量与常数栅偏置相结合。该技术将TLP脉冲应用于DUT,例如恒定栅压下的NMOS器件(图2.27)。装置包括一个恒压源VGS,用来提供栅-源偏置、基极-发射极偏置或电流。在不同的偏置条件下施加TLP应力,以获得DUT的SOA。

图2.27 基于TLP测量的脉冲式SOA评估装置电路图
不能总是忽略TLP测试仪阻抗对失效电平的影响。一个例子是所谓的甚高压(VHV)开关器件,它能工作在几百伏到上千伏。例如,在50 Ω TLP装置中触发一个600 V SCR器件进入回滞模式,可引起10 A以上的电流电平。这可能远远超出了器件的电流能力。图2.28给出了一个例子,通过了2 kV HBM应力(1.33 A)的器件却在50 Ω TLP应力下失效。高压器件的另外一个重要问题是维持电压的精确测量,这常常被50 Ω TLP测试仪的负载线隐藏。
解决这一问题的实验方法是增加TLP测试仪的源阻抗[38],或者使用多层次TLP测试仪[39]。用50 Ω和500 Ω TLP测试仪获得了HV nLDMOS-SCR的100 ns TLP I-V曲线(图2.29)。当使用50 Ω 测试仪时,器件回滞到一个较高的电流值。由于负载线不同,回滞后的电流比使用500 Ω测试仪时的低。当使用500 Ω系统时,甚至可以捕获那些在器件导通点150 V和完全回滞点3 V之间的点。

- 点赞
- 收藏
- 关注作者
评论(0)