《系统与芯片ESD防护的协同设计》 —1.3.2 ESD电压抑制
1.3.2 ESD电压抑制
片外防护的主要方法之一是基于分立ESD脉冲钳位元器件,后者起着与片上防护钳位类似的作用。由于有机会在ESD防护网络中选用不同的PCB元器件,这显著增加了片外防护策略的能力。因此,通常片外ESD防护策略类似于片上两级或多级分布式网络。初级端口防护通常依赖有源ESD防护器件,同时,二级网络元器件由PCB上无源或片上有源元器件构成(图1.21)。
片外防护可以有很多选择,包括隔离和滤波电路以及瞬态电压抑制器(TVS)组件。抑制组件的种类包括多层压敏电阻、硅二极管或基于聚合物的抑制器。

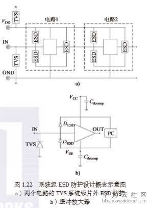
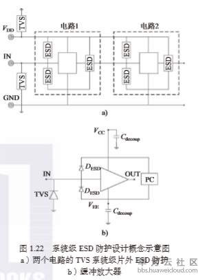
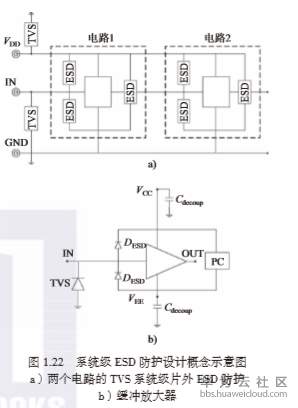
系统级ESD防护仅在IC外部引脚上实施,外部引脚通常包括与系统端口相连的IC的输入、输出和电源引脚。内部引脚通常不需要额外的片外ESD防护。IC外部引脚的ESD防护概念集中于系统级分立的片外ESD防护器件,它们放置在电路1从输入端、电源端到地的通路中,与此同时,电路2仍然没有连接到任何系统端口(图1.22a)。
图1.22b给出了一个RF应用的缓冲放大器的系统级ESD防护实例。它使用了片上ESD二极管DESD、电源钳位PC和片外TVS。放大器的RF输入用一个TVS二极管在系统级上进行防护。电源引脚VCC正极和VEE负极用具有去耦电容的板级电源网络进行防护。放大器输出引脚视为内部引脚,不需要系统级ESD防护装置。

抑制元器件通过将ESD电压钳位到一个安全水平来对被防护电路进行防护。抑制器通过与信号线的并联连接来对ESD电压进行钳位(图1.23),并将大部分ESD电流从被防护芯片分流到适当的参考总线上。
必须考虑TVS的内在电学特性,不仅是尺寸大小、输出引脚、泄漏电流,而且必须包括钳位电压波形。不同的TVS,其内部IC引脚上的电压波形可能完全不同,这直接影响到ESD的合格水平(图1.24)。
ESD防护的最终结果与在同一网络中片外和片上ESD防护元器件的工作有关。最简单的情形,可以在防护网络的片外和片上防护部分之间增加额外的隔离电阻,以限制流进片上ESD防护电路的电流(图1.25a)。多级ESD防护的更有效的设计例子结合了TVS二极管、去耦电容(Cx)和铁氧体磁珠(FB)(图1.25b)。在这一网络中,TVS元器件仅将部分ESD电流分流到地,与此同时,去耦网络中的无源元器件作为剩下的残余电流的过滤器。
从成本和性能的角度,系统级板上的ESD防护元器件的数量必须要缩减。这样,一种合乎逻辑的方法是系统级ESD防护结构的片上实现(图1.26)。片外和片上ESD防护策略的折中取决于所需要的片上面积与PCB元器件装配成本之比。

因为分立,元器件本身的成本相当低,所以上述后一项通常是成本的主要成分。在宽度线性缩放的假设下,具有5 mA/μm固有电流容量和能通过2 kV HBM的ESD钳位器,必须设计为至少13倍宽以便能通过8 kV的IEC 61000-4-2之应力。除了较大的ESD钳位尺寸外,为了安全地将较高的系统级ESD应力电流输运至防护装置,金属布线也需要改进。但较大的器件和金属面积伴随着整个寄生电容的显著增加。下一节将更多地讨论这方面的问题。

第3章从防护器件的角度,更加详细地描述了系统级引脚的片上防护设计。具有片上和片外防护器件的外部IC引脚的系统级ESD防护在第5章中论述。
- 点赞
- 收藏
- 关注作者
评论(0)