《系统与芯片ESD防护的协同设计》 —1.2.2 局部钳位网络和两级防护
1.2.2 局部钳位网络和两级防护
在系统级应力的情形下,由于防护网络累积的高压降,IC输入和输出的轨基防护网络通常效率低下。在上电条件下,有源钳位失能,这样对ESD脉冲的响应就不充分。其他阻碍有源钳位方法的情形包括pad的防护,其耐压在可用的有源器件额定值之上,例如,用5 V半导体工艺实现的放大器,它的与薄膜输入电阻相连的差分输入引脚具有较高的(65 V)共模耐压[7]。其他的例子包括具有双向高耐压的电路引脚。对这种引脚的防护可能不会容许下二极管对地轨,因此也需要排除上二极管对电源轨。所以,局部钳位方法就是唯一的实用方案(图1.10)。在局部钳位防护网络方案中,每个引脚通过专用的局部ESD钳位进行防护,它提供了从引脚到地或直接到另一个引脚的电流通路。

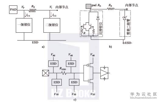
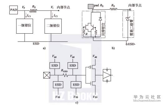
两级片上ESD防护原理适用于局部钳位防护。一般来说,两级防护网络由两个被电阻性电流路径或一个延迟元器件隔开的ESD钳位器的组合构成。基于电阻的两级网络(图1.11a)包含一个将工作电压限制在VP的初级钳位,以及一个将内部节点电压限制在VI的较小的二级钳位。二级电阻RS的选取取决于二级钳位电流IC2:RS = (VP-VI) /IC2。两级钳位对于滤除短脉冲过应力非常有效,这种过应力对于由时间常数RSCI造成的CDM事件来说很常见。CI是内部节点的等效电容。如果内部器件能支撑足够大的脉冲电流水平,二级钳位的使用就成为可选项。

图1.11 a)CMOS输入的两级ESD防护 b)采用次级雪崩二极管的基于局部的网络
c)采用两级匹配电阻的高速接收器ESD防护
针对系统级ESD脉冲的两级防护网络同样适用于片上和板级防护。在PCB方面,优点在于分立元器件的电容和电感较高,同时瞬态电压抑制器TVS可作为初级防护。
两级网络的一个例子是一级回滞钳位被电阻与二级钳位(即一个电压限制雪崩二极管)
(图1.11b)隔开,或者是带有匹配电阻的两级二极管(图1.11c)。初级钳位直接与输入pad连
接。它只在一定程度上限制了电压但传导了大部分电流。然而,初级钳位只是针对钳位电压的波形进行的近似设计。这个分离出来的功能交给更精确但鲁棒性较弱的二级钳位器来处理。对局部防护级之间电流和电压限制功能进行分离,其效果是整体上降低了寄生电容、漏电和噪声。
另外的优点可从级间采用的非线性电阻的实现中得到。例如,它可以作为一个饱和电阻来实现(图1.11a中的RS),从某个饱和电流电平开始提供额外的电压降。
两级网络的原理广泛用于输入和输出的元器件级和系统级防护。在输出情形下,内部电路的功率器件阵列可以为二级防护提供适当的匹配电流,即使是在级间隔离仅仅通过金属电阻来实现的情况下(图1.12)。局部ESD防护的复杂性与那些连接到pad的器件的控制电极在ESD脉冲期间通常是未知的状态有关。因此,内部器件的触发电压可与ESD钳位的触发电压特性相比拟。

上电系统级测试条件下,选择局部回滞钳位器时需要考虑到潜在的瞬时闩锁问题。例如,各种可控硅整流器(SCR)器件一般会产生相对低的维持电压(第3章),低于电源电平,从而产生闩锁风险。
两级原理也可以在器件级实现。一个紧凑型方案的例子是由一个三端口二极管结构来表示的(图1.13a、图1.13b)。它由双边二极管组成,形成一个三端结构。二极管的一边作为功率ESD工作(连接到I/O pad的功率二极管),另一边仅仅维持内部电路的低电位(连接到内部电路的钳位二极管)。两个内部二极管共用同一个阱,这就创建了两级ESD防护电路,具有相应的“内建”阱电阻。二极管结构的一个重要特征是在ESD作用期间的内部电位共享。
I/O引脚的ESD防护可以用图1.13c所示的相应电路来实现。二级元器件的工作可用器件剖面图的数值仿真进行分析(图1.13d),显示pad和内部节点的电压可以相差两倍多。

图1.13 a)N阱中的三端二极管结构 b)P阱中的三端二极管结构 c)基于二极管和器件实现的二级防护轨基网络 d)PAD处及内部节点计算的电压与PAD电流的关系
两级方案用于解决整个ESD脉冲时域问题是有效的。例如,它可以用于限制在回滞型器件触发后的内部残余电压。这可以用EEPROM内存模块中“擦除”引脚的防护案例来说明,该EEPROM可以外部编程。
作为ESD应力的后果,失效的内存单元出现了再编程,这种应力归因于在脉冲开始约800 ns后,擦除引脚处高的残余电压与其他节点电势的组合作用。在基于原始SCR防护的擦除引脚处测得的波形,提供了不同负载下相关的残余电压(图1.14)。对于仅有一个EEPROM单元的小负载,可以观察到作为ESD应力后果的再编程,与此对比的是48个EEPROM单元的高负载时的情形。

为减小残余电压,原始的基于高压SCR的电路(图1.15a)已用一个二级元器件外加一个反馈回路(图1.15b)进行了改进。增加一个使能模块,使二级钳位在正常工作时不起作用。
本地的片上防护不仅仅局限于周边引脚的局部钳位。除了实现良好的ESD性能的目标之外,在内部电路中可以包含本地钳位器。ESD应力对高压电路内部引脚的影响的一个最典型的例子是,低边控制电路、开关器件的逻辑和驱动器的内部电压调整器。由于内部调整器的阻抗相对较低,为了实现两级防护方法,通常不能使用第二级电阻。这使得调整器对ESD损伤的敏感性提高,所以必须将其设计得能承受一定的ESD电流水平。通常,内部产生的VDD电压节点需要一个能够处理较大ESD电流的内部电压钳位器。即使VDD节点完全没有连接到外部引脚,也应该使用这种钳位器。
在内部电压调整器的设计中,最常见的失效位置是高边高功率元器件。在高边基于PMOS的调整器中,高压PMOS失效了(图1.16a)。在这种情形下,栅钳位二极管提供不了实质性的改进(图1.16b)。类似的ESD电流失效路径在双极和堆叠调整器中也可观察到。在这种情形下,由于多米诺效应,可在两个堆叠元器件中都观察到损伤(图1.16c)。用于VCC调整器的高压PMOS的ESD防护(图1.16)是基于在VIN和CBOOT引脚之间形成所期望的ESD通路。

图1.16 失效分析结果[5] a)、b)PMOS c)基于NPN BJT的VCC调整器
一般地,可以为ESD脉冲电流提供的路径有3条(图1.17)。第1条是由驱动器控制的大开关NLDMOS提供的。由于漏栅耦合,NLDMOS在很短的时间内导通,对于泄放ESD电流是足够的。这个电流流向开关引脚SW,然后流经BOOST-SW之间钳位的反向电流路径。钳位的反向路径ESD二极管提供这个残余电流通路。在正确设计的ESD防护钳位下,这一电流通路是可逆的。第2个可选的电流路径是通过高压ESD钳位到电源地,然后流经在BOOST和地之间的ESD二极管。这一电流通路也是可逆的。

最后,第3条路径,通常是不可逆的,是由高压PMOS和调整器的其他堆叠元器件(如图1.17所示的NPN二极管)提供的直接到BOOST引脚的电流通路。如果这一电流通路占主导地位,PMOS将面临失效的风险。这一电流通路解释了图1.16a和图1.16b所示的情况。
阵列耦合强度较低以及ESD防护窗口较小时,ESD失效与内部电压调整器有关。它们要求采取产品专用的措施,以克服高压ESD钳位器触发电压的变化、NLDMOS阵列自防护能力对版图和内部电路驱动器设计的依赖、高压PMOS和NLDMOS器件脉冲安全工作区(SOA)的变化。
改善ESD防护的具体方法取决于在特定产品电路内实现的、占主导地位的ESD电流路径。或许第一个最合乎逻辑的解决方案是通过将VIN钳位电压降低到一个较低水平,从而限制PMOS器件上的压降,达到改善ESD防护的目的。然而,对于安全工作区范围较低的优化过的功率元器件,高压ESD防护钳位参数的这种调整也许不是一个好的选项。在这种情况下,鲁棒性最强的方法是进行VCC调整器的ESD导向协同设计,为电路引脚提供高得多的绝对最大脉冲电压。如果工艺允许的话,设计措施可包括采用堆叠的或超大的元器件,或采用功效低、耐压高的元器件。为防护低边驱动器,可能需要额外的内部电源钳位器。
- 点赞
- 收藏
- 关注作者
评论(0)