下一代通信技术(发明专利技术)
IP通信的巨大成功,为现代社会的繁荣和科技的进步起到巨大促进和推动作用,然而在巨大成功的背后确包含着沉重的痛!多标准的技术应用环境,严重制约和阻碍着通信业自身的进步和发展,通信业已处于非常尴尬地位——看得到的未来,却有跨越不过的坎。
自IP通信以来,虽然无线接入技术的快速发展,给现在通信带来了勃勃生机,在基础通信领域却一直处于停滞不前的状态,然而IP通信面对现在通信发展的要求却无法得到支持和满足,甚至已严重阻碍通信业的发展。
现在通信如何发展?IP技术能否作为未来通信技术已成为现在通信迫切思考和回答的问题,现在的一小步将影响整个通信前进和发展的步伐,对社会经济和文化将产生巨大的影响。
IP通信由于采用单包广播式的尽力而为的通信方式,造成了在安全性、时延、传输效率及统一通信(融合通信)等方面的缺陷和不足,无法满足未来通信的要求,IP技术已不可能作为未来通信的技术选择,因而寻求一种新的通信技术满足和促进社会的发展需要。
下面介绍《一种包通信技术》(已申请国家发明专利)的技术,可替代IP技术通信信技术方案,详细资料可查询专利号:201710225997.4.
以下为专利文件的说明书内容
一种包通信技术
技术领域
[0001] 本发明涉及通信技术领域,特别是涉及一种互联网通信、统一通信和安全通信领域。
背景技术
[0002] 几十年来的IP技术的应用和发展给现代通信业带来了巨大的生机,但由于IP通信是基于尽力而为的通信方式,因而在通信的时延、安全和通信效率等方面给现代通信业带来了巨大的困惑;虽然现代通信采用多种技术手段得以改善,但仍然没有找到理想的技术解决方案,而市场迫切需要一种新的技术解决这些问题,本发明针对以上问题提供一种解决方案。
发明内容
[0003] 发明目的:本发明的目的是为了解决现有技术的不足,提供一种包通信技术,实现通信环境的技术融合、降低通信的传输时延、保障通信安全和提高链路的数据传输效率。
[0004] 技术方案:本发明采用信令包和数据包控制传送技术,实现通信的传输,其中,信令包由信令子包集构成,每条信令子包含一条控制信令,信令包的拨号信令子包含有主叫地址或主叫号码和被叫地址或被叫号码;信令子包经握手接续控制方式,建立一条双向弹性通道,本地终端的密钥与信息加权后的数据包,在建立的双向弹性通道内传输,数据包中的加密信息经接收端解密还原,实现主被叫终端间的通信。
[0005] 本发明的数据包由版本号、包类型、信息类型和加密信息等组成,其中,版本号由IPv4、IPv6和包通信等组成,IPv4和IPv6用于兼容现有技术应用,数据包的版本号为包通信;其中,包类型由信令码和数据码等组成,数据包的包类型为数据码;其中,信息类型由语音1、语音2、视频1、视频2、数据1和数据2等组成;其中,加密信息是本地终端产生的蜜钥与信息加权后的数据。
[0006] 本发明的信令包由版本号、包类型、信令类型和信令类别等组成,其中,版本号由IPv4、IPv6和包通信等组成,IPv4和IPv6用于兼容现有技术应用,信令包的版本号为包通信;其中,包类型由信令码和数据码等组成,信令包的包类型为信令码;其中,信令类型由语音、视频和数据等组成;其中,信令类别由摘机信令、拨号音信令、拨号信令、转发信令、密钥信令、振铃信令、回振铃信令、被叫摘机信令、挂机信令、忙音信令、被叫忙信令、被叫空号信令、故障信令、网络忙信令和呼叫等待信令等组成。
[0007] 信令包由一个信令子包集组成,信令子包集包含摘机信令子包、拨号音信令子包、拨号信令子包、转发信令子包、密钥信令子包、振铃信令子包、回振铃信令子包、被叫摘机信令子包、挂机信令子包、忙音信令子包、被叫忙信令子包、被叫空号信令子包、故障信令子包、网络忙信令子包和呼叫信令子包等,信令子包的名称与信令包的信令类别的信令名称相对应。
[0008] 进一步,拨号信令子包由包通信、信令码、信令类型、拨号信令、释放方式、主叫地址或主叫号码和被叫地址或被叫号码等组成;其中,释放方式由主控、被控和互不控等组成。
[0009] 进一步,密钥信令子包由包通信、信令码、信令类型、密钥信令和密钥等组成。
[0010] 语音终端1呼叫语音终端2时,语音终端1摘机,向路由器1发送摘机信令子包,路由器1收到摘机信令子包后,控制建立路由器1到语音终端1间的双向弹性通道1,此时,路由器1向语音终端1发送拨号音信令子包,语音终端1收到拨号音信令子包后,听到拨号音,语音终端1输入被叫地址或被叫号码,关闭拨号音,语音终端1向路由器1发送拨号信令子包,路由器1收到拨号信令子包后,路由器1判断被叫地址或被叫号码不是路由器1的用户时,路由器1分配双向弹性路由1,路由器1向路由器2转发摘机信令子包,路由器2收到摘机信令子包后,控制建立路由器1到路由器2间的双向弹性通道2,路由器2向路由器1发送转发信令子包,路由器1收到转发信令子包后,路由器1向路由器2转发拨号信令子包,路由器2收到拨号信令子包后,控制建立语音终端1到路由器2间的双向弹性通道3,路由器2判断被叫地址或被叫号码不是路由器2的用户时,路由器2分配双向弹性路由2,路由器2向路由器N转发摘机信令子包,路由器N收到摘机信令子包后,控制建立路由器2与路由器N的双向弹性通道4,路由器N向路由器2发送转发信令子包,路由器2收到转发信令子包后,向路由器N转发拨号信令子包,路由器N收到拨号信令子包后,控制建立语音终端1到路由器N间的双向弹性通道5,路由器N判断被叫地址或被叫号码是路由器N的用户时,路由器N分配双向弹性支路N,路由器N向语音终端2转发摘机信令子包,语音终端2收到摘机信令子包,控制建立语音终端2相连与路由器N间的双向弹性通道6,语音终端2向路由器N发送转发信令子包,路由器N收到转发信令子包后,转发拨号信令子包给语音终端2,语音终端2收到拨号信令子包后,控制建立语音终端1与语音终端2的双向弹性通道7,此时,语音终端2向语音终端1发送被叫密钥信令子包,语音终端1收到被叫密钥信令子包后,语音终端1向语音终端2发送主叫密钥信令子包,语音终端2收到主叫密钥信令子包后,语音终端2振铃,语音终端2向语音终端1发送回振铃信令子包,语音终端1收到回振铃信令子包后,听到回振铃音,语音终端2摘机向发送语音终端1发送被叫摘机信令,语音终端1收到被叫摘机信令子包后,关闭回振铃信号,数据包在双向弹性通道内传输,经收到的密钥解密还原,实现语音终端1与语音终端2间的语音通信。
[0011] 语音通信结束时,语音终端2挂机,语音终端2向路由器N发送挂机信令子包,路由器N收到挂机信令子包后,关闭语音终端2与路由器N间的双向弹性通道8,路由器N转发挂机信令子包给路由器2,路由器2收到后,关闭路由器N与路由器2间的双向弹性通道9,路由器2向路由器1转发挂机信令子包,路由器1收到挂机信令子包后,关闭路由器2与路由器1间的双向弹性通道10,路由器2向语音终端1转发挂机信令子包,语音终端1收到挂机信令子包后,关闭路由器1与语音终端1间的双向弹性通道11,语音终端1听到忙音信号,语音终端1挂机,语音通信结束。
[0012] 本发明的优点在于:采用包通信技术,通过信令子包的握手接续控制方式,建立主叫终端和被叫终端间的双向弹性通道,实现语音、视频和数据的融合通信;同时实现数据加密传输,终端解密还原,保障了通信安全;双向弹性通道传输降低了传输的时延;只有拨号信令子包中包含主叫地址或主叫号码和被叫地址或被叫号码,减少重复信息的传输,因而提高了通信链路的传输效率。
附图说明
[0013] 图1是数据包的构成图。
[0014] 图2是信令包的构成图。
[0015] 图3是信令子包集的组成图。
[0016] 图4是拨号信令子包的构成图。
[0017] 图5是密钥信令子包的构成图。
[0018] 图6是通信系统的结构图。
[0019] 图7是语音通信的分析图。
[0020] 图8是视频或数据通信的分析图。
具体实施方式
[0021] 下面结合本发明的附图作具体实施的描述。所有图中方框…的表述作为保留空间标识,在以下描述中以等的形式表述。
[0022] 图1所示,数据包由版本号(100)、包类型(200)、信息类型(500)和加密信息(600)等组成。
[0023] 其中,版本号(100)由IPv4(101)、IPv6(102)和包通信(103)等组成,IPv4(101)和IPv6(102)在本发明中用于兼容现有的通信应用,数据包的版本号(100)为包通信(103)。
[0024] 其中,包类型(200)由信令码(201)和数据码(202)等组成,数据包的包类型(200)为数据码(202)。
[0025] 其中,信息类型(500)由语音1(501)、语音2(502)、视频1(503)、视频2(504)、数据1(505)和数据2(506)等组成。
[0026] 其中,数据包的加密信息(600)是本地终端产生的蜜钥(4051)与信息加权后的数据。
[0027] 图2所示,信令包由版本号(100)、包类型(200)、信令类型(300)和信令类别(400)等组成。
[0028] 其中,版本号(100)由IPv4(101)、IPv6(102)和Pv7(103)等组成,IPv4(101)和IPv6(102)在本发明中用于兼容现有的通信应用,信令包的版本号(100)为包通信(103)。
[0029] 其中,包类型(200)由信令码(201)和数据码(202)等组成,信令包的包类型(200)为信令码(201)。
[0030] 其中,信令类型(300)由语音(301)、视频(302)和数据(303)等组成。
[0031] 其中,信令类别(400)由摘机信令(401)、拨号音信令(402)、拨号信令(403)、转发信令(404)、密钥信令(405)、振铃信令(406)、回振铃信令(407)、被叫摘机信令(408)、挂机信令(409)、忙音信令(410)、被叫忙信令(411)、被叫空号信令(412)、故障信令(413)、网络忙信令(414)和呼叫等待信令(415)等组成。
[0032] 图3为本发明的信令子包集组成图,信令包由一个信令子包集构成,信令子包集包含摘机信令子包(1001)、拨号音信令子包(1002)、拨号信令子包(1003)、转发信令子包(1004)、密钥信令子包(1005)、振铃信令子包(1006)、回振铃信令子包(1007)、被叫摘机信令子包(1008)、挂机信令子包(1009)、忙音信令子包(1010)、被叫忙信令子包(1011)、被叫空号信令子包(1012)、故障信令子包(1013)、网络忙信令子包(1014)和呼叫等待信令子包(1015)等,信令子包的名称与信令包的信令类别(400)的信令名称相对应。
[0033] 图4所示,信令包的拨号信令子包(1003)由包通信(103)、信令码(201)、信令类型(300)、拨号信令(403)、释放方式(4031)、主叫地址或主叫号码(4032)和被叫地址或被叫号码(4033)等组成;其中,释放方式(4031)由主控(40311)、被控(40312)和互不控(40313)等组成。
[0034] 图5所示,信令包的密钥信令子包(1005)由包通信(103)、信令码(201)、信令类型(300)、密钥信令(405)和密钥(4051)等组成。
[0035] 以上是对本发明的数据包和信令包构成的描述,下面针对数据包和信令包的具体实施过程作一个详细的描述,通信主要分为语音、视频和数据通信,而视频通信与数据通信的信令控制方式相同,因而将视频和数据通信合并说明,因此用语音通信及视频和数据通信两个实施例来作说明。
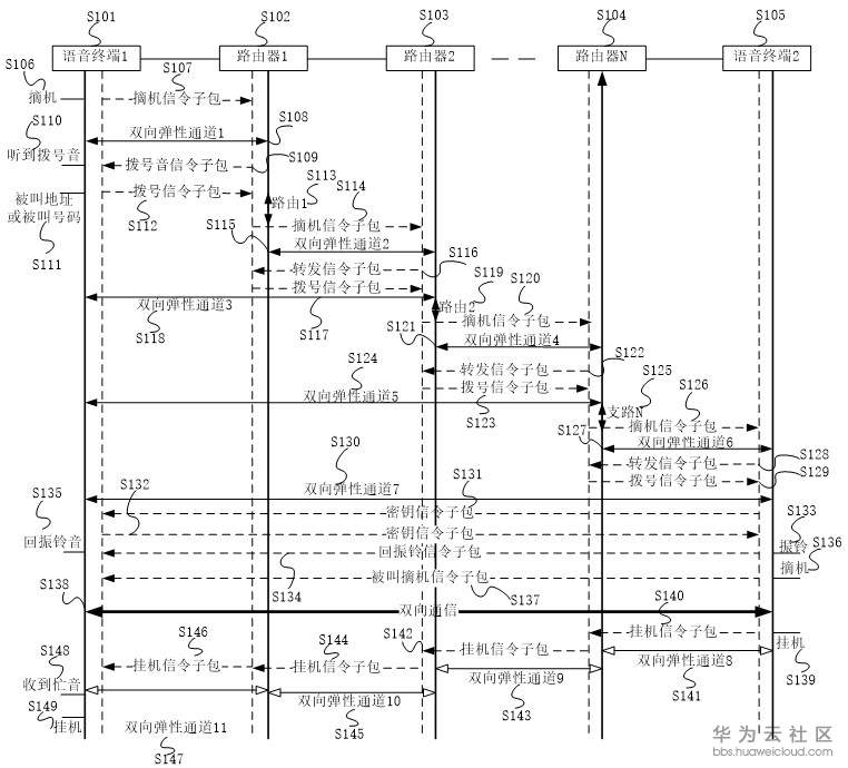
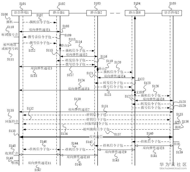
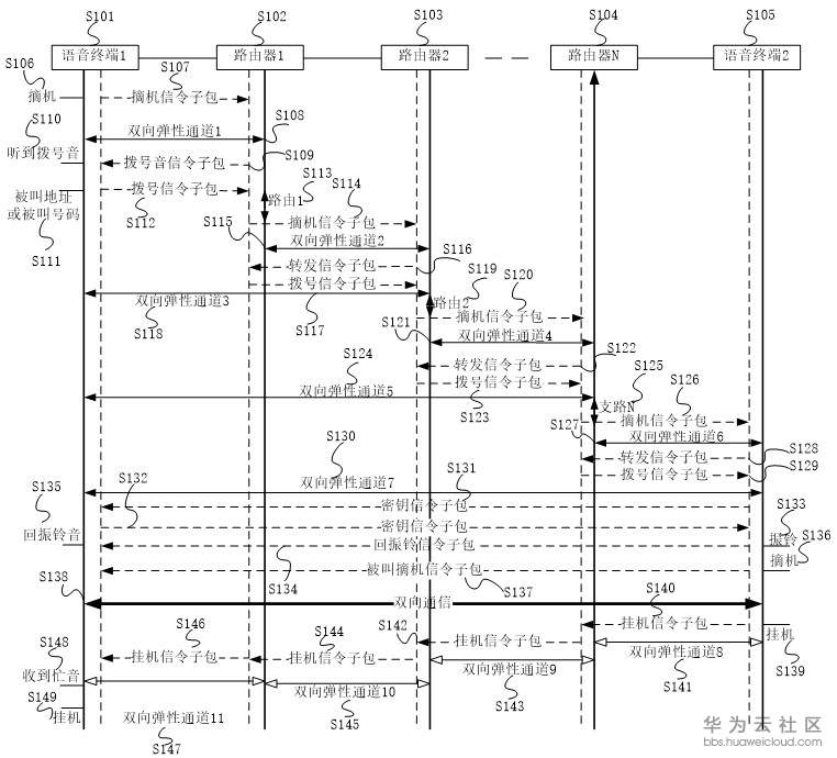
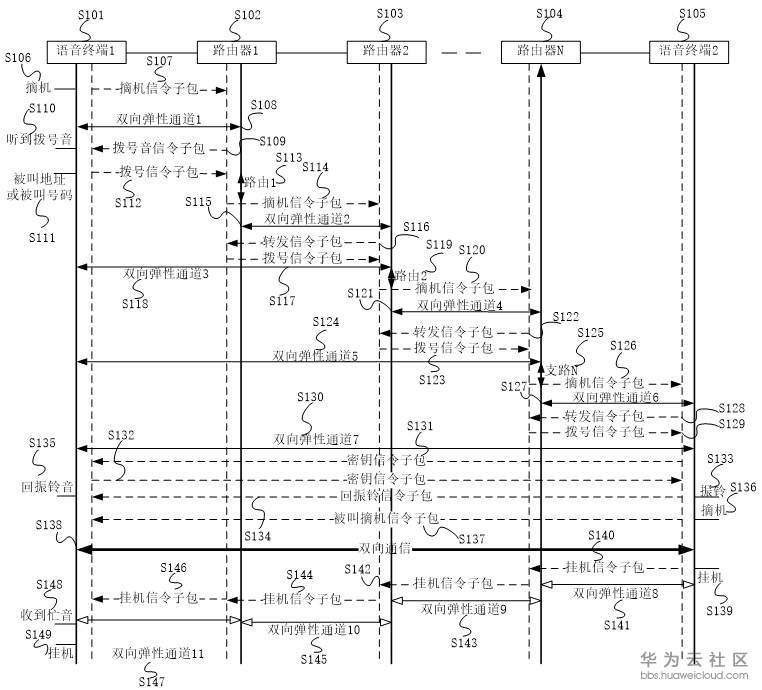
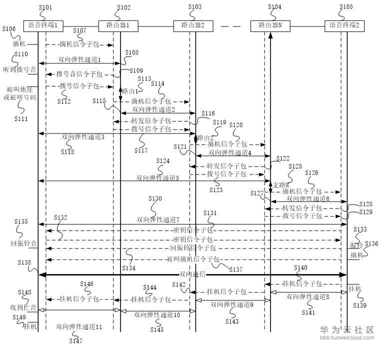
[0036] 图6是典型的通信系统结构图,图7和图8基于此结构图架构下的通信过程分析图,在图7和图8中虚线表示信令包的通信路径,实线表示数据包的通信路径,箭头表示信令子包或数据包的传送方向。
[0037] 实例1,图7所示,建立语音通信时,语音终端1(S101)摘机(S106),向路由器1(S102)发送摘机信令子包(S107),路由器1(S102)收到摘机信令子包(S107)后,控制建立语音终端1(S101)与路由器1(S102)间的双向弹性通道1(S108),路由器1(S102)向语音终端1(S101)发送拨号音信令子包(S109),语音终端1(S101)收到拨号音信令子包(S109)后,听到拨号音(S110),语音终端1(S101)拨被叫地址或被叫号码(S111), 并关闭拨号音,语音终端1(S101)向路由器1(S102)发送拨号信令子包(S112),路由器1(S102)收到拨号信令子包(S112)后,路由器1(S102)判断被叫地址或被叫号码(S111)不是路由器1(S102)的用户时,路由器1(S102)分配双向弹性路由1(S113),路由器1(S102)向路由器2(S103)转发摘机信令子包(S114),路由器2(S103)收到摘机信令子包(S114)后,控制建立路由器1(S102)与路由器2(S103)间的双向弹性通道2(S115),路由器2(S103)向路由器1(S102)发送转发信令子包(S116),路由器1(S102)收到转发信令子包(S116)后,路由器1(S102)向路由器2(S103)转发拨号信令子包(S117),路由器2(S103)收到拨号信令子包(S117)后,控制建立语音终端1(S101)与路由器2(S103)间的双向弹性通道3(S118),路由器2(S103)判断被叫地址或被叫号码(S111)不是路由器2(S103)的用户时,路由器2(S103)分配双向弹性路由2(S119),路由器2(S103)向路由器N(S104)转发摘机信令子包(S120),路由器N(S104)收到摘机信令子包(S120)后,控制建立路由器2(S103)与路由器N(S104)间的双向弹性通道4(S121),路由器N(S104)向路由器2(S103)发送转发信令子包(S122),路由器2(S103)收到转发信令子包(S122)后,路由器2(S103)向路由器N(S104)转发拨号信令子包(S123),路由器N(S104)收到拨号信令子包(S123)后,控制建立语音终端1(S101)与路由器N(S104)间的双向弹性通道5(S124),路由器N(S104)判断被叫地址或被叫号码(S111)是路由器N(S104)的用户时,路由器N(S104)分配双向弹性支路N(S125),路由器N(S104)向语音终端2(S105)转发摘机信令子包(S126),语音终端2(S105)收到摘机信令子包(S126)后,控制建立路由器N(S104)与语音终端2(S105)间的双向弹性通道6(S127),语音终端2(S105)向路由器N(S104)发送转发信令子包(S128),路由器N(S104)收到转发信令子包(S128)后,路由器N(S104)向语音终端2(S105)转发拨号信令子包(S129),语音终端2(S105)收到拨号信令子包(S129)后,控制建立语音终端1(S101)与语音终端2(S105)间的双向弹性通道7(S130),此时,语音终端2(S105)向语音终端1(S101)发送被叫密钥信令子包(S131),语音终端1(S101)收到语音终端2(S105)发来的被叫密钥信令子包(S131)后,语音终端1(S101)向语音终端2(S105)发送主叫密钥信令子包(S132),语音终端2(S105)收到语音终端1(S101)发来的主叫密钥信令子包(S132)后,语音终端2(S105)振铃(S133),语音终端2(S105)听到振铃音(S133)后,语音终端2(S105)向语音终端1(S101)发送回振铃信令子包(S134),语音终端1(S101)收到回振铃音(S135),语音终端2(S105)摘机(S136),语音终端2(S105)向语音终端1(S101)发送被叫摘机信令子包(S137),语音终端1(S101)收到被叫摘机信令子包(S137),关闭回振铃音(S135),语音终端1(S101)与语音终端2(S105)间的双向通信(S138)经双向弹性通道7(S130)和语音终端1(S101)与语音终端2(S105)密钥解密还原实现。
[0038] 语音通信结束时,语音终端2(S105)挂机(S139),语音终端2(S105)向路由器N(S104)发送挂机信令子包(S140),路由器N(S104)收到挂机信令子包(S140)后,关闭路由器N(S104)与语音终端2(S105)间的双向弹性通道8(S141),路由器N(S104)向路由器2(S103)转发挂机信令子包(S142),路由器2(S103)收到挂机信令子包(S142)后,关闭路由器2(S103)与路由器N(S104)间的双向弹性通道9(S143),路由器2(S103)向路由器1(S102)转发挂机信令子包(S144),路由器2(S103)收到挂机信令子包(S144)后,关闭路由器1(S102)与路由器2(S103)间的双向弹性通道10(S145),路由器1(S102)向语音终端1(S101)转发挂机信令子包(S146), 语音终端1(S101)收到挂机信令子包(S146)后,关闭语音终端1(S101)与路由器1(S102)间的双向弹性通道11(S147),语音终端1(S101)收到忙音(S148),语音终端1(S101)挂机(S149)语音通信结束。
[0039] 实例2,图8所示,下面是对视频和数据通信过程作详细说明。
[0040] 建立视频和数据通信时,视频服务器或浏览器(S201)打开视频服务器或浏览器(S206),视频服务器或浏览器(S201)向路由器1(S202)发送摘机信令子包(S207),路由器1(S202)收到摘机信令子包(S207)后,控制建立视频服务器或浏览器(S201)与路由器1(S202)间的双向弹性通道1(S208),路由器1(S202)向视频服务器或浏览器(S201)发送转发信令包(S209),视频服务器或浏览器(S201)收到转发信令包(S209)后,视频服务器或浏览器(S201)输入呼叫地址(S210),发送拨号信令子包(S211),路由器1(S202)收到拨号信令子包(S211)后,路由器1(S202)判断呼叫地址(S210)不是路由器1(S202)的用户时,路由器1(S202)分配双向弹性路由1(S212),路由器1(S202)向路由器2(S203)转发摘机信令子包(S213),路由器2(S203)收到摘机信令子包(S213)后,控制建立路由器1(S202)与路由器2(S203)间的双向弹性通道2(S214),路由器2(S203)向路由器1(S202)发送转发信令子包(S215),路由器1(S202)收到转发信令子包(S215)后,路由器1(S202)向路由器2(S203)转发拨号信令子包(S216),路由器2(S203)收到拨号信令子包(S216)后,控制建立视频服务器或浏览器(S201)与路由器2(S203)间的双向弹性通道3(S217),路由器2(S203)判断呼叫地址(S210)不是路由器2(S203)的用户时,路由器2(S203)分配双向弹性路由2(S218),路由器2(S203)向路由器N(S204)转发摘机信令子包(S219),路由器N(S203)收到摘机信令子包(S219)后,控制建立路由器2(S203)与路由器N(S204)间的双向弹性通道4(S220),路由器N(S204)向路由器2(S203)发送转发信令子包(S221),路由器2(S203)收到转发信令子包(S221)后,路由器2(S203)向路由器N(S204)转发拨号信令子包(S222),路由器N(S204)收到拨号信令子包(S222)后,控制建立视频服务器或浏览器(S201)与路由器N(S204)间的双向弹性通道5(S223),路由器N(S204)判断呼叫地址(S209)是路由器N(S204)的用户时,路由器N(S204)分配双向弹性支路N(S224),路由器N(S204)向视频摄像机或网站(S205)转发摘机信令子包(S225),视频摄像机或网站(S205)收到摘机信令子包(S225)后,控制建立路由器N(S204)与视频摄像机或网站(S205)间的双向弹性通道6(S226),视频摄像机或网站(S205)向路由器N(S204)发送转发信令子包(S227),路由器N(S204)收到转发信令子包(S227)后,路由器N(S204)向视频摄像机或网站(S205)转发拨号信令子包(S228),视频摄像机或网站(S205)收到转发拨号信令子包(S228)后,控制建立视频服务器或浏览器(S201)与视频摄像机或网站(S205)间的双向弹性通道7(S229),视频摄像机或网站(S205)向视频服务器或浏览器(S201)发送被叫密钥信令子包(S230),视频服务器或浏览器(S201)收到被叫密钥信令子包(S230)后,视频服务器或浏览器(S201)向视频摄像机或网站(S205)发送主叫密钥信令子包(S231),视频摄像机或网站(S205)收到主叫密钥信令子包(S231)后,视频服务器或浏览器(S201)与视频摄像机或网站(S205)间的双向通信(S232)经密钥解密还原实现。
[0041] 视频服务器或浏览器(S201)与视频摄像机或网站(S205)间的通信完成时,视频服务器或浏览器(S201)关闭(S233),视频服务器或浏览器(S201)向路由器1(S202)发送挂机信令子包(S234),路由器1(S202)收到挂机信令子包(S234)后,关闭视频服务器或浏览器(S201)与路由器1(S202)间的双向弹性通道8(S235),路由器1(S202)向路由器2(S203)转发挂机信令子包(S236),路由器2(S203)收到挂机信令子包(S236)后,关闭路由器1(S202)与路由器2(S203)间的双向弹性通道9(S237),路由器2(S203)向路由器N(S204)转发挂机信令子包(S238), 路由器N(S204)收到挂机信令子包(S238)后,关闭路由器2(S203)与路由器N(S204)间的双向弹性通道10(S239),路由器N(S204)向视频摄像机或网站(S205)转发挂机信令子包(S240),视频摄像机或网站(S205)收到挂机信令子包(S240)后,关闭路由器N(S204)与视频摄像机或网站(S205)间的双向弹性通道11(S241),视频摄像机或网站(S205)与视频摄像机或网站(S205)间的通信结束(S242)。
[0042] 虽然以上描述了本发明的技术方案和具体实施方式,但是熟悉本技术领域的技术人员应当理解,本发明所描述的只是说明性的,而不是用于对本发明的范围的限定,熟悉本领域的技术人员在依照本发明的技术方案及发明构思加以替换或改变,而所有这些改变或替换都应属于本发明所附的权利要求的保护范围内。

图1

图2

图3

图4

图5

图6

图7

图8
本方案的实施将克服现代通信的缺陷和不足,完全能够满足未来通信的各种业务需求,并且能与IP通信平缓的过渡。
与现在通信相比具有如下特点:
1、提供系统和链路级的安全保障;
2、固定的硬件级(工业级)低时延;
3、降低了信息传冗余,大大提高了通信效率;
4、完美实现语音、视频和数据多品质的统一环境的融合通信;
5、开放、分布式的系统环境等。
详细专利文件见附件。
寻投资及技术合作!

微信号
欢迎点评!
- 点赞
- 收藏
- 关注作者
评论(0)