《计算机组成与体系结构(原书第4版)》 —3 习题
习题
1.为以下表达式构建真值表。
a)yz+z(xy)′ b)x(y′+z)+xyz c)(x+y)(x′+y)(提示:参考例3.7)
2.为以下表达式构建真值表。
a)xyz+x(yz)′+x′(y+z)+(xyz)′b)(x+y′)(x′+z′)(y′+z′)
3.使用德摩根定律,写F反的表达式,其中F(x,y,z)=xy′(x+z)
4.使用德摩根定律,写F反的表达式,其中F(x,y,z)=(x′+y)(x+z)(y′+z)′。
5.使用德摩根定律,写F反的表达式,其中F(w,x,y,z)=xz′(x′yz+x)+y(w′z+x′)。
6.使用德摩根定律,写F反的表达式,F(x,y,z)=xz′(xy+xz)+xy′(wz+y)。
7.证明德摩根定律的有效性。
8.下列分配法是否有效?证明你的答案。x XOR(y+z)=(x XOR y)+(x XOR z)9.以下是真是假?证明你的答案。(x XOR y)′=xy+(x+y)′10.表达x=xy+xy′。
a)使用真值表表示b)使用布尔定律表示
11.使用前7个布尔定律证明吸收律。
12.表达式xz=(x+y)(x+y)′(x′+z)。
a)使用真值表表示b)使用布尔定律表示
13.用任何方法证明以下公式是真是假。xz+x′y′+y′z′=xz+y′14.利用布尔代数及其定律简化下面的函数表达式。并列出每一步使用的定律。
a)F(x,y,z)=y(x′+(x+y)′)b)F(x,y,z)=x′yz+xz
c)F(x,y,z)=(x′+y+z′)′+xy′z′+yz+xyz
15.利用布尔代数及其定律简化下面的函数表达式。并列出每一步使用的定律。
a)x(yz+y′z)+xy+x′y+xzb)xyz″+(y+z)′+x′yz
c)z(xy′+z)(x+y′)
16.利用布尔代数及其定律简化下面的函数表达式。并列出每一步使用的定律。
a)z(w+x)′+w′xz+wxyz′+wx′yz′b)y′(x′z′+xz)+z(x+y)′
c)x(yz′+x)(y′+z)
17.利用布尔代数及其定律简化下面的函数表达式。并列出每一步使用的定律。
a)x(y+z)(x′+z′)b)xy+xyz+xy′z+x′y′z
c)xy′z+x(y+z′)′+xy′z′
18.利用布尔代数及其定律简化下面的函数表达式。并列出每一步使用的定律。
a)y(xz′+x′z)+y′(xz′+x′z)b)x(y′z+y)+x′(y+z′)′
c)x[y′z+(y+z′)′](x′y+z)
19.利用布尔代数的基本定律证明x(x′+y)=xy*
20.利用布尔代数的基本定律证明x+x′y=x+y
21.利用布尔代数的基本定律证明xy+x′z+yz=xy+x′z
22.布尔表达式的真值表如下所示。用乘积的和的形式写出布尔表达式。

23.布尔表达式的真值表如下所示。用乘积的和的形式写出布尔表达式。

24.下列哪个布尔表达式在逻辑上不等价于其余的表达式?
a)wx′+wy′+wzb)w+x′+y′+z
c)w(x′+y′+z)d)wx′yz′+wx′y′+wy′z′+wz
25.绘制真值表,作为两个乘积项的和的补充,重写下面的表达式:xy′+x′y+xz+y′z26.给出布尔函数F(x,y,z)=x′y+xyz′:
a)推导F反的代数表达式,并以乘积的和的形式表示。
b)证明FF′=0。
c)证明F+F′=1。
27.给定公式F(x,y,z)=y(x′z+xz′)+x(yz+yz′):
a)列出F的真值表。
b)使用原始布尔表达式绘制逻辑图。
c)使用布尔代数及其定律简化表达式。
d)对于c中答案列出真值表。
e)为c中的简化表达式绘制逻辑图。
28.只使用AND、OR和NOT门构造XOR运算符。
29.仅使用与非门构造XOR运算符。提示:x XOR y=((x′y)′(xy′)′)′。
30.仅使用与非门来绘制半加法器。
31.仅使用与非门来绘制全加器。
32.设计具有3个二进制输入数位x、y和z的电路,并且3个输出(a、b和c)同样也表示为二进制数位。当输入为0、1、6或7的时候,二进制输出将是输入的反。当二进制输入为2、3、4或5的时候,输出为输入的循环左移。(例如,输入为3=0112时输出为110;输入为4=1002时输出为001。)画出真值表,对所有计算进行简化,画出最后的电路。
33.直接绘制组合电路实现布尔表达式:F(x,y,z)=xyz+(y′+z)34.直接绘制组合电路实现布尔表达式:F(x,y,z)=x+xy+y′z35.直接绘制组合电路实现布尔表达式:F(x,y,z)=(x(y XOR z))+(xz)′
36.找到描述以下电路的真值表:

37.找到描述以下电路的真值表:

38.找到描述以下电路的真值表:

39.如果译码器有64个输出,那么请问有多少个输入?
40.如果一个多路复用器有32个输入,请问有多少条控制线?
41.分别绘制电路以实现表3-10和表3-11所示的奇偶校验发生器和奇偶校验检查器。
42.假设你有函数F1(x,y,z)和F2(x,y,z)的真值表:

a)以乘积和的形式表示F1和F2。
b)简化每个函数。
c)绘制一个逻辑电路以实现上述两个函数。
43.假设你有函数F1(w,x,y,z)和F2(w,x,y,z)的真值表:

a)以乘积和的形式表示F1和F2。b)简化每个函数。
c)绘制一个逻辑电路以实现上述两个函数。
44.设计组合电路的真值表,用于检测BCD编码的十进制数字表示的误差。(当输入为6个未使用的BCD码组合之一时,此电路输出应为1。)
45.简化习题44中的函数并绘制逻辑电路。
46.描述以下每个电路的工作原理,并指出典型的输入和输出。同时为每个电路提供仔细标记的“黑盒”图。
a)译码器b)多路复用器
47.小苏珊正试图训练新买的小狗。她试图搞清楚什么时候小狗应该得到一块狗饼干作为奖励。她总结如下:
1.如果小狗坐和摇摆,但不叫,给一块饼干。
2.如果小狗叫和摇摆,但不坐,给一块饼干。
3.如果小狗坐,但不摇摆或叫,给一块饼干。
4.如果小狗坐、摇摆和叫,给一块饼干。
5.否则不要给小狗饼干。
使用以下内容:
S代表坐(0为不坐、1为坐)
W代表摇摆(0表示不摇摆、1表示摇摆)
B代表叫(0为不叫、1为叫)
F代表饼干函数(0表示不给饼干、1表示给饼干)
构造一个真值表,并找到最简的布尔函数来实现逻辑,该函数可以告诉苏珊什么时候给小狗饼干。
48.蒂龙·休雷斯在股票市场投入了大量资金,但不相信任何人给他的买卖信息。他买某只股票之前,必须从3个来源获得消息。他的第一个来源是佩恩·韦伯斯特,他是一个著名的股票经纪人。他的第二个来源是麦格·A.卡什,他是一个在股市上白手起家的百万富翁。他的第三个来源是世界著名的心理学家拉萨拉夫人。经过从这三个人那里接受几个月的建议后,他得到以下结论:
a)如果佩恩和麦格都说买并且心理学家说不买,那么就买。
b)如果心理学家说买,那么就买。
c)其他情况都不买。
构造一个真值表,并找到最简的布尔函数来实现逻辑,告诉蒂龙什么时候应该买。
*49.假设一家很小的公司聘请你安装一个安全系统。你安装的系统的品牌价格是由允许访问设施中某些位置感应卡上编码的位数决定的。当然,这家小公司想要使用尽可能少的编码位数(花尽可能少的钱),但是能满足所有的安全需求。你需要做的第一件事是确定每张卡需要多少位。接下来,你必须在每个安全位置对读卡器编程,以便它们对扫描卡做出适当的响应。
该公司有4种类型的员工和5个他们希望限制权限的区域。员工及其权限如下:
a)老板需要使用行政休息室和行政洗手间。
b)老板的秘书需要访问供应柜、员工休息室和行政酒廊。
c)计算机室员工需要访问服务器机房和员工休息室。
d)看门人需要进入工作场所的所有区域。
确定每类员工将在卡上如何编码,并为读卡器在五个权限区域上构造逻辑图。
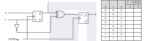
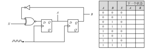
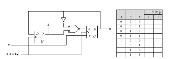
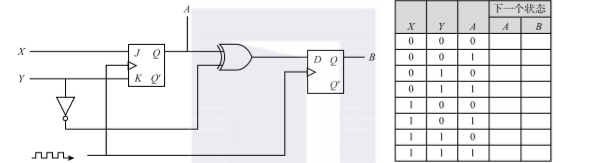
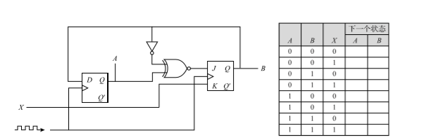
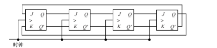
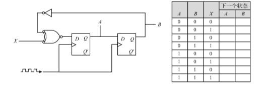
50.完成以下时序电路的真值表:

51.完成以下时序电路的真值表:

52.完成以下时序电路的真值表:

53.完成以下时序电路的真值表:

54.完成以下时序电路的真值表:

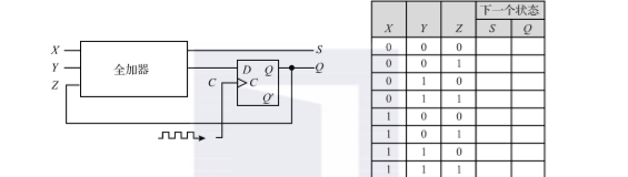
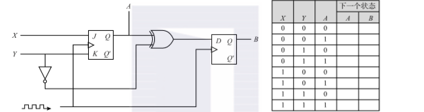
55.时序电路具有一个触发器、两个输入X和Y、一个输出S。它包括一个连接到JK触发器的全加器电路,如下图所示。通过填写下一状态和输出列,完成该时序电路的真值表。

56.真或假:当JK触发器由SR触发器构成时,S=JQ′,R=KQ。
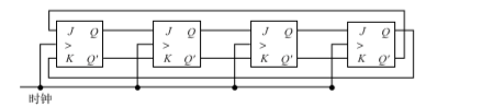
*57.调查以下电路的操作。假设初始状态为0000。跟踪输出(Q)作为时钟记号,确定该电路的目的。必须显示轨迹才能完成答案。

58.Null-Lobour触发器(NL触发器)的行为如下:如果N=0,则触发器不改变状态。如果N=1,则触发器的下一状态等于L的值。
a)推导NL触发器的特性表。
b)通过添加逻辑门和反相器,显示SR触发器如何转换为NL触发器。(提示:当N=1时,S和R的值必须是多少,将使触发器在适当的时间置位和复位?当N=0时如何防止触发器改变状态?)
59.Mux-Not触发器(MN触发器)的行为如下:如果M=1,则触发器为当前状态的反。如果M=0,则触发器的下一状态等于N的值。
a)推导触发器的特性表。
b)如何通过添加门和反相器将JK触发器转换为MN触发器?
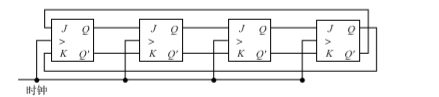
60.列出在图3-32所示的4×3存储器电路中读取一个字所需的步骤。
61.构建摩尔机和米莉机,补充它们的输入。
62.构造一个计数模为5的摩尔机。
63.分别使用摩尔机和米莉机,构造两个奇偶校验检查器。
64.使用两个FSM相等的定理,当且仅当它们从相同的输入字符串产生相同的输出,证明摩尔机和米莉机相等。
65.使用本章中描述的卷积编码和维特比算法,假设编码器和译码器总是在状态0开始,确定如下问题:
a)从输入字符串10010110生成输出字符串。
b)在问题a的序列之后,编码器处于哪种状态?
c)哪个位在字符串中出错,11 01 10 11 11 11 10?字符串中可能值是什么?
66.重复问题65以确定以下内容:
a)输入字符串00101101生成输出字符串。
b)在a中写入的序列之后,编码器处于哪种状态?
c)哪个位在字符串中出错,00 01 10 11 00 11 00?字符串的可能值是什么?
67.重复问题65以确定以下内容:
a)输入字符串10101010生成输出字符串。
b)在a中写入的序列之后,编码器处于哪种状态?
c)哪个位在字符串中出错,11 10 01 00 00 11 01?字符串的可能值是什么?
68.重复问题65以确定以下内容:
a)输入字符串01000111生成输出字符串。
b)在a中写入的序列之后,编码器处于哪种状态?
c)哪个位在字符串中出错,11 01 10 11 01 00 01?字符串的可能值是什么?
- 点赞
- 收藏
- 关注作者
评论(0)