《计算机组成与体系结构(原书第4版)》 —3.6.5 时序电路示例
3.6.5 时序电路示例
锁存器和触发器可以实现更复杂的时序电路。因此寄存器、计数器、存储器和移位寄存器都需要使用存储以及时序逻辑来实现。
例3.14时序电路的第一个例子是一个使用4个D触发器组成的简单的4位寄存器。(要实现存储更大字的寄存器,需要添加触发器。)它有4根输入线、4根输出线和1根时钟信号线。从时序的角度来看,时钟是非常重要的;寄存器必须全部接受它们的新输入值并同时改变存储组件。记住,同步时序电路不能改变状态,除非在时钟脉冲到来时。相同的时钟信号绑定到所有4个D触发器上,因此它们一致变化。图3-30描述了4位寄存器的逻辑图,以及该寄存器的框图。在实际中,物理组件具有电源和接地等附加线路,还有清除线(这使得能将整个寄存器复位为全0)。然而,在本书中将这些概念留给计算机工程师,我们关注在这些电路中存在的实际数字逻辑。

图 3-30
例3.15另一个有用的时序电路是二进制计数器,时钟脉冲到来时它会产生预定的状态序列。在一个二进制计数器中,这些状态反映了二进制数序列。如果开始以二进制0000,0001,0010,0011,…计数,则可以看到数字的增加,并且每次对低位进行取反。每当它从1到0改变状态时,对其左边的位求反。当每个其他位从0到1改变状态时,所有右边的位等于1。对于取反的概念,二进制计数器最好的实现是使用JK触发器(回想当J和K都等于1时,触发器取反当前状态)。为代替每个触发器的独立输入,有一个在每个触发器上运行的计数使能线。当时钟脉冲到达时电路只计数并且此计数使能线置位为1。如果计数使能被设置为0,当时钟脉冲到达时,电路不改变状态。非常仔细地检查图3-31,用各种输入跟踪电路,以确保你理解了该电路如何输出0000~1111之间的二进制数。注:B0、B1、B2和B3是该电路的输出,并且始终可用,而与计数使能和时钟信号的值无关。如果当前状态为1111,并且时钟脉冲到达时,则检查电路进入哪个状态。

图3-31 使用JK触发器的4位同步计数器
上面学习了一个简单的寄存器和一个二进制计数器,现在我们已准备好去学习一个非常简单的存储电路了。
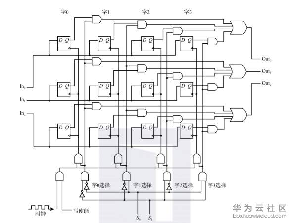
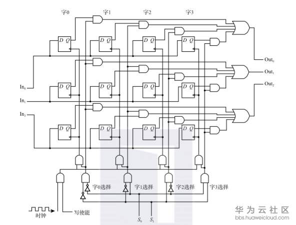
例3.16图3-32所示的存储器保存4个3位字(这通常表示为4×3的存储器)。电路中的每一列表示一个3位字。注意,存储每个字的每一位的触发器是通过时钟信号同步的,因此读或写操作总是读或写一个完整的字。In0、In1和In2是用于将3位字存储或写入存储器的输入线。S0和S1是用于选择存储器中正在引用哪个字的地址线。(注意S0和S1是负责选择正确存储字的2-4译码器的输入线。)从存储器里读取字时使用3条输出线(Out0、Out1和Out2)。
应该注意到另一条控制线——写使能控制线,它表示是读还是写。注意,在这个芯片中,为了便于理解,已经分离了输入和输出线。在实际中,输入线和输出线是相同的线。
对这个存储器电路的讨论进行总结,以下是将一个字写入到存储器所需的步骤:
1.在S0和S1上选中地址。
2.写使能(WE)设置为高。
3.使用S0和S1的译码器仅使能一个与门,在存储器中选择给定的字。
4.在步骤3中选择的线结合时钟与写使能选择一个字。
5.在步骤4中使能的写门电路驱动所选字的时钟。
6.当时钟脉冲到来时,输入线上的字装入D触发器上。
可以把从这个存储器读取一个字以创建类似必要步骤的列表作为一个练习。另一个有趣的练习是分析这个电路,并确定需要什么额外的组件来扩展存储器。如将4×3存储器扩展到8×3存储器或4×8存储器。

图3-32 4×3内存
逻辑门的实现
在本章介绍了逻辑门。但在这些门里面到底发生了什么才使它能执行逻辑功能?这些门实际是如何工作的呢?现在可以打开盖子并观察数字逻辑门的内部组成。
逻辑门的实现是使用属于不同类型不同生产技术的逻辑器件来完成的。这些设备往往用逻辑系列来分类。每个系列都有自己的优点和缺点,每个系列在能力和局限性方面也不尽相同。当前我们感兴趣的逻辑系列包括TTL、NMOS/PMOS、CMOS和ECL。
TTL(晶体管-晶体管逻辑)用双极型晶体管代替了集成电路中最初发现的所有二极管。(从第1章关于晶体管的补充材料中可以了解详细信息。)TTL以如下方式定义二进制值:0~0.8V是逻辑0,2~5V是逻辑1。几乎任何门都可以使用TTL实现。TTL不仅提供最大数量的逻辑门(从标准的组合和时序逻辑门到存储器),并且这种技术还提供了更优越的操作速度。这些相对便宜的集成电路的问题是,它们需要相当大的功率。
TTL被用于广泛销售的第一代集成电路中。然而,在今天的集成电路中最常用的晶体管类型为MOSFET(金属氧化物半导体场效应晶体管)。场效应晶体管(FET)简单地说就是输出场由可变电场控制的晶体管。金属氧化物半导体实际上是指用于制造芯片的工艺,现在甚至使用多晶硅代替了金属,金属这个名称仍继续使用。
NMOS(N型金属氧化物半导体)和PMOS(P型金属氧化物半导体)是两种基本类型的MOS晶体管。NMOS晶体管比PMOS晶体管快,但是实际上NMOS相对于PMOS的优点是具有更高的元件密度(更多个NMOS晶体管可以放在单个芯片上)。NMOS电路比其双极型具有更低的功耗。NMOS技术的主要缺点是对电气放电损坏的敏感性,此外,NMOS不能实现与TTL同样多的门电路。尽管NMOS电路比TTL功率更小,但增加的NMOS电路密度使功耗问题变得明显了。
我们设计了CMOS(互补金属氧化物半导体)芯片作为TTL和NMOS电路的低功耗替代品,除了解决电源问题外,它提供了比NMOS更多的TTL等效电路。该技术使用FET互补对代替双极晶体管,即NMOS FET和PMOS FET(因此称为“互补”)。CMOS与NMOS不同,因为当栅极处于静态时,CMOS几乎没有功耗。只有当门开关改变时,才有功耗。较低的功耗转化为减少散热。
为此,CMOS广泛地用于各种各样的计算机系统中。除了低功耗之外,CMOS芯片可以在很宽的电源电压范围内工作(通常为3~15V),不像TTL需要一个5±0.5V的电源电压。然而,CMOS技术对静电极其敏感,因此在处理电路时必须格外小心。虽然CMOS技术提供了比NMOS更大的门电路选择范围,但它仍然无法与双极型TTL技术相匹配。
ECL(射极耦合逻辑)门用于需要高速的情况。而TTL和MOS使用晶体管作为数字开关(晶体管处于饱和或截止状态),ECL使用晶体管来引导电流通过逻辑门,导致晶体管不能完全关断或饱和。因为它们总是处于活动状态,所以晶体管可以非常快速地改变状态。然而,这种高速的变化需要大量的电力。因此,ECL很少使用,尤其是在很专业的应用中。
作为逻辑系列的新手,BiCMOS(双极CMOS)集成电路使用双极和CMOS技术。尽管BiCMOS逻辑实际比TTL消耗更多的功率,但它相当快。虽然目前它还没有在制造业中使用,但BiCMOS似乎具有巨大的潜力。
- 点赞
- 收藏
- 关注作者
评论(0)